¿Cómo podemos ayudarle?
Temas importantes
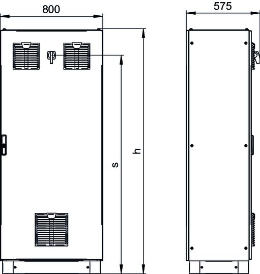
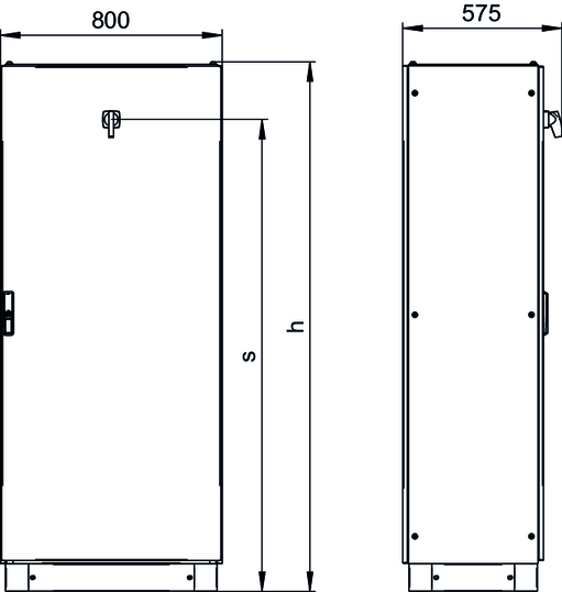
Estructura de la unidad
Instalación mecánica
Instalación eléctrica
- Normativas de instalación
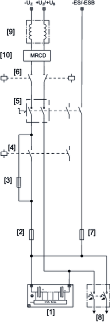
- Vista general del sistema acumulador de energía
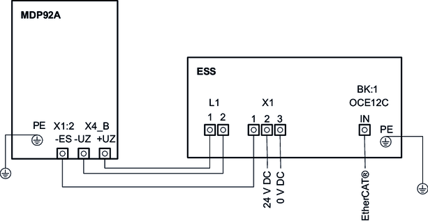
- Conexión del módulo de alimentación MDP92A al sistema acumulador de energía
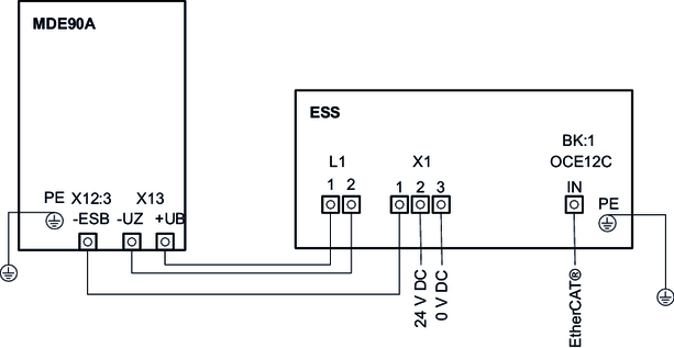
- Conexión del módulo de convertidor CC/CC MDE90A al sistema acumulador de energía
- Asignación de bornas
- Conexión variante de temperatura alta ESS
- Conexión variante de temperatura baja ESS



































































