Instalación eléctrica
Información adicional
- Planificación de la instalación en función de la compatibilidad electromagnética
- Normativas de instalación
- Conexión a las bornas de potencia
- Tensión de alimentación de 24 V
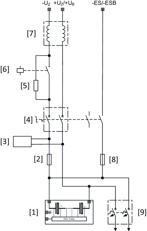
- Conexión de un módulo de freno seguro en el circuito intermedio
- Estructura de 2 líneas del grupo de ejes
- Salida de freno chopper
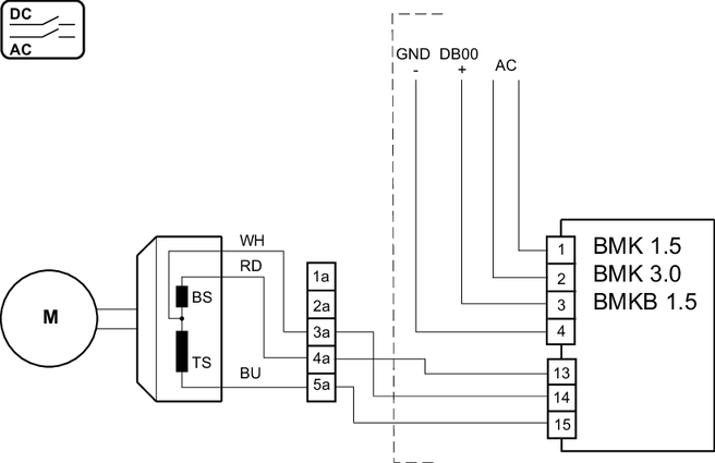
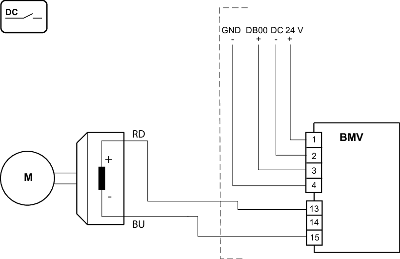
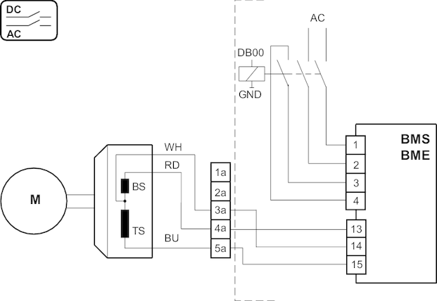
- Evaluación de temperatura
- Salida del control de freno
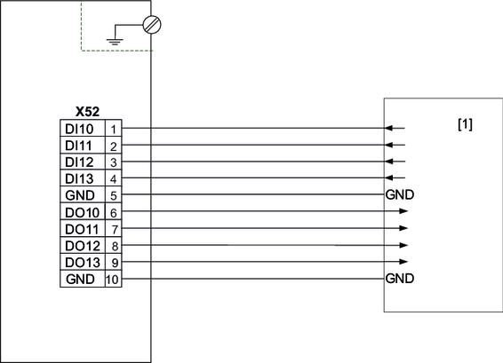
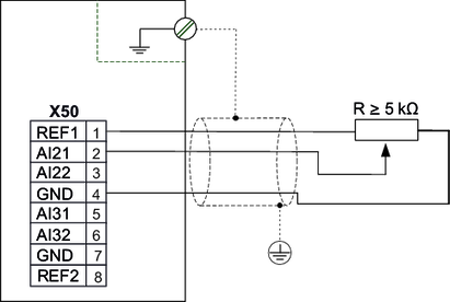
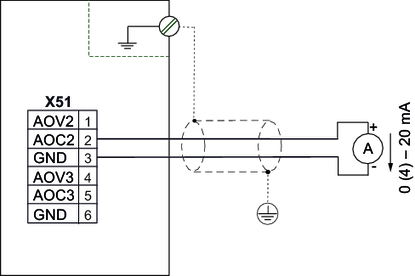
- Entradas/salidas
- Cableado del bus de sistema y del bus del módulo
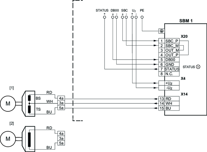
- Encoder
- MOVILINK® DDI
- Tarjetas entrada/salida CIO21A y CID21A
- Resistencias de frenado BW..
- Power and Energy Solutions
- Reactancia de red ND..
- Filtro de red NF..
- Reactancia de elevación NDR..
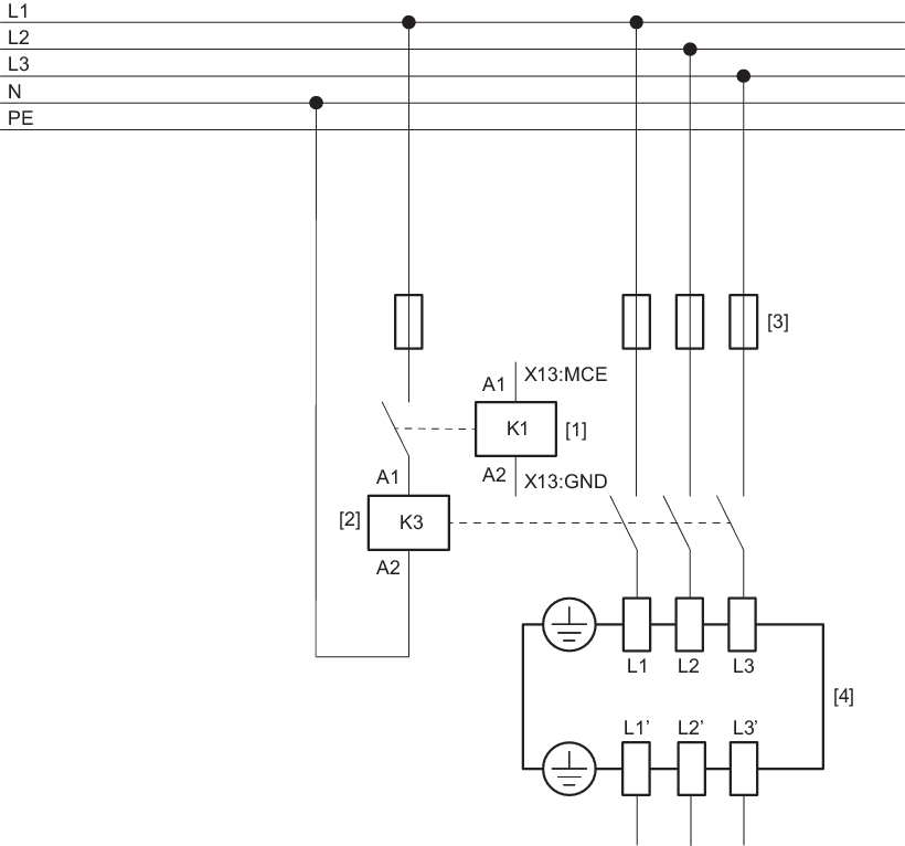
- Asignación de bornas
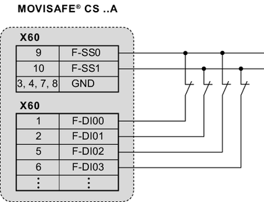
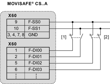
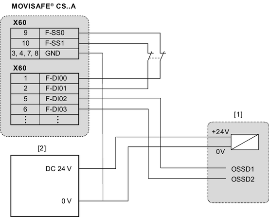
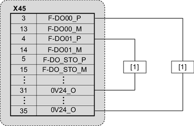
- Instalación eléctrica – Seguridad funcional
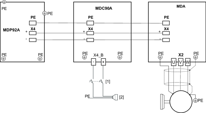
- Esquemas de conexiones
- Conexión de PC














































































































































































