Elektrische Installation
Weiterführende Informationen
- Installationsplanung unter EMV-Gesichtspunkten
- Installationsvorschriften
- Anschluss an den Leistungsklemmen
- 24-V-Versorgungsspannung
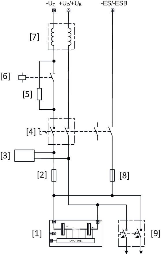
- Anschluss eines sicheren Bremsmoduls an den Zwischenkreis
- 2-zeiliger Aufbau des Achsverbundes
- Brems-Chopper-Ausgang
- Temperaturauswertung
- Ausgang Bremsenansteuerung
- Ein-/Ausgänge
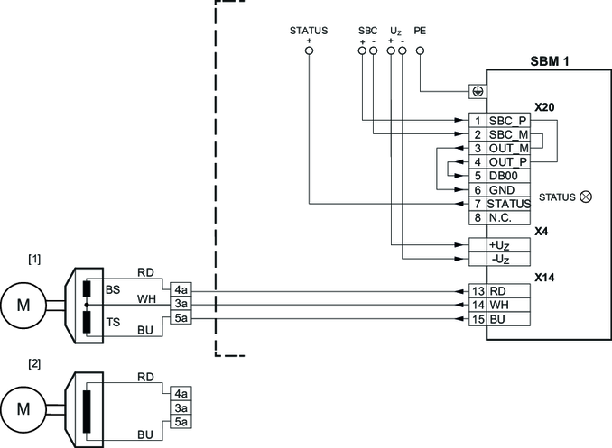
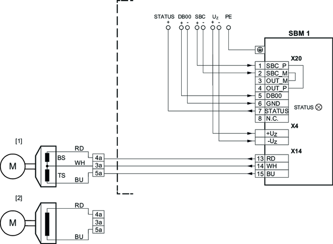
- Systembus- und Modulbusverkabelung
- Geber
- MOVILINK® DDI
- Ein-/Ausgabekarte CIO21A und CID21A
- Bremswiderstände BW..
- Power and Energy Solutions
- Netzdrossel ND..
- Netzfilter NF..
- Hochsetzdrossel NDR..
- Klemmenbelegung
- Elektrische Installation – Funktionale Sicherheit
- Anschlussbilder
- PC-Anschluss














































































































































































