Comment pouvons-nous vous aider ?

Thèmes principaux

Étude et configuration

  • Définition et spécifications de l'entraînement
  • Choix du variateur de vitesse
  • Choix de la résistance de freinage

Étude et configuration de la sécurité fonctionnelle

  • Dispositions techniques de sécurité

Composition de l'appareil

  • Variateurs de vitesse
  • Codification

Installation mécanique

  • Montage des variateurs des tailles 0S et 0L
  • Montage des variateurs de vitesse des tailles 3 à 8
  • Montage de la tôle de blindage
  • Montage des résistances de freinage

Installation électrique

  • Étude d'une installation sur la base de critères CEM
  • Tension d'alimentation 24 V
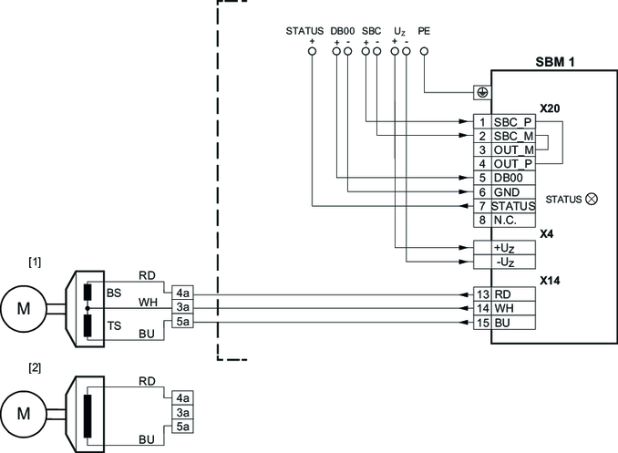
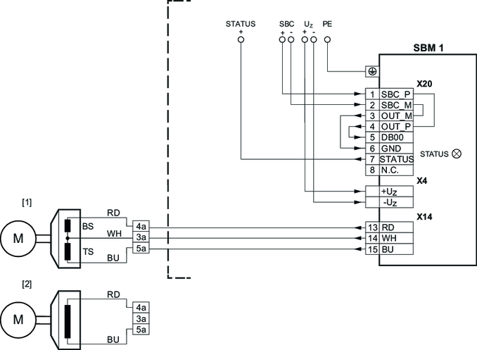
  • Codeurs
  • Affectation des bornes
  • Raccordement au PC

Mise en service

  • Mise en service avec logiciel d'ingénierie MOVISUITE®
  • Mise en service des moteurs tiers
  • Mise en service des moteurs avec interface MOVILINK® DDI
  • Mise en service de l'option de sécurité MOVISAFE® CS..A
  • Mise en service de l'option de sécurité dans le protocole de sécurité

Service

  • Affichages d'état et de fonctionnement de l'afficheur 7 segments
  • Description des défauts de l'appareil de base
  • Description des défauts de l'option de sécurité CS..A
  • Remplacement d'appareil

SEW-USOCOME

Édition: 08/2025

© Copyright: 2026

Index

MOVITRAC® advanced

Langue

  • Deutsch
  • English
  • Brasileiro
  • Español
  • 汉语
  • Français
SEW-EURODRIVE LogoSEW-EURODRIVE
  • Accueil