Como podemos ajudar?

Temas importantes

Planejamento de projeto

  • Seleção de acionamento e determinações do acionamento
  • Seleção de um conversor
  • Seleção da resistência de frenagem

Planejamento de projeto para funcionamento seguro

  • Requisitos de segurança

Estrutura da unidade

  • Conversor
  • Denominação do tipo

Instalação mecânica

  • Montar os conversores dos tamanhos 0S e 0L
  • Montar os conversores dos tamanhos 3 – 8
  • Montar a placa de blindagem
  • Montar as resistências de frenagem

Instalação elétrica

  • Planejamento da instalação sob o aspecto da EMC
  • Tensão de alimentação de 24 V
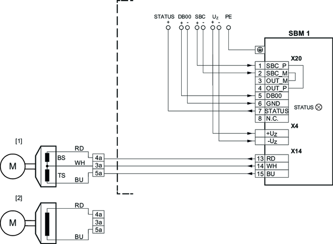
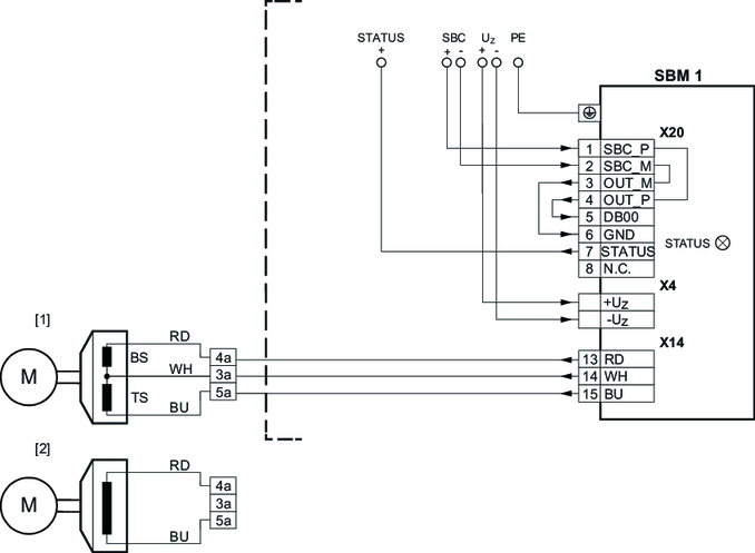
  • Encoder
  • Programação dos bornes
  • Conexão do PC

Colocação em operação

  • Colocação em operação com software de engenharia MOVISUITE®
  • Colocação em operação de motores não SEW
  • Colocação em operação de motores com interface MOVILINK® DDI
  • Colocação em operação do opcional de segurança MOVISAFE® CS..A
  • Colocação em operação do opcional de segurança no protocolo de segurança

SEW Service

  • Indicações operacionais e de estado do display de 7 segmentos
  • Descrição das irregularidades na unidade básica
  • Descrição da irregularidade Opcional de segurança CS..A
  • Troca da unidade

SEW-EURODRIVE GmbH & Co KG

Edição: 08/2025

© Copyright: 2026

Índice remissivo

MOVITRAC® advanced

Idioma

  • Deutsch
  • English
  • Brasileiro
  • Español
  • 汉语
  • Français
SEW-EURODRIVE LogoSEW-EURODRIVE
  • Página inicial