¿Cómo podemos ayudarle?

Temas importantes

Planificación de proyecto

  • Selección y dimensionamiento de accionamiento
  • Selección de un variador
  • Selección de la resistencia de frenado

Planificación de proyecto de seguridad funcional

  • Normativas de seguridad técnica

Estructura de la unidad

  • Variador
  • Designación de modelo

Instalación mecánica

  • Montar variadores del tamaño 0S y 0L
  • Montar variadores del tamaño 3 – 8
  • Montar la chapa de apantallado
  • Montar las resistencias de frenado

Instalación eléctrica

  • Planificación de la instalación en función de la compatibilidad electromagnética
  • Tensión de alimentación de 24 V
  • Encoder
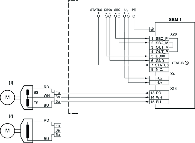
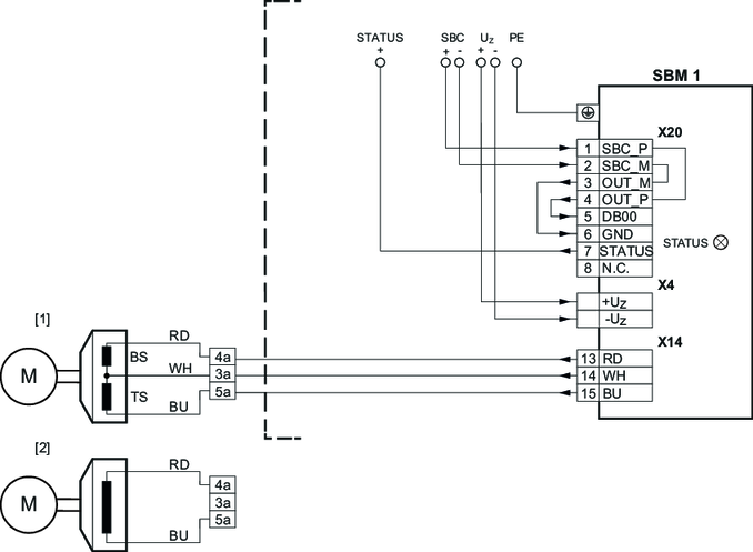
  • Asignación de bornas
  • Conexión de PC

Puesta en marcha

  • Puesta en marcha con el software de ingeniería MOVISUITE®
  • Puesta en marcha de motores no SEW
  • Puesta en marcha de motores con interfaz MOVILINK® DDI
  • Puesta en marcha de la opción de seguridad MOVISAFE® CS..A
  • Puesta en marcha de la opción de seguridad en el protocolo de seguridad

Servicio

  • Display de estado y funcionamiento del display de 7 segmentos
  • Descripción de fallos unidad básica
  • Descripción de fallos de opción de seguridad CS..A
  • Cambio de la unidad

SEW-EURODRIVE GmbH & Co KG

Edición: 08/2025

© Copyright: 2026

Índice alfabético

MOVITRAC® advanced

Idioma

  • Deutsch
  • English
  • Brasileiro
  • Español
  • 汉语
  • Français
SEW-EURODRIVE LogoSEW-EURODRIVE
  • Principal