How can we help?

Important topics

Technical data

  • Technical data of the MOVIONE® DR2C..A drive unit
  • Technical data of the MOVIONE® DRN.. drive unit
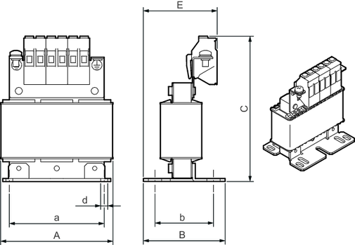
  • Dimension drawings

Project planning for functional safety

  • Safety requirements

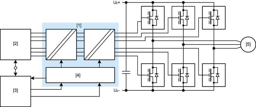
Device structure

  • Type designation of the MOVIONE® drive unit
  • Type designation for the MOVIONE® decentralized inverter
  • Inverter type designation

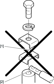
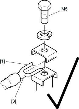
Mechanical installation

  • Notes on installing the drive unit
  • Installing the MOVIONE® decentralized inverter
  • Installing the inverter

Electrical installation

  • Installation planning taking EMC aspects into account
  • Equipotential bonding
  • Connection diagram for the MOVIONE® drive unit
  • Connection diagram for the MOVIONE® decentralized inverter
  • Connector positions of the MOVIONE® drive unit
  • Connector positions of the MOVIONE® decentralized inverter
  • PC connection

Startup

  • Startup using the virtual DIP switch
  • Startup with MOVISUITE® engineering software
  • Startup with the CBG21A keypad
  • Startup of the MOVISAFE® CS..A safety option
  • Startup of the safety option at the safety protocol

Operation

  • Maintenance switch
  • Front module with integrated local control
  • Manual mode with CBG.. local keypad
  • Manual mode with MOVISUITE®

Service

  • Resetting fault messages
  • LED displays
  • Standard fault description
  • Fault description for CS..A safety option
  • Device replacement
  • SEW‑EURODRIVE Service

SEW-EURODRIVE GmbH & Co KG

Edition: 07/2025

© Copyright: 2025

Index

MOVIONE®

Language

  • Deutsch
  • English
  • Español
  • Brasileiro
  • 汉语
SEW-EURODRIVE LogoSEW-EURODRIVE
  • Home