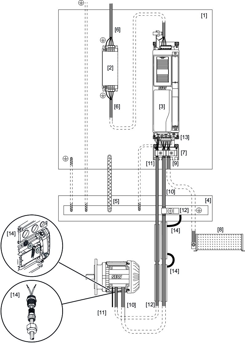
Installation électrique
Informations complémentaires
- Étude d'une installation sur la base de critères CEM
- Consignes d'installation
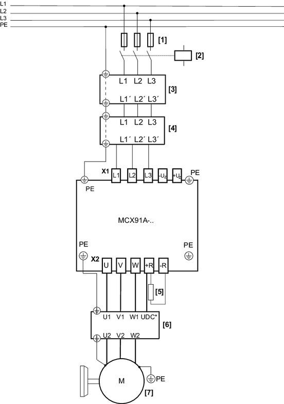
- Raccordement aux bornes de puissance
- Tension d'alimentation 24 V
- Fusibles réseau
- Sortie frein hacheur
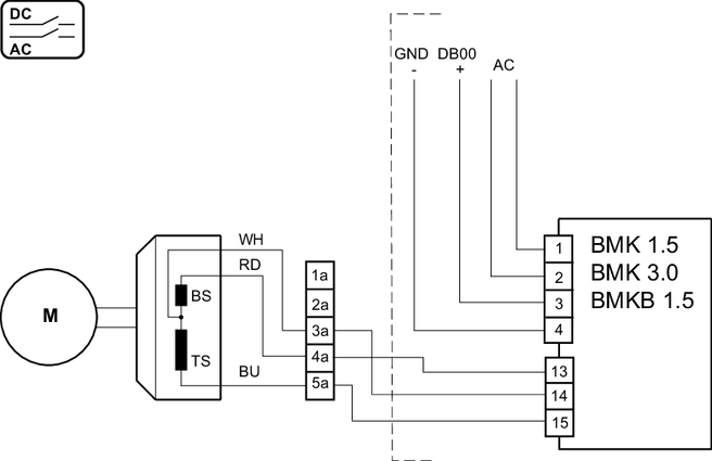
- Mesure de la température
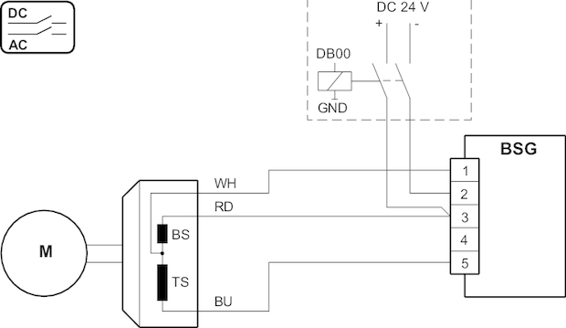
- Sortie commande de frein
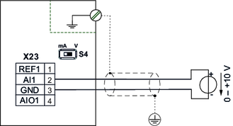
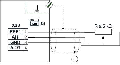
- Entrées et sorties
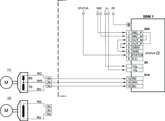
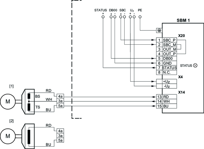
- Codeurs
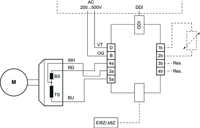
- MOVILINK® DDI
- Câble de bus de terrain et guide-câbles
- Résistances de freinage BW..
- Selfs réseau ND..
- Filtres réseau NF..
- Affectation des bornes
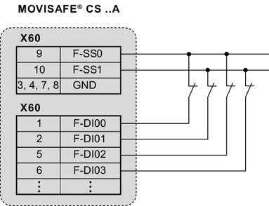
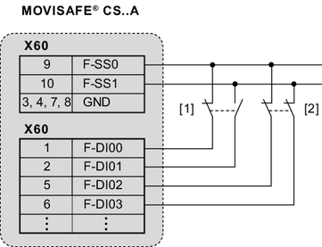
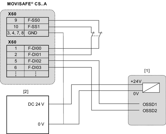
- Installation électrique – Sécurité fonctionnelle
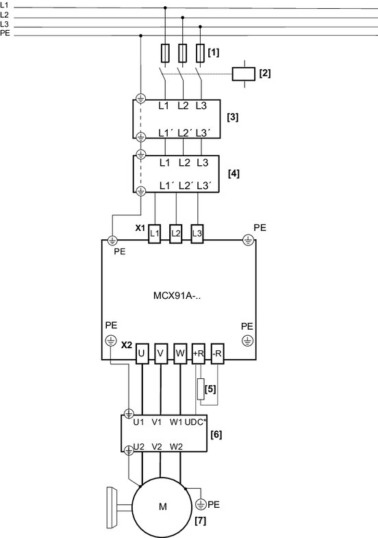
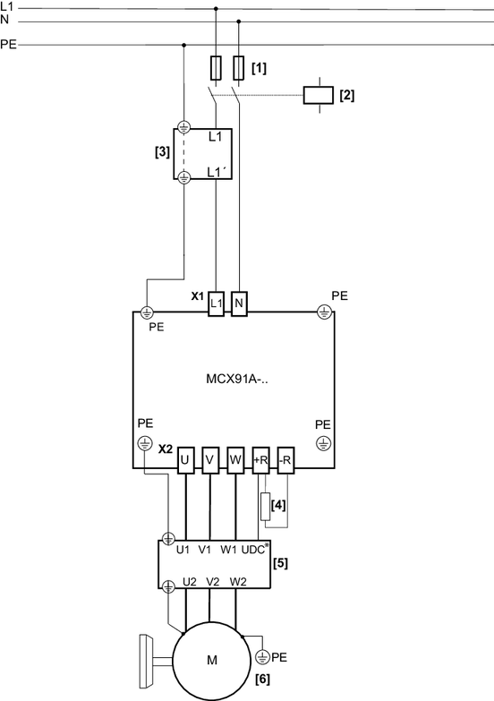
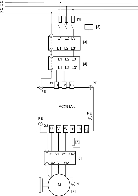
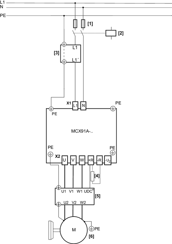
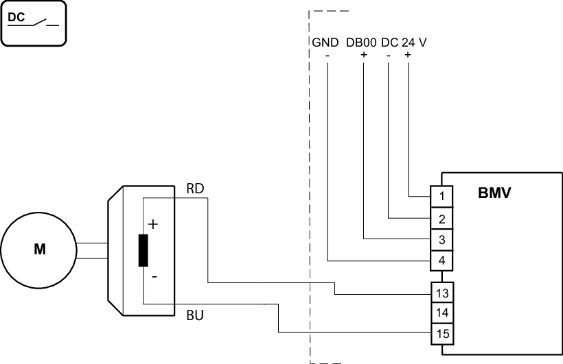
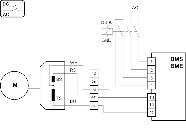
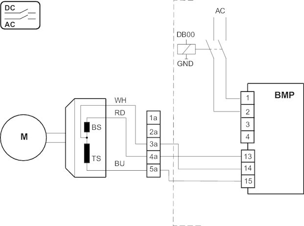
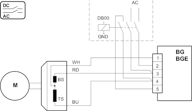
- Schémas de raccordement
- Raccordement au PC

























































































