Instalação elétrica
Informações adicionais
- Planejamento da instalação sob o aspecto da EMC
- Instruções de instalação
- Conexão aos bornes de potência
- Tensão de alimentação de 24 V
- Fusíveis de rede
- Saída do chopper de frenagem
- Avaliação da temperatura
- Saída do sistema de controle do freio
- Entradas/Saídas
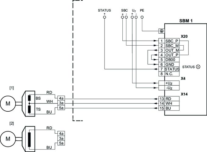
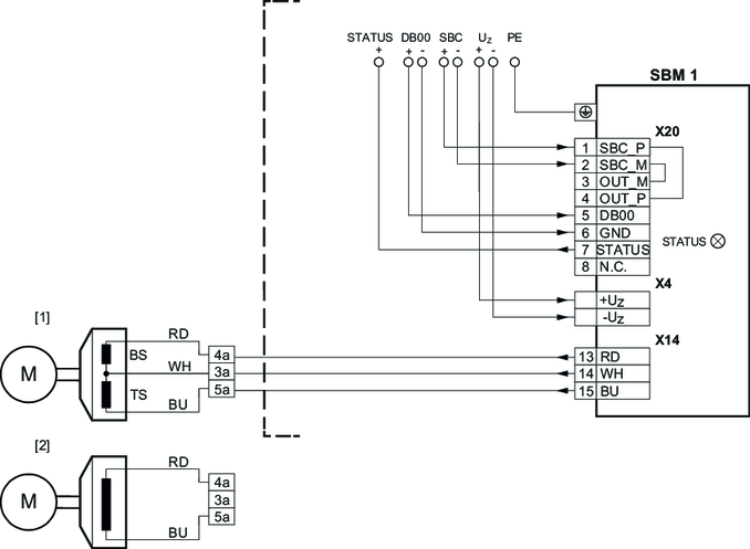
- Encoder
- MOVILINK® DDI
- Cabo de fieldbus e instalação de cabos
- Resistências de frenagem BW..
- Bobina de rede ND..
- Filtro de rede NF..
- Programação dos bornes
- Instalação elétrica – Funcionamento seguro
- Esquemas de conexão
- Conexão do PC

























































































