Instalación eléctrica
Información adicional
- Planificación de la instalación en función de la compatibilidad electromagnética
- Normativas de instalación
- Conexión a las bornas de potencia
- Tensión de alimentación de 24 V
- Fusibles de red
- Salida de freno chopper
- Evaluación de temperatura
- Salida del control de freno
- Entradas/salidas
- Encoder
- MOVILINK® DDI
- Cables de bus de campo y cableado
- Resistencias de frenado BW..
- Reactancia de red ND..
- Filtro de red NF..
- Asignación de bornas
- Instalación eléctrica – Seguridad funcional
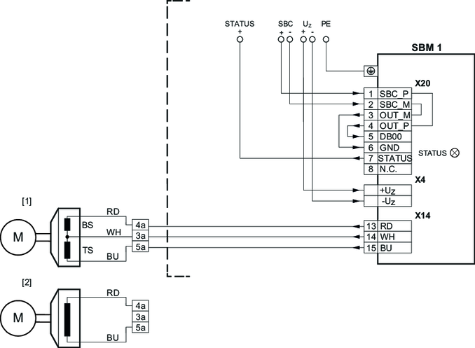
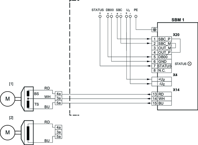
- Esquemas de conexiones
- Conexión de PC

























































































