Elektrische Installation
Weiterführende Informationen
- Installationsplanung unter EMV-Gesichtspunkten
- Installationsvorschriften
- Anschluss an den Leistungsklemmen
- 24-V-Versorgungsspannung
- Netzsicherungen
- Brems-Chopper-Ausgang
- Temperaturauswertung
- Ausgang Bremsenansteuerung
- Ein-/Ausgänge
- Geber
- MOVILINK® DDI
- Feldbuskabel und Kabelführung
- Bremswiderstände BW..
- Netzdrossel ND..
- Netzfilter NF..
- Klemmenbelegung
- Elektrische Installation – Funktionale Sicherheit
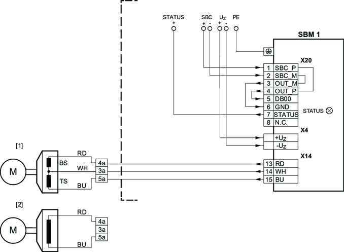
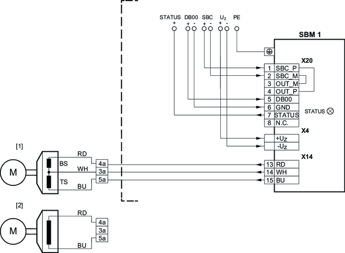
- Anschlussbilder
- PC-Anschluss

























































































