Caractéristiques techniques
Informations complémentaires
- Remarques générales
- Caractéristiques techniques générales des MOVIMOT® performance ELV
- Caractéristiques techniques – Sécurité fonctionnelle
- Conditions environnantes
- Facteurs de réduction de puissance
- Entrées digitales et sortie digitale
- Caractéristiques techniques de l'interface PROFINET IO
- Caractéristiques techniques de l'interface EtherNet/IP™, Modbus TCP
- Caractéristiques techniques de l'interface POWERLINK
- Caractéristiques techniques de l'interface EtherCAT®
- Caractéristiques techniques de l'interface EtherCAT®, profil CiA402
- Caractéristiques techniques du codeur moteur
- Consoles CBG..
- Protection de surface
- Positions de montage
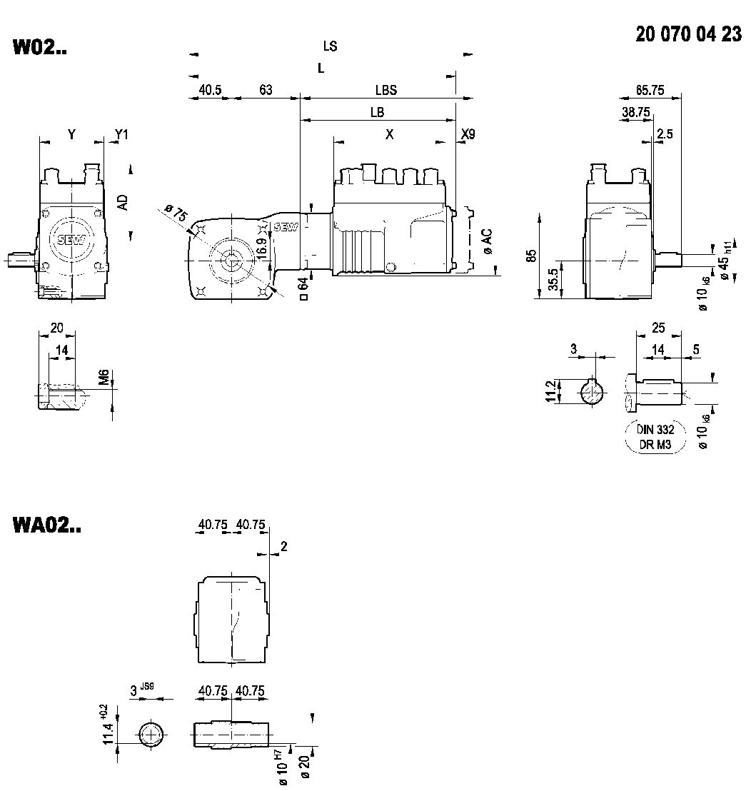
- Cotes de l'unité d'entraînement
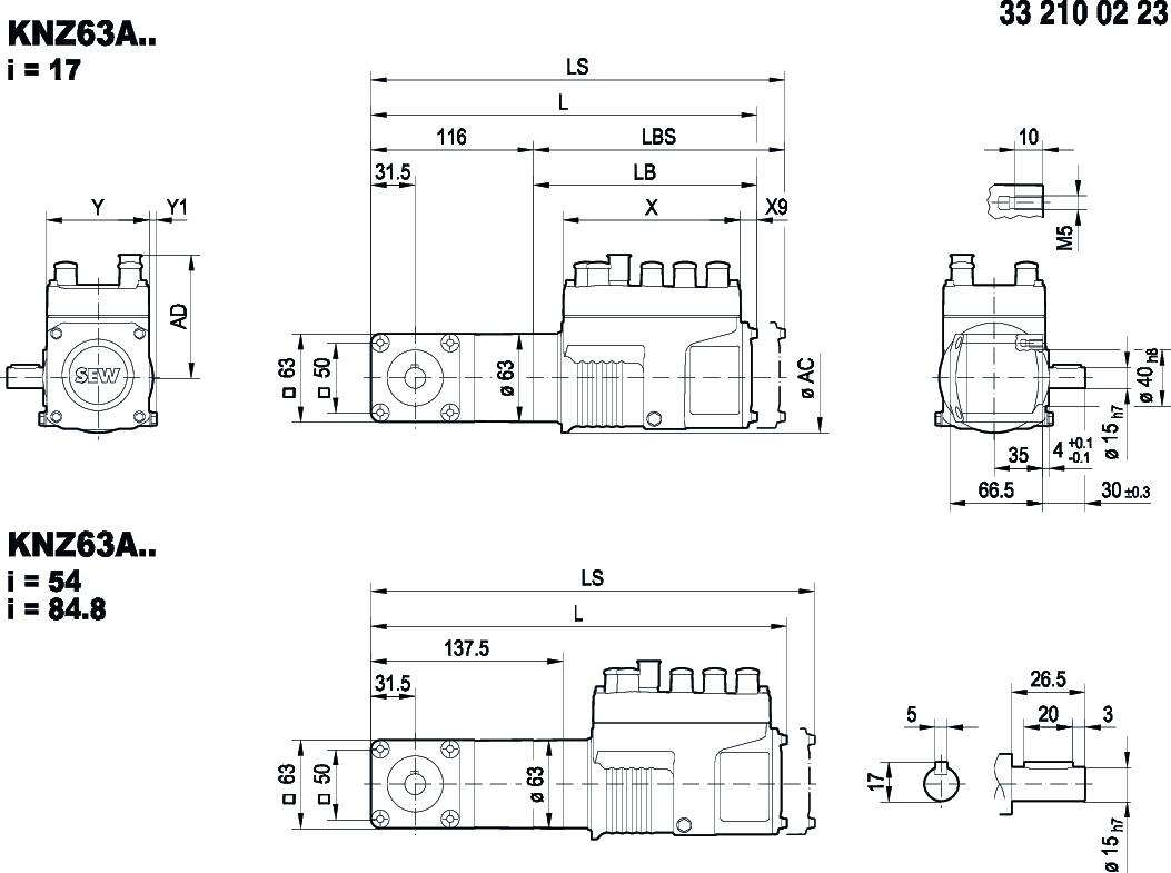
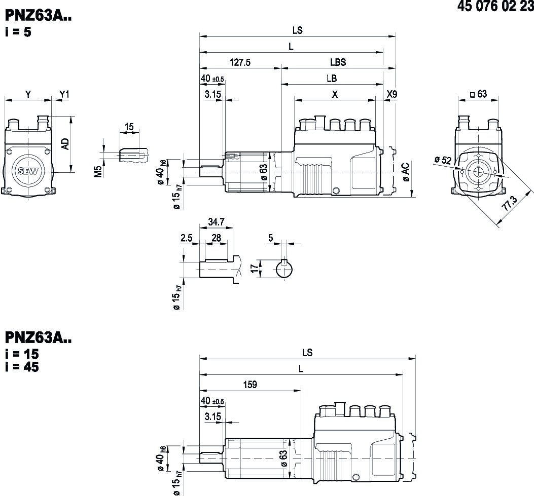
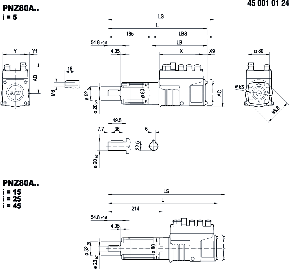
- Cotes des motoréducteurs
- Cotes des réducteurs standards avec adaptateur
- Cotes des connecteurs du module d'interface































