我们能提供什么帮助?

重要主题

技术数据

  • 技术数据 – 功能安全

设备的项目设计

  • 驱动装置选型和确定

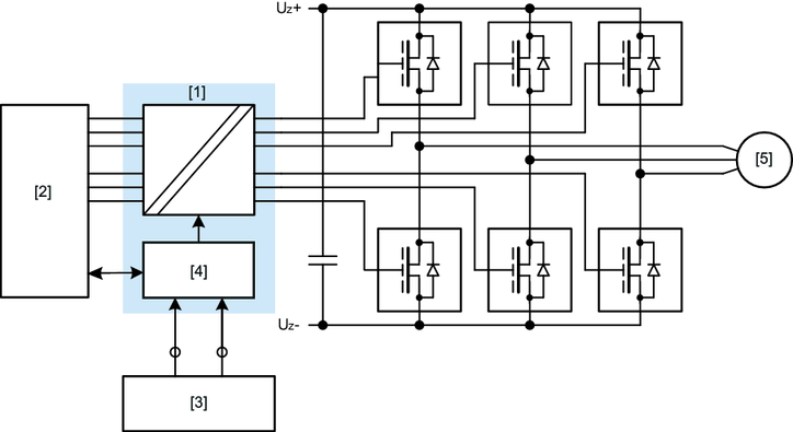
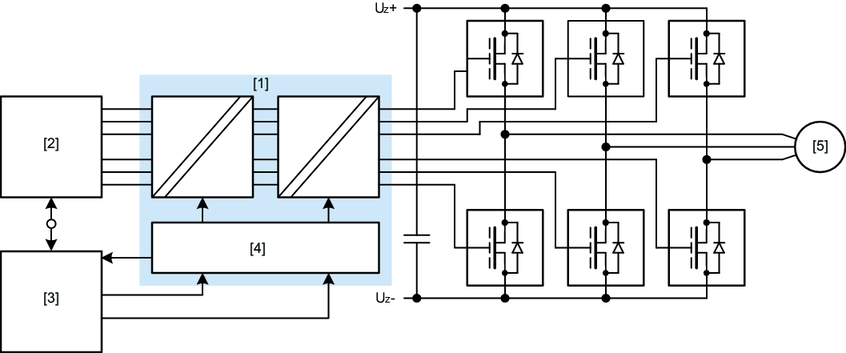
功能安全相关的项目设计

  • 安全技术规定

设备结构

  • 变频器
  • 型号描述

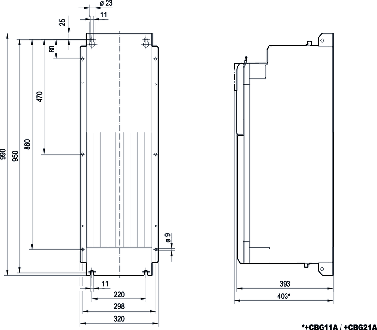
机械安装

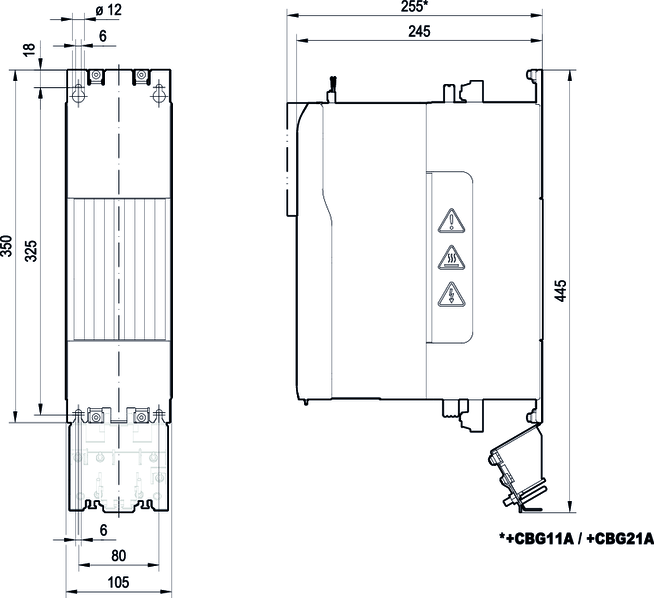
  • 安装规格为0S和0L的变频器
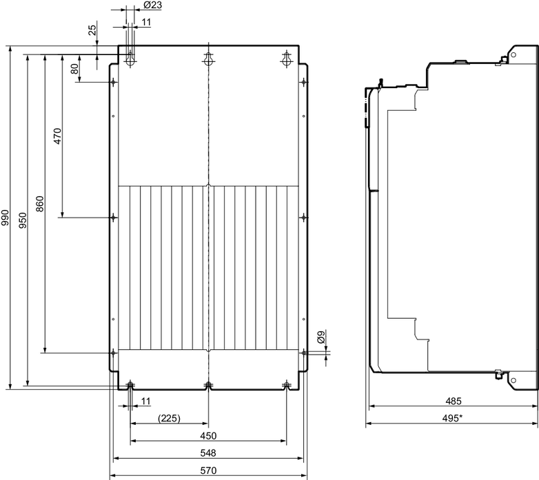
  • 安装规格3 ~ 8的变频器
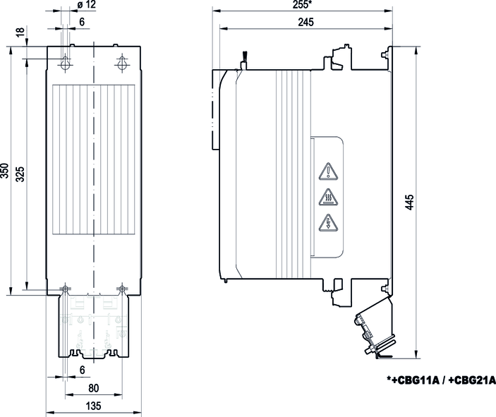
  • 安装屏蔽板
  • 安装制动电阻

电气安装

  • 符合EMC准则的安装设计
  • +24 V电源电压
  • 编码器
  • 端子分配
  • 计算机连接

调试

  • 调试非SEW电机
  • 调试带MOVILINK® DDI接口的电机
  • 调试安全选件MOVISAFE® CS..A
  • 根据安全协议调试安全选件

服务

  • 基本单元故障描述
  • 更换设备

SEW-EURODRIVE GmbH & Co KG

版本: 03 / 24

© Copyright: 2024

关键词索引

MOVITRAC® advanced

语言

  • Deutsch
  • English
  • Français
  • Brasileiro
  • 汉语
  • Español
SEW-EURODRIVE LogoSEW-EURODRIVE
  • 首页