我们能提供什么帮助?

重要主题

技术数据

  • MOVIMOT® flexible技术数据
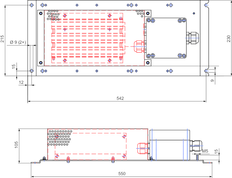
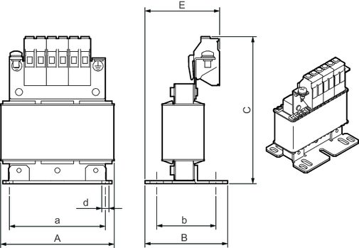
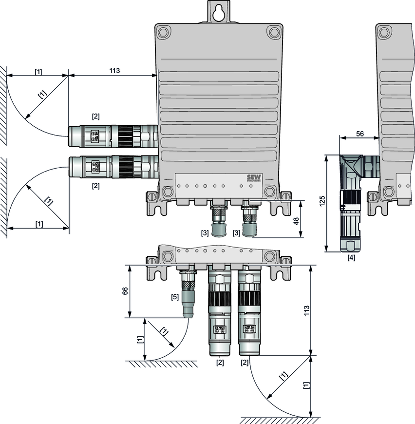
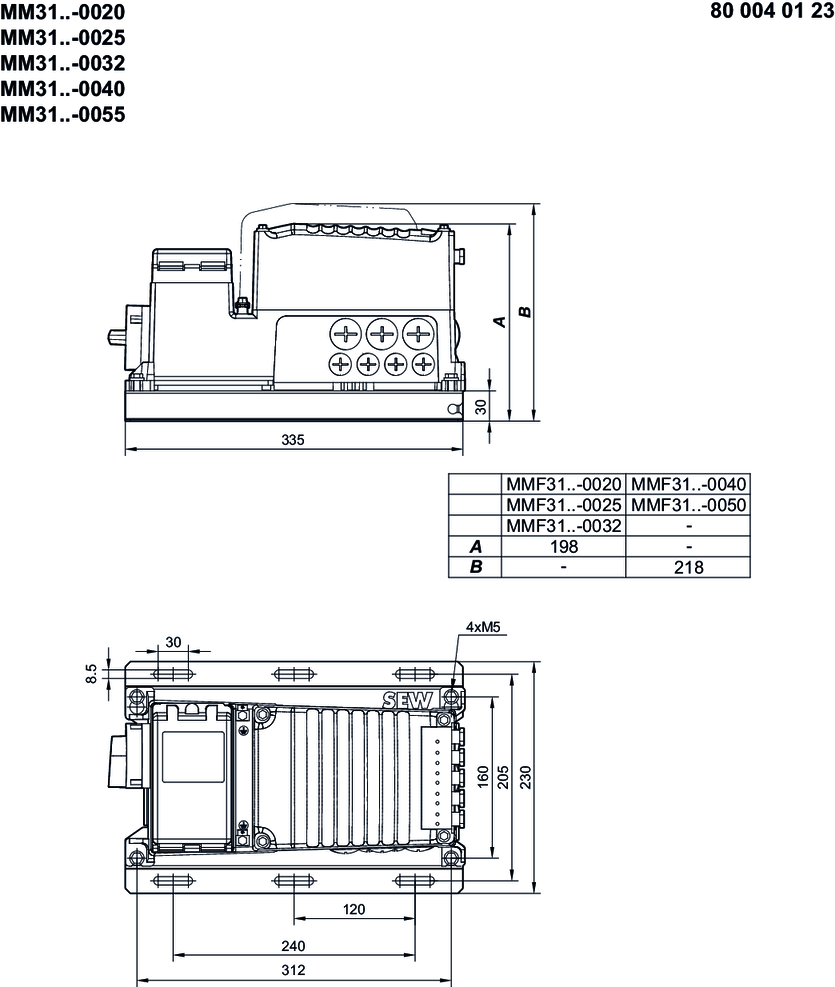
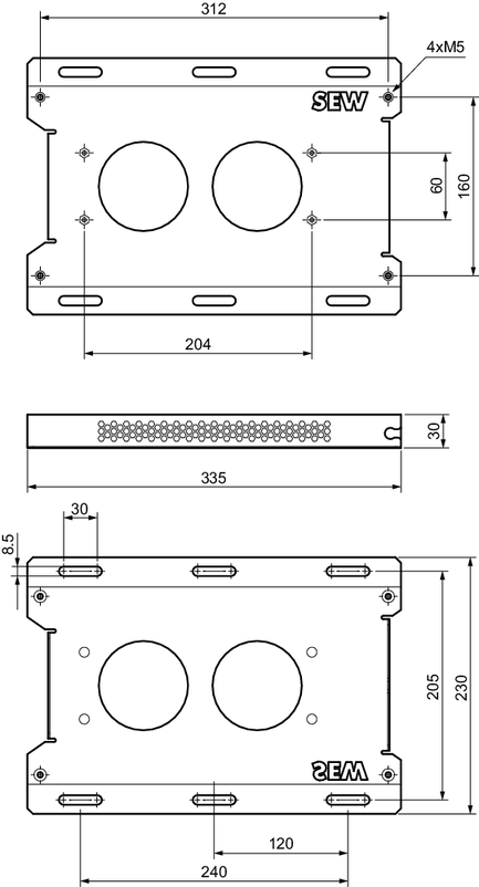
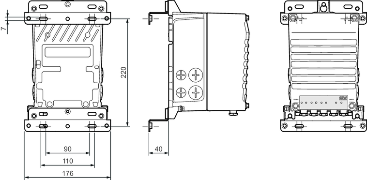
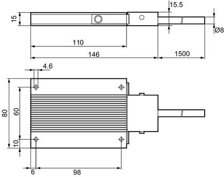
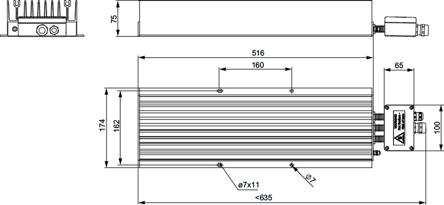
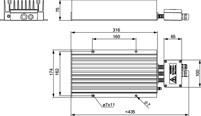
  • 设备尺寸图

功能安全相关的项目设计

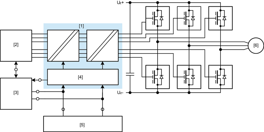
  • 安全技术规定

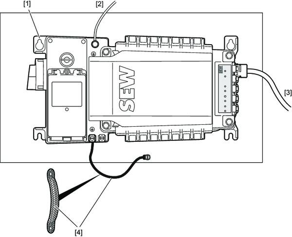
设备构造

  • MOVIMOT® flexible DFC型号描述

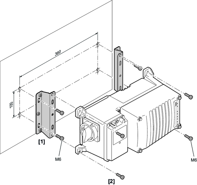
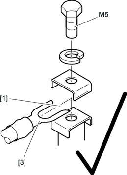
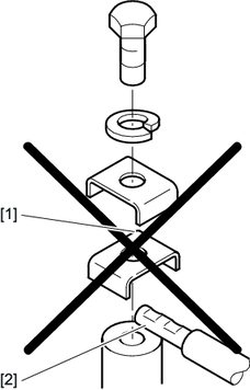
机械安装

  • 安装设备
  • 使用安装面板M01安装设备
  • 使用安装面板M31安装设备
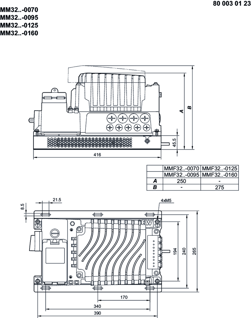
  • 安装配安装板M32的设备

电气安装

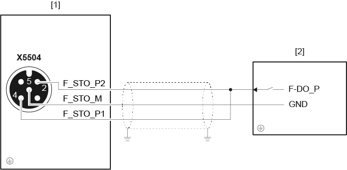
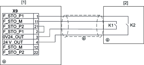
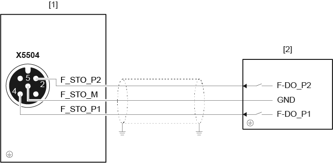
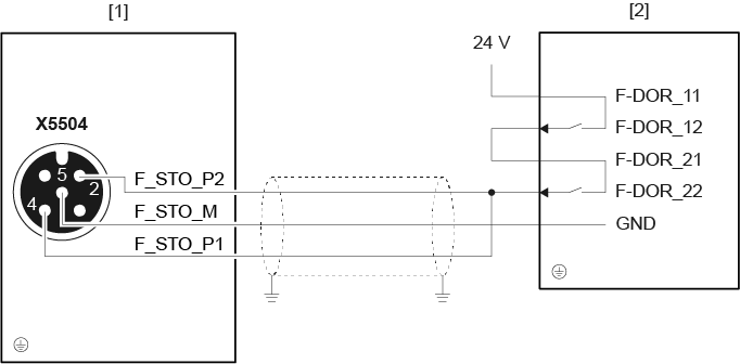
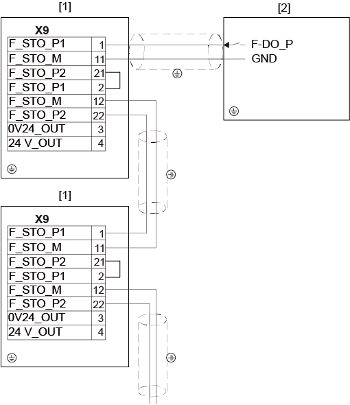
  • MOVIMOT® flexible DFC的端子分配
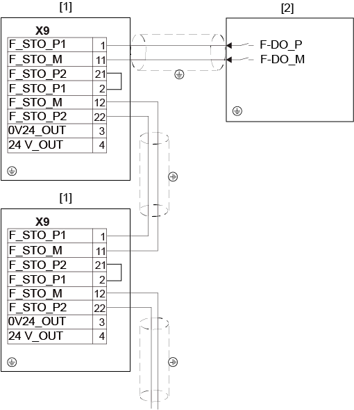
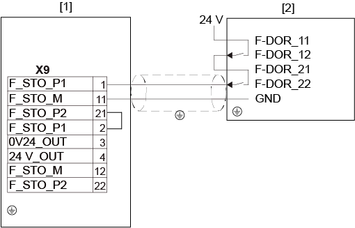
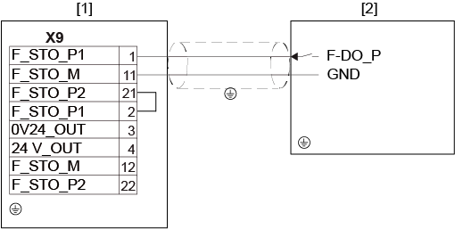
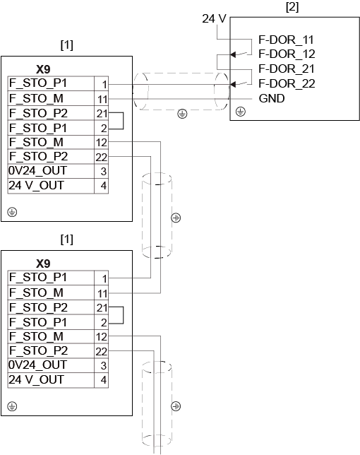
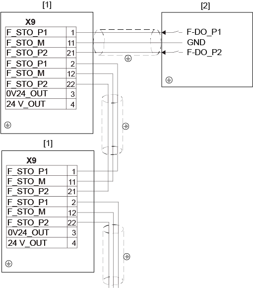
  • MOVIMOT® flexible DFC的接线图
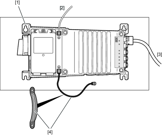
  • 电缆穿引与电缆屏蔽
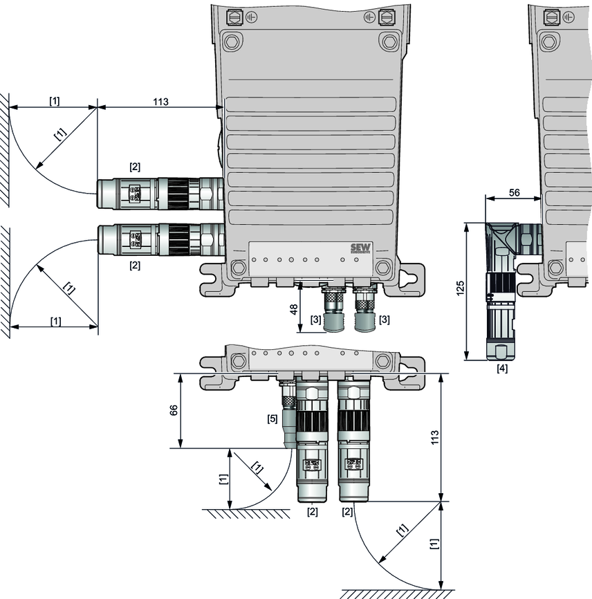
  • 规格MMF1../DFC..和MMF1../DSI..的插接头位置
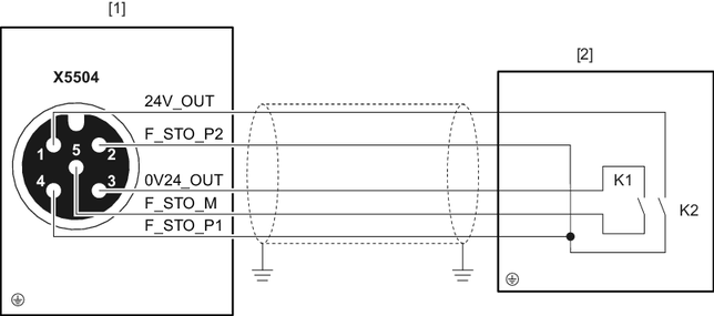
  • 规格MMF31../DFC..和MMF31../DSI..的插接头位置
  • 规格MMF32../DFC..和MMF32../DSI..的插接头位置
  • 电子设备盖板DFC..的插接头位置
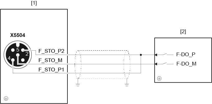
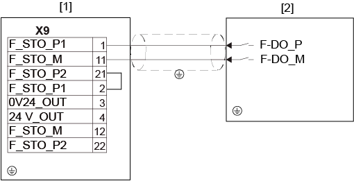
  • 带安全数字量输入端的电子设备盖板DFC的插接头位置
  • 计算机连接

调试

  • DIP开关
  • 调试非SEW电机
  • 调试带MOVILINK® DDI接口的电机
  • 通过工程设计软件MOVISUITE®进行调试
  • 使用操作面板CBG21A进行调试
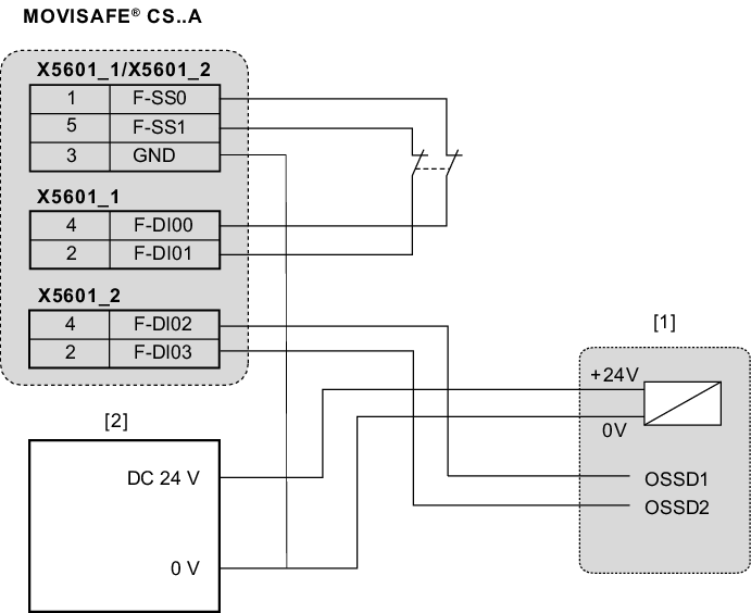
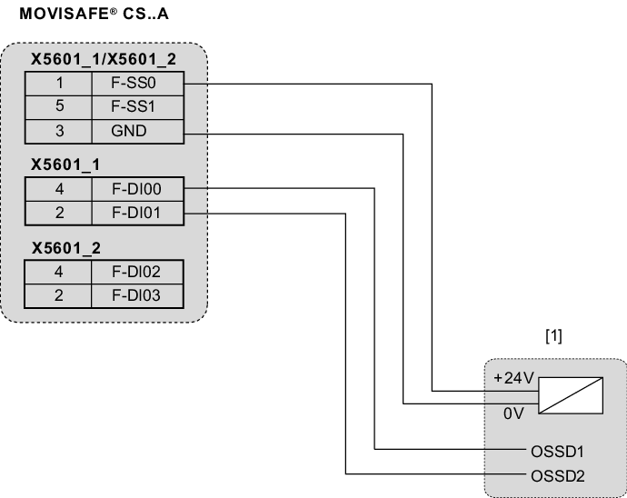
  • 调试安全选件MOVISAFE® CS..A
  • 根据安全协议调试安全选件

操作

  • 维护开关
  • DynaStop®
  • IT安全

服务

  • 状态和运行状态显示
  • PROFINET IO LED状态指示灯的概览
  • EtherNet/IP™、Modbus TCP LED状态指示灯的概览
  • 概览:POWERLINK的LED指示灯
  • 一般LED指示灯
  • 用于PROFINET IO的LED总线指示灯
  • 用于EtherNet/IP™和Modbus TCP的LED总线指示灯
  • 用于POWERLINK的LED总线指示灯
  • 标准故障说明
  • CiA402配置文件故障描述
  • 安全选件CS..A故障说明
  • 设备更换

检查与维护

  • 更换接线盒和电子设备盖板之间的密封垫

新的功能

  • 操作用于电机、制动器和温度传感器的端子X2_B

    查看更多信息...

SEW-EURODRIVE GmbH & Co KG

版本: 02/2026

© Copyright: 2026

关键词索引

MOVIMOT® flexible DFC

语言

  • Deutsch
  • English
  • Español
  • Brasileiro
  • 汉语
SEW-EURODRIVE LogoSEW-EURODRIVE
  • 首页