How can we help?
Important topics
Project planning for functional safety
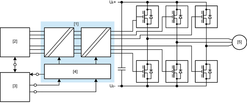
Device structure
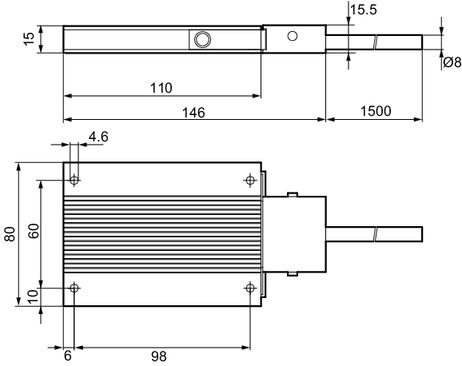
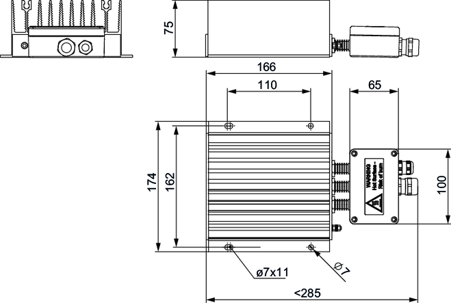
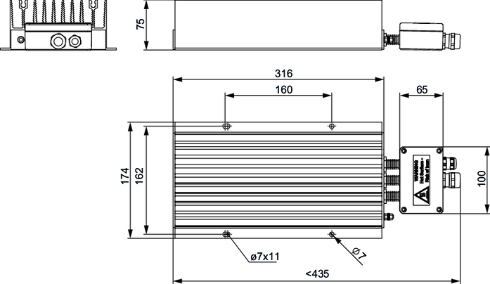
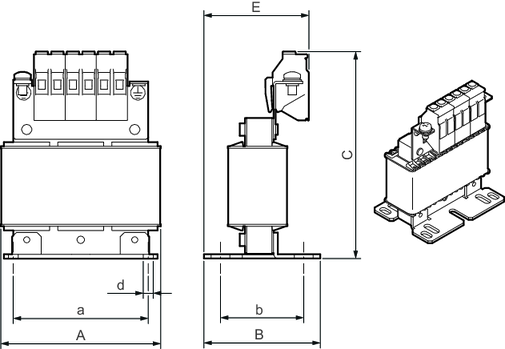
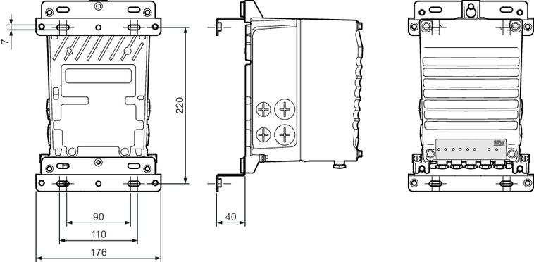
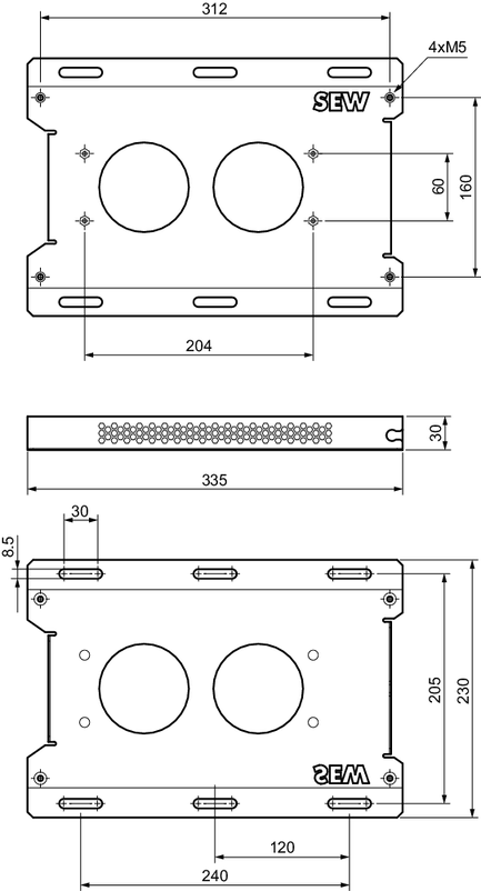
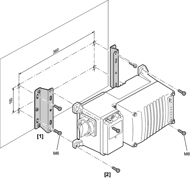
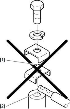
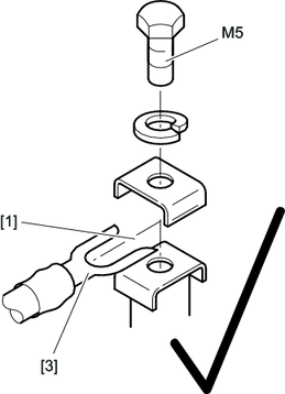
Mechanical installation
Electrical installation
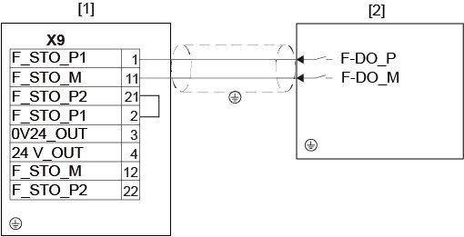
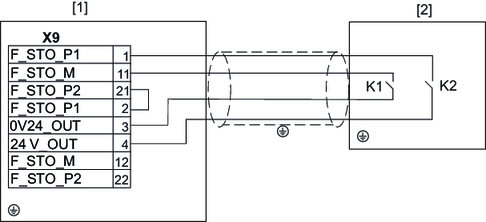
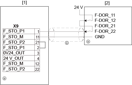
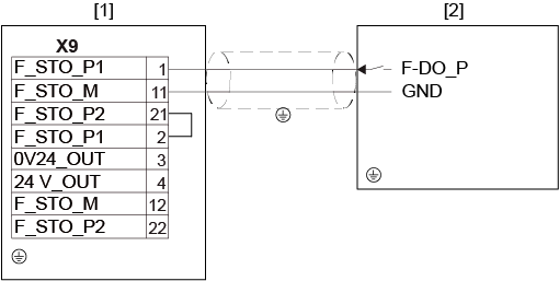
- Terminal assignment of MOVIMOT® flexible DBC
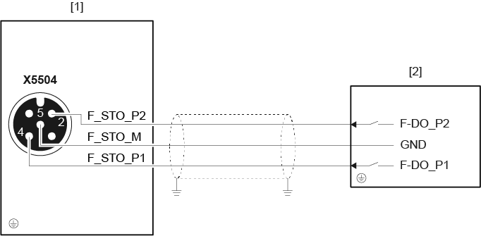
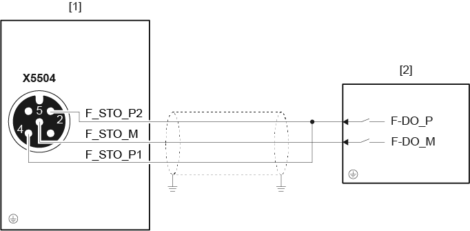
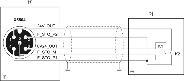
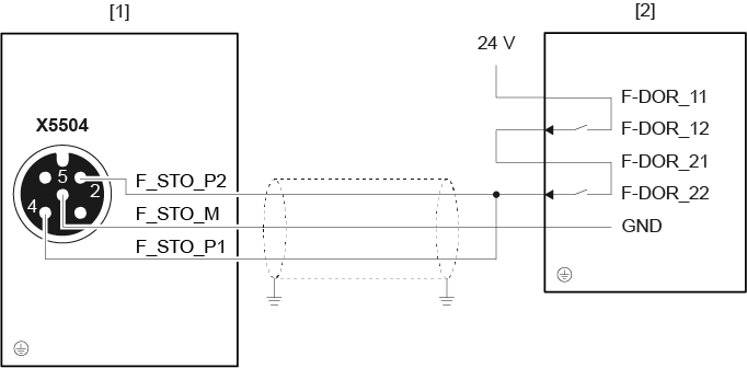
- Electrical installation – functional safety
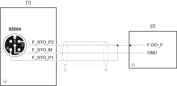
- Connection diagram MOVIMOT® flexible DBC
- Cable routing and cable shielding
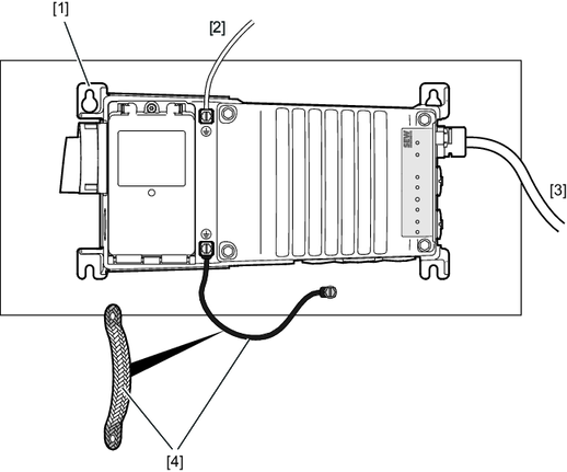
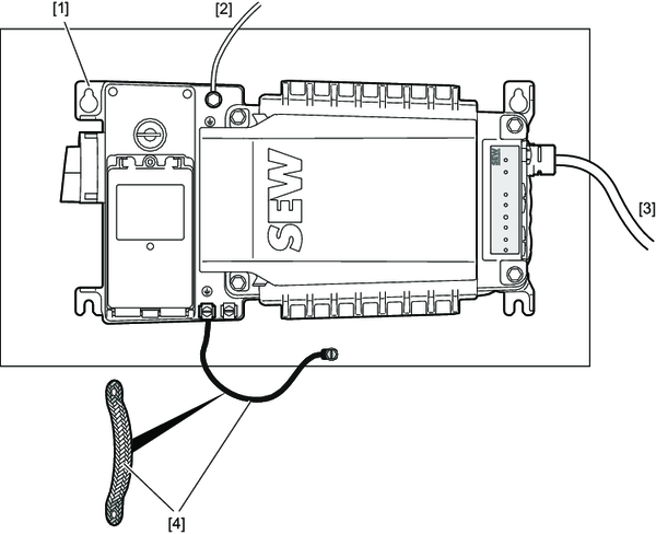
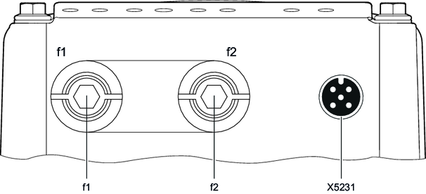
- Connector positions of MMF1../DBC.. design
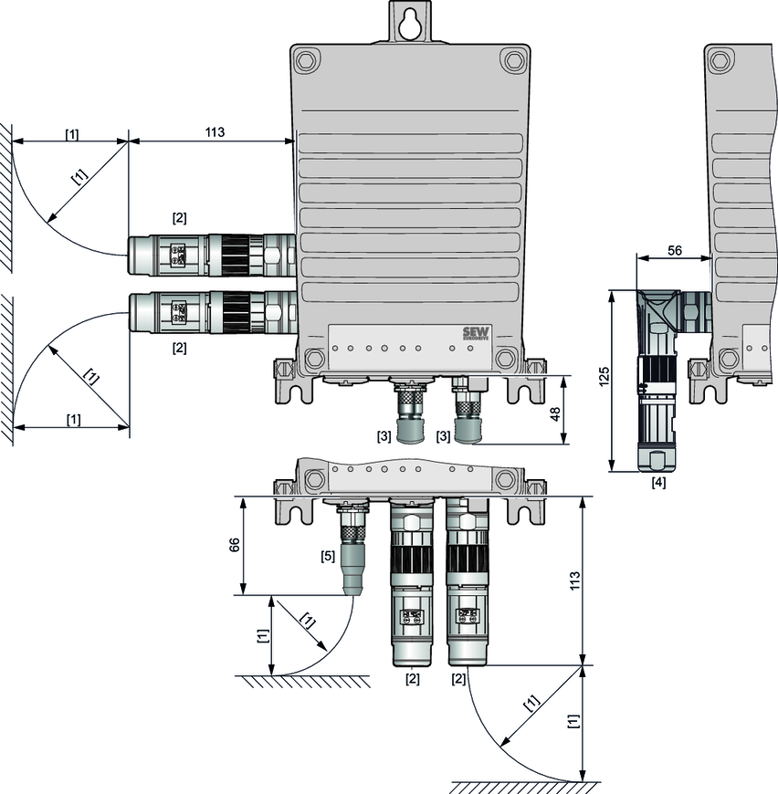
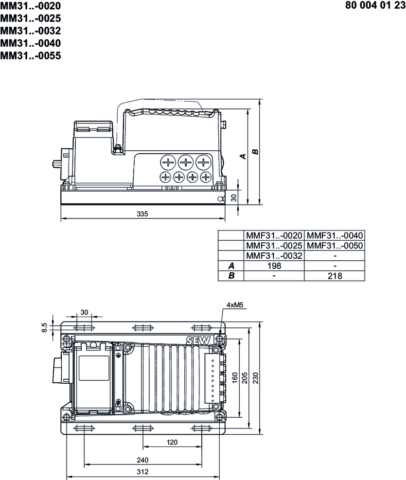
- Connector positions MMF31../DBC.. design
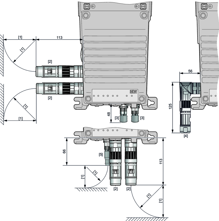
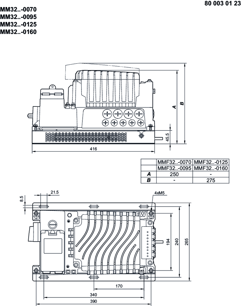
- Connector positions of MMF32../DBC.. design
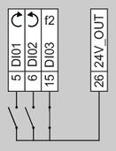
- Connector positions at the DBC.. electronics cover
- PC connection
Startup
Service
Inspection and maintenance
New functions

MOVIMOT® flexible MMF31S14.. with Han® Q connector
Find out more...
Activating terminals X2_B for motor, brake and temperature sensor
Find out more...



















































































































































































































































































































































