Instalación eléctrica
Información adicional
- Planificación de la instalación en función de la compatibilidad electromagnética
- Normativas de instalación
- Tensión de alimentación de 24 V
- Evaluación de temperatura
- Conexión de las bornas de señal
- Entradas/salidas
- Pasarelas, módulos de comunicación y guiado de cables
- Filtro de red CNF..
- Asignación de bornas
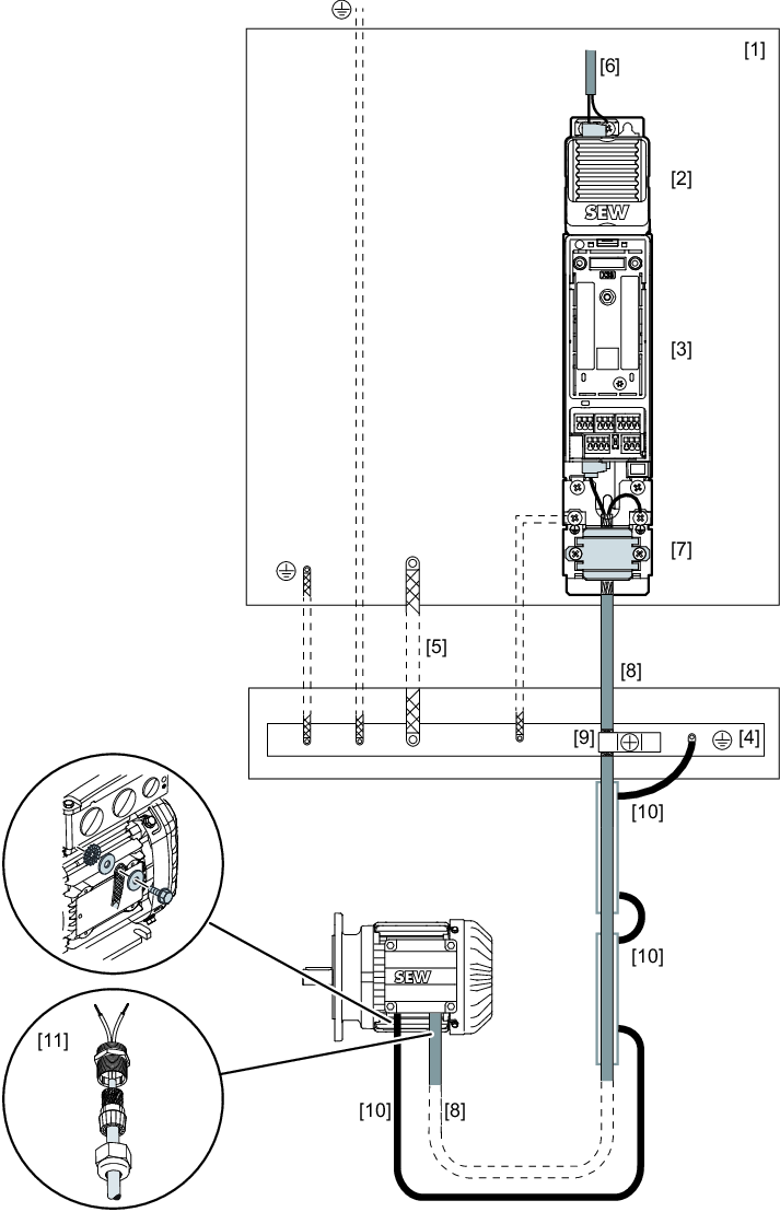
- Esquemas de conexiones
- Conexión de PC

























