EG7., AG7. rotary encoder - DR..160 – 280, DRN132M – 280 motors

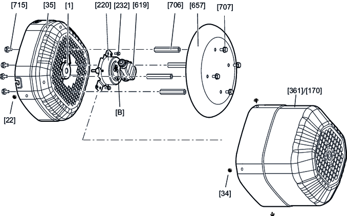
[1] | Rotor | [361] | Safety cover |
[22] | Screw | [619] | Connection cover |
[34] | Tapping screw | [657] | Canopy |
[35] | Fan guard | [706] | Spacer bolt |
[170] | Forced cooling fan | [707] [715] | Screws |
[220] | Encoder | [B] | Central retaining screw |
[232] | Screws |
Additional information
