¿Cómo podemos ayudarle?
Temas importantes
Planificación de proyecto de seguridad funcional
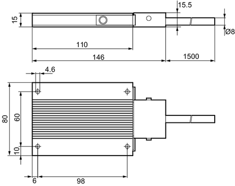
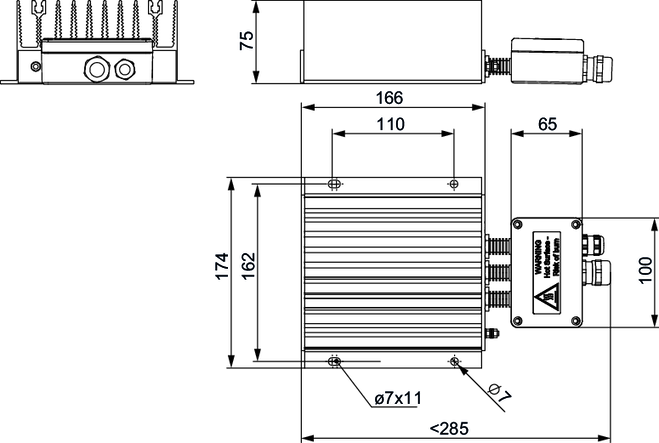
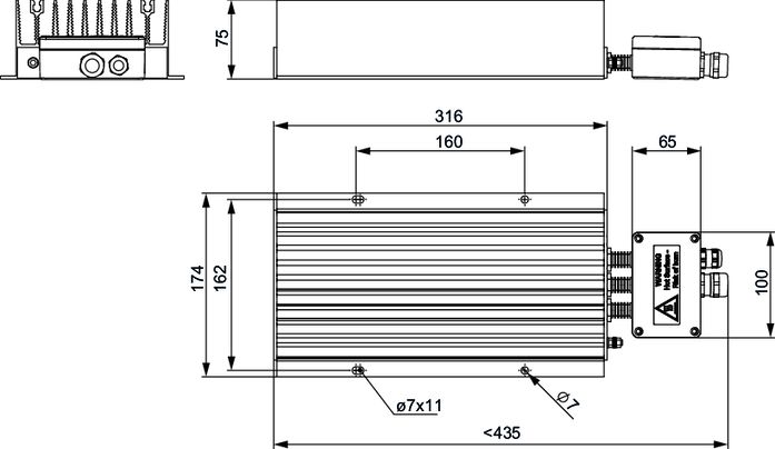
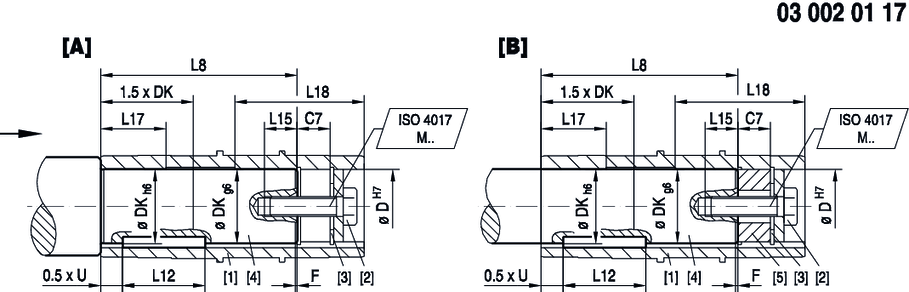
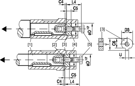
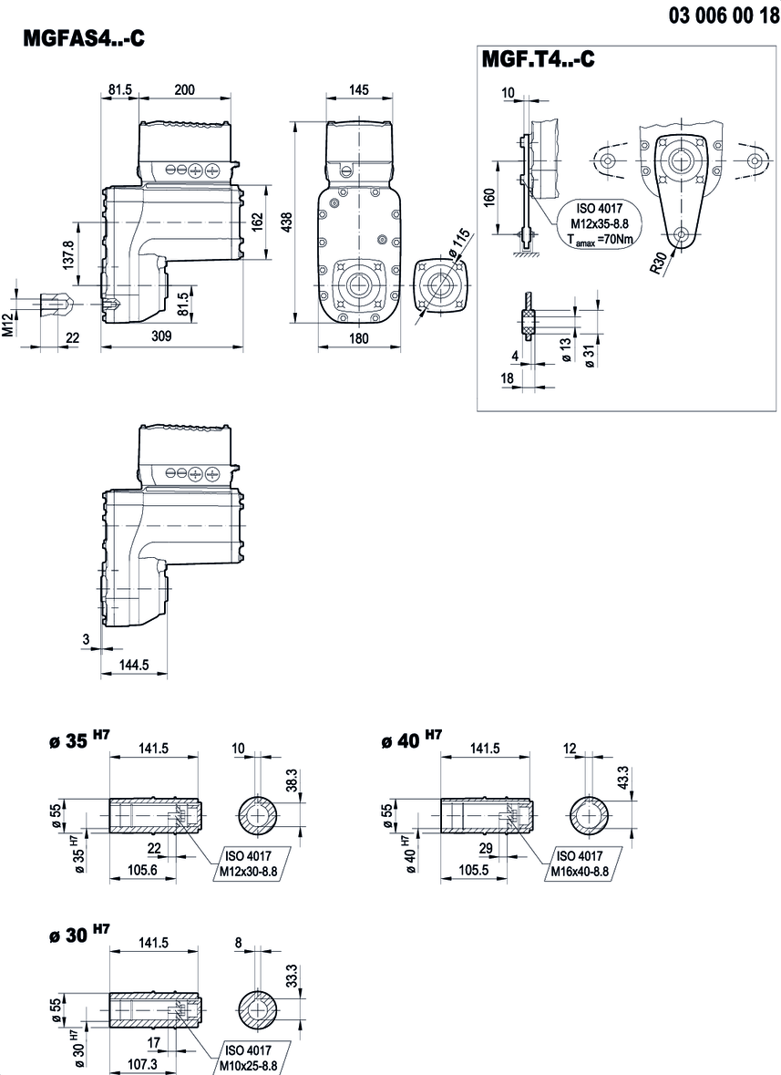
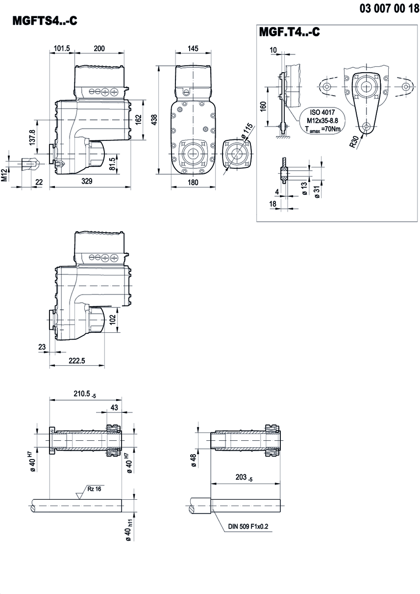
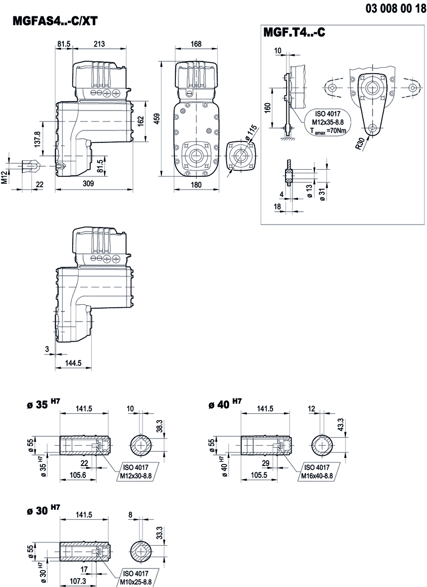
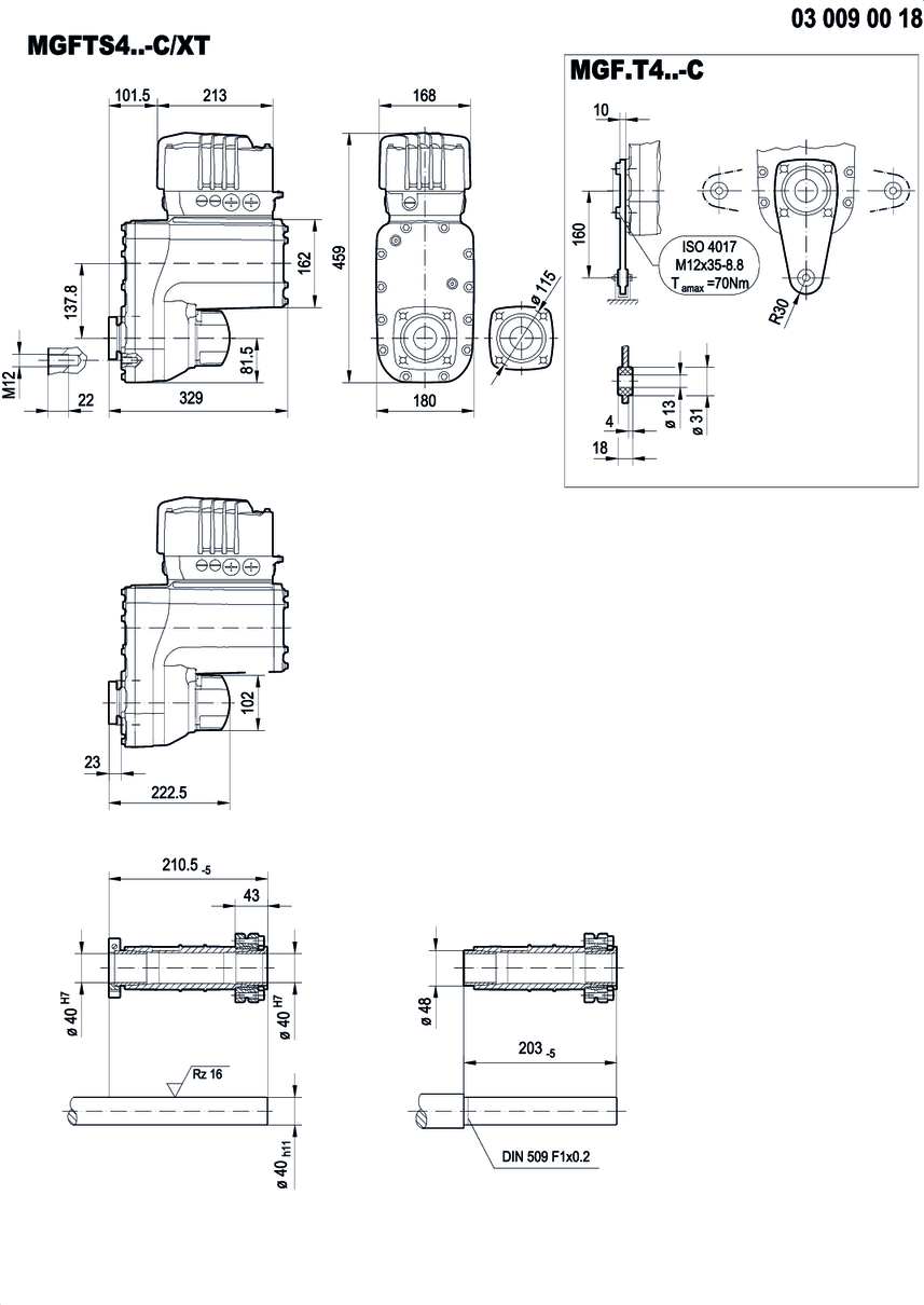
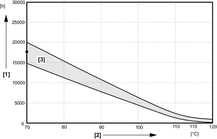
Estructura de la unidad
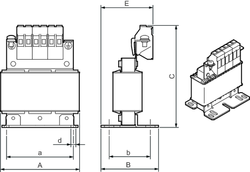
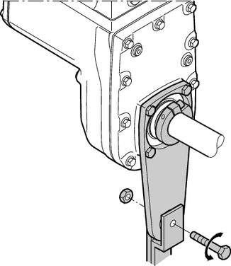
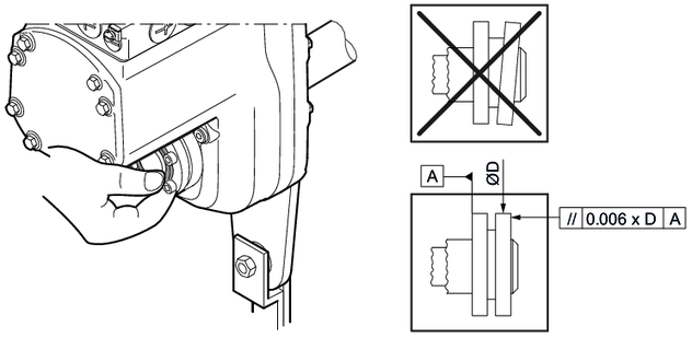
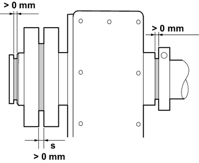
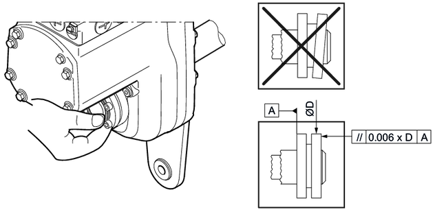
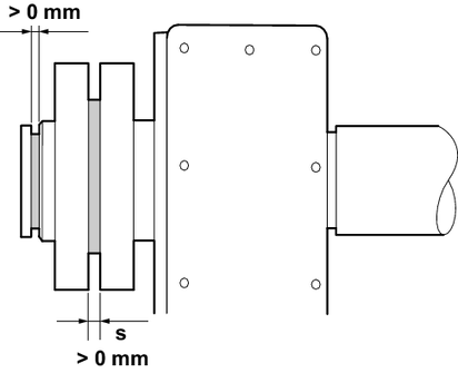
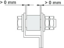
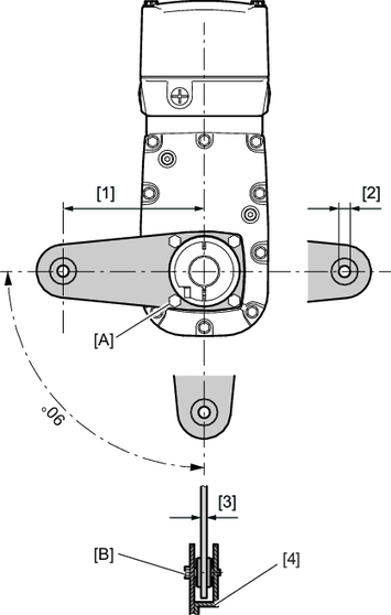
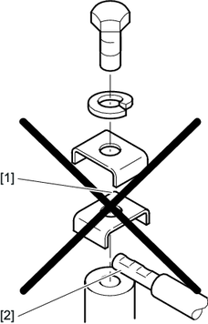
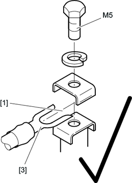
Instalación mecánica
Instalación eléctrica
- Planificación de la instalación en función de la compatibilidad electromagnética
- Conexión equipotencial
- Asignación de bornas MOVIGEAR® performance DAC
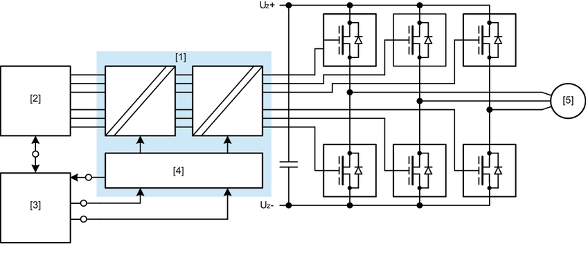
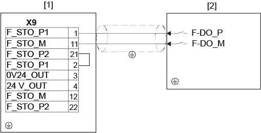
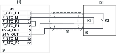
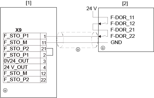
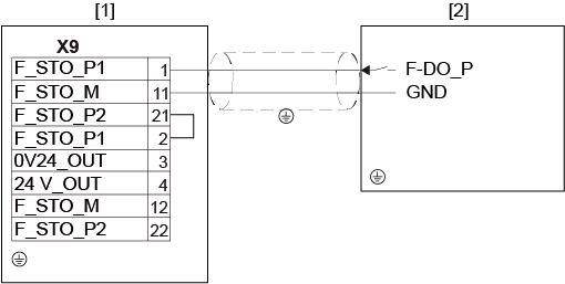
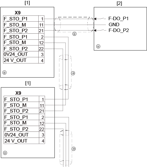
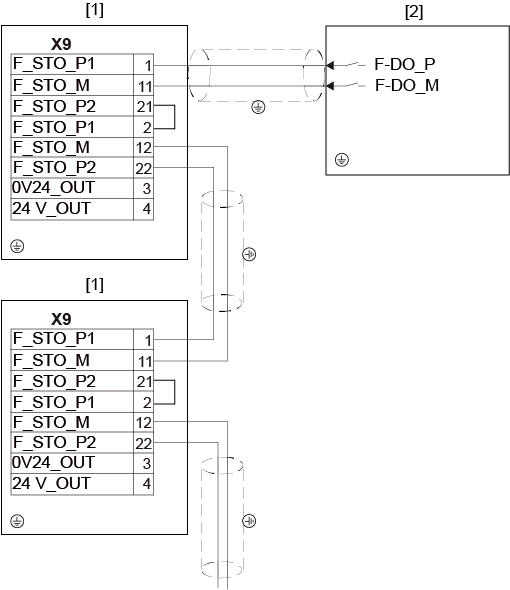
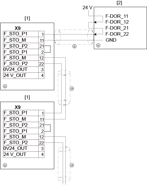
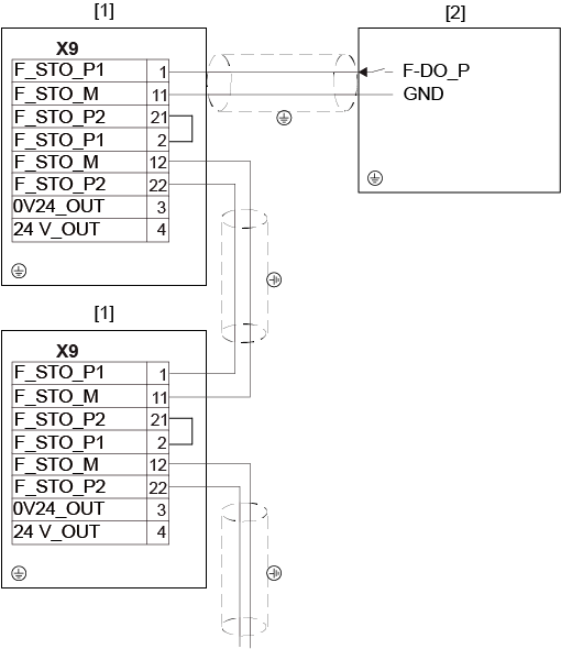
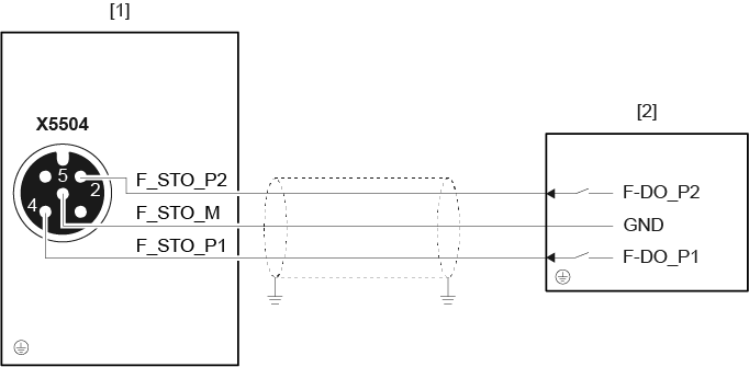
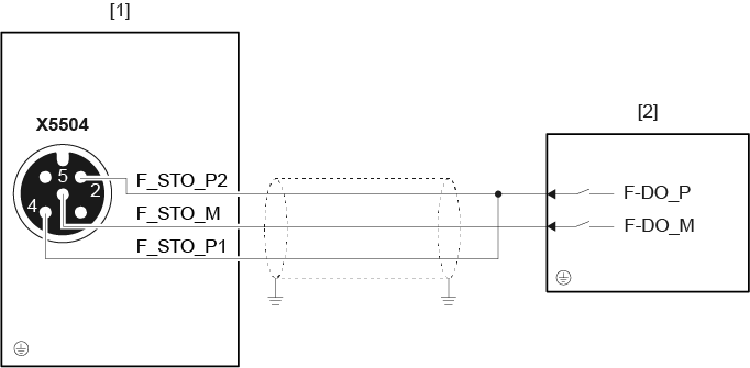
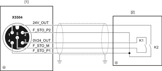
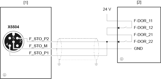
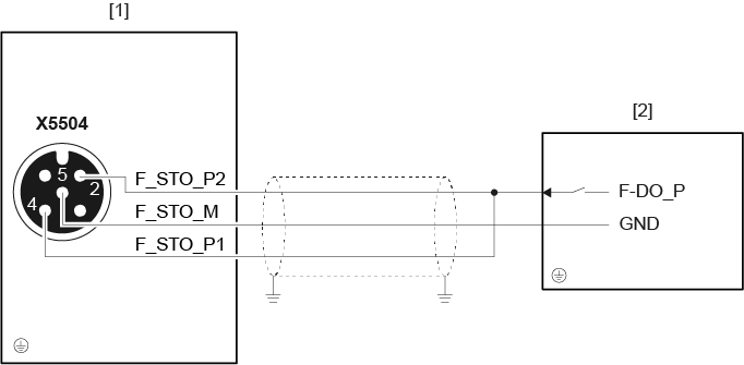
- Esquema de conexiones de MOVIGEAR® performance DAC
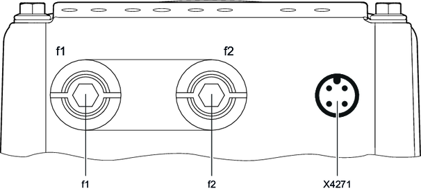
- Posiciones de conectores de la unidad de accionamiento MOVIGEAR® performance DAC
- Posiciones de los conectores enchufables de tapa de la electrónica DAC..
- Conexión PC








































































































































































































































































































































































