我们能提供什么帮助?

重要主题

技术数据

  • MOVIMOT® flexible技术数据
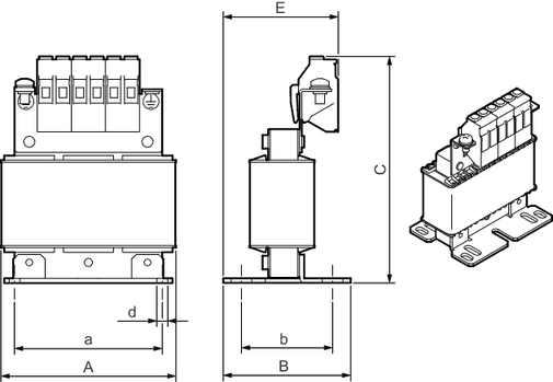
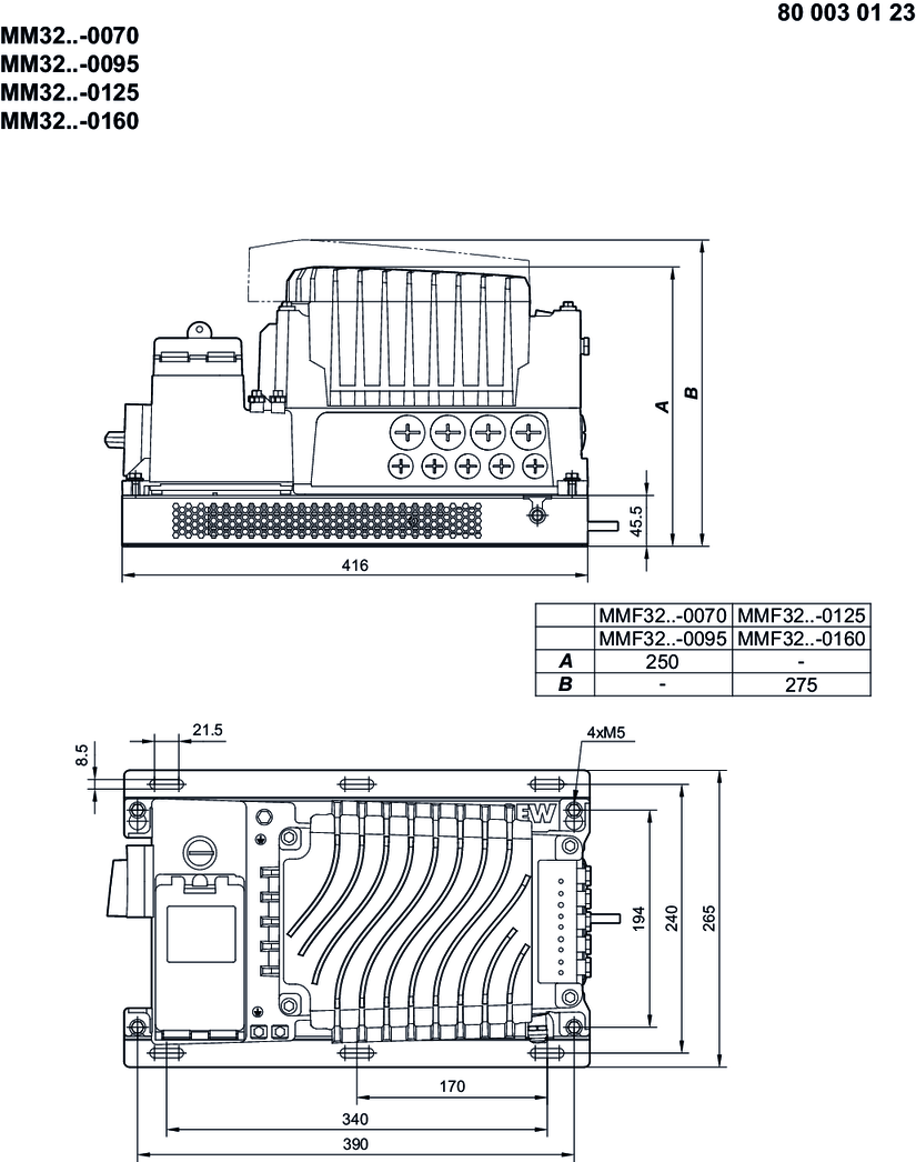
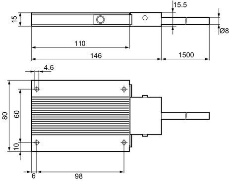
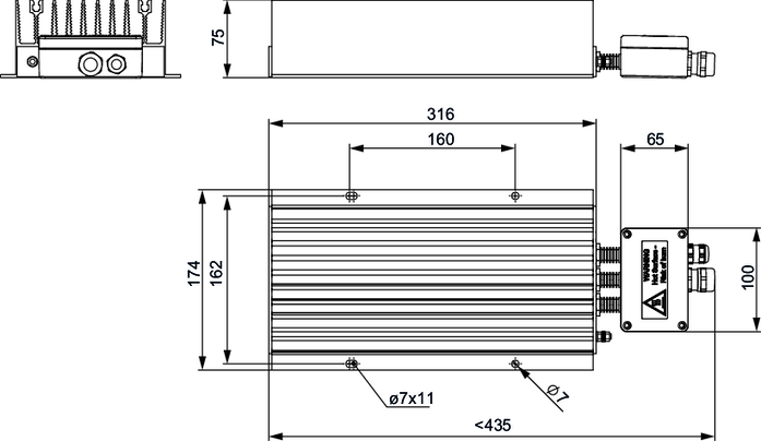
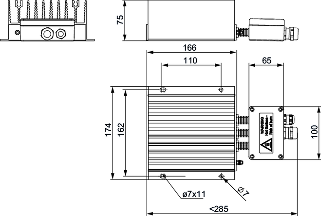
  • 设备尺寸图

功能安全相关的项目设计

  • 安全技术规定

设备构造

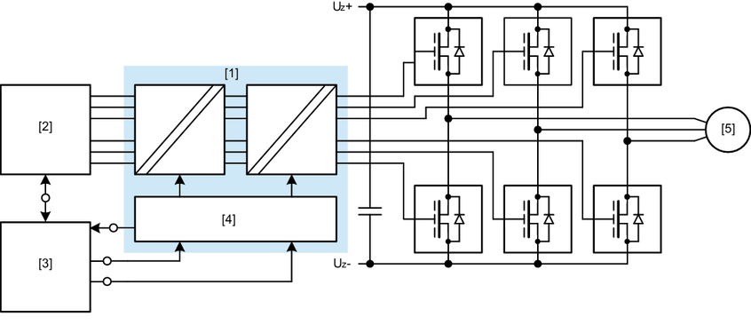
  • MOVIMOT® flexible DAC型号描述

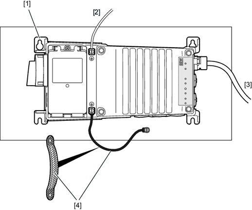
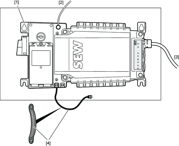
机械安装

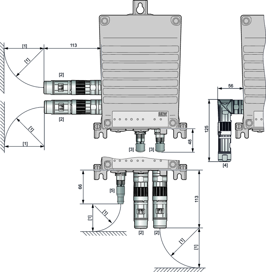
  • 安装设备
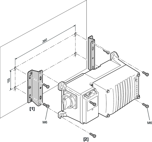
  • 使用安装面板M01安装设备
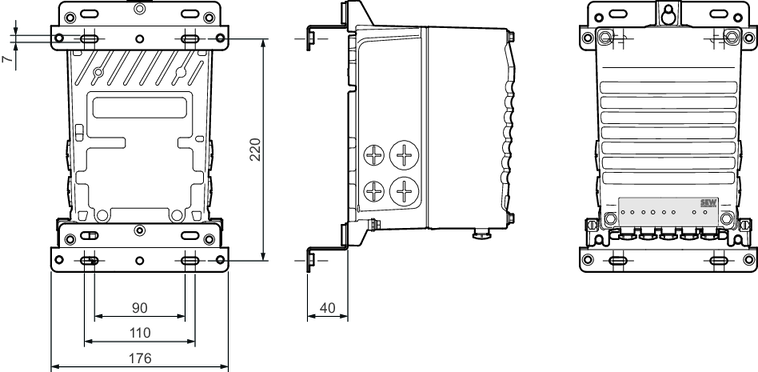
  • 使用安装面板M31安装设备
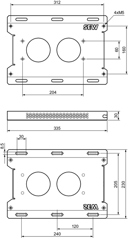
  • 安装配安装板M32的设备

电气安装

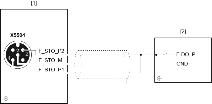
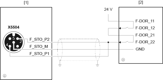
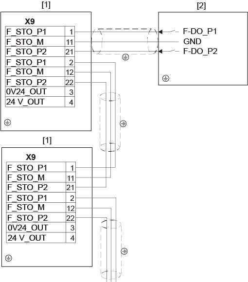
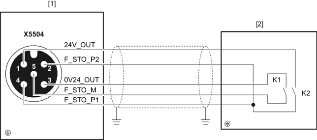
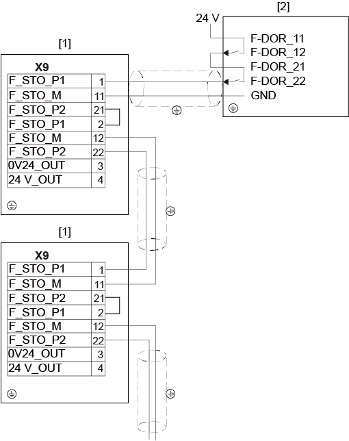
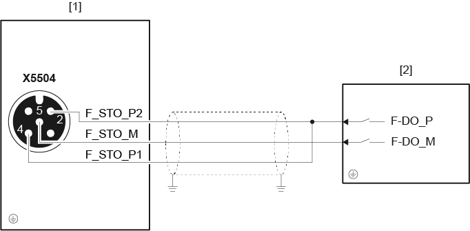
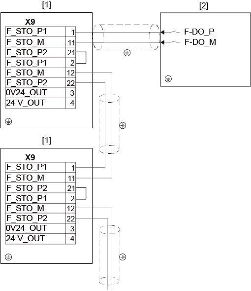
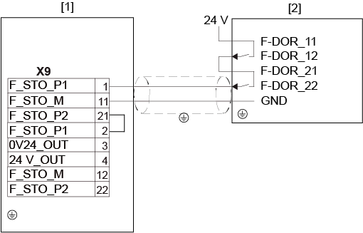
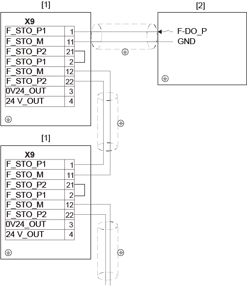
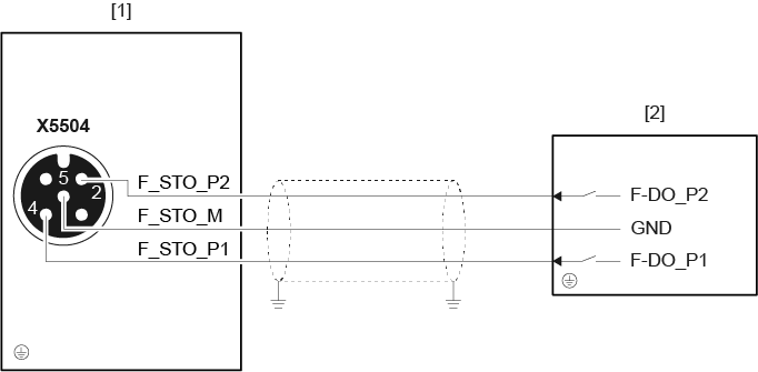
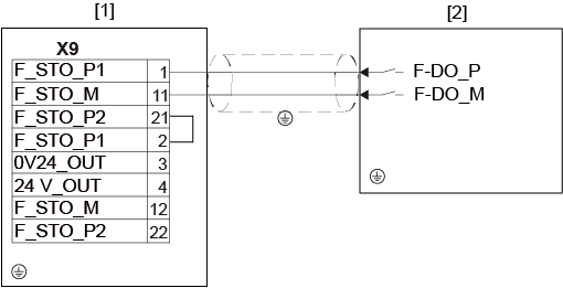
  • MOVIMOT® flexible DAC的端子分配
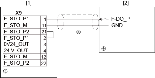
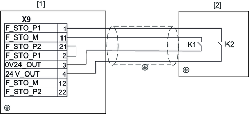
  • MOVIMOT® flexible DAC的接线图
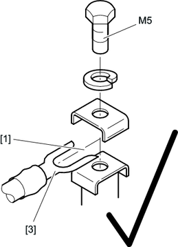
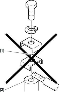
  • 电缆穿引与电缆屏蔽
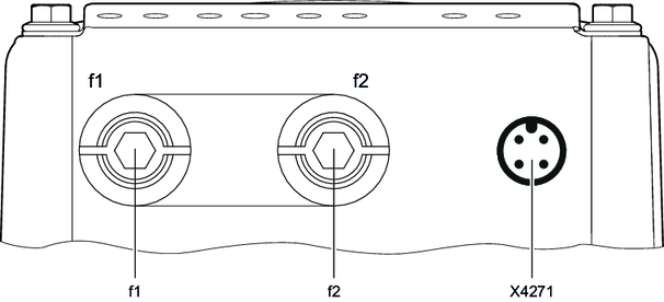
  • 规格MMF1../DAC..的插接头位置
  • 规格MMF31../DAC..的插接头位置
  • 规格MMF32../DAC..的插接头位置
  • 电子设备盖板DAC..的插接头位置
  • 计算机连接

调试

  • 操作元件
  • DIP开关
  • 调试非SEW电机
  • 调试带MOVILINK® DDI接口的电机
  • 通过工程设计软件MOVISUITE®进行调试
  • 使用操作面板CBG21A进行调试
  • 过程数据配置

操作

  • 维护开关
  • DynaStop®
  • IT安全

服务

  • 状态和运行状态显示
  • 概览:AS-i接口的LED指示灯
  • 一般LED指示灯
  • 用于AS接口的LED总线指示灯
  • 故障描述
  • 设备更换

检查与维护

  • 更换接线盒和电子设备盖板之间的密封垫

新的功能

  • MOVIMOT® flexible MMF31S14..配插接头Han® Q

    查看更多信息...
  • 操作用于电机、制动器和温度传感器的端子X2_B

    查看更多信息...

SEW-EURODRIVE GmbH & Co KG

版本: 02/2026

© Copyright: 2026

关键词索引

MOVIMOT® flexible DAC

语言

  • Deutsch
  • English
  • Español
  • Brasileiro
  • 汉语
SEW-EURODRIVE LogoSEW-EURODRIVE
  • 首页