Integrated safety technology
Additional information
- Type designation
- Overview of the safety options
- Safe state
- STO safety concept
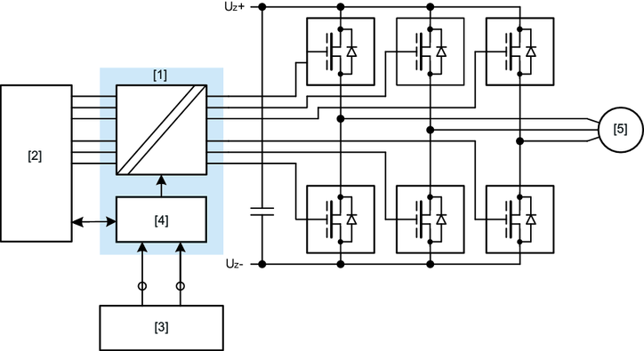
- Schematic representation of the safety concept with CSO safety option
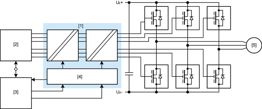
- Schematic representation of the safety concept with MOVISAFE® CS..A safety option
- MOVISAFE® CS..A safety concept
- Safety subfunctions according to EN 61800-5-2
- Limitations
- Safety concept of Assist CS..













