How can we help?
Important topics
Project planning information
Licensing
Startup
Startup procedure
Configuration
Basic settings
Application examples
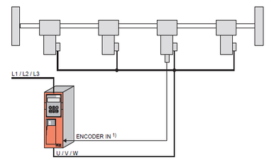
Referencing an axis group
New help content
Behavior of the software limit switches
Find out more...
Optimization monitor
Find out more...
MOVIKIT® MultiAxisController
Language
Deutsch
English
SEW-EURODRIVE
Home