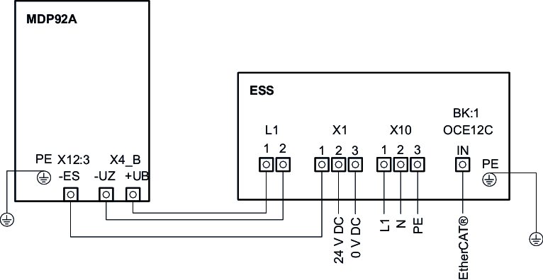
Connecting the ESS low temperature variant
- For the low temperature variant, you need to additionally connect a power supply for the heater.
- Install an external back-up fuse according to the heater manufacturer's specifications.
- Install a cable for connecting the heater. Match the cross section of this cable to the back-up fuse.

Additional information
