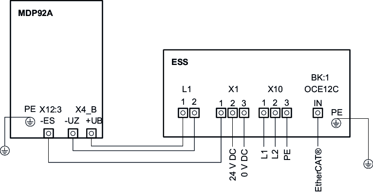
Connecting the ESS high temperature variant
- For the high temperature variant, you need to additionally connect a power supply for the cooling unit.
- Install an external back-up fuse according to the cooling unit manufacturer's specifications.
- Install a cable for connecting the cooling unit. Match the cross section of this cable to the back-up fuse.

Additional information
