Caractéristiques techniques
Informations complémentaires
- Marquages
- Caractéristiques techniques générales
- Conditions environnantes
- Caractéristiques techniques de l'appareil de base MDX9.A.. 3 × AC 380 – 500 V
- Caractéristiques techniques de l'appareil de base MDX9.A.. 3 × AC 200 – 240 V
- Caractéristiques électroniques MDX9.A..
- Cartes extension entrées/sorties CIO21A et CID21A
- Carte multicodeur CES11A
- Carte multicodeur avec simulation codeur incrémental CES12A
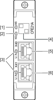
- Carte bus de terrain EtherNet/IP™ et Modbus TCP CFE21A
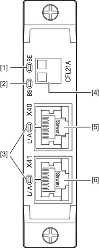
- Carte bus de terrain CFL21A pour POWERLINK
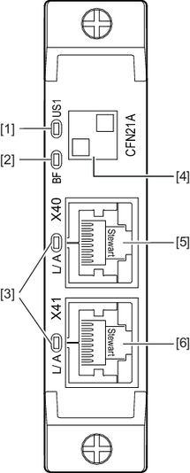
- Carte bus de terrain CFN21A pour PROFINET
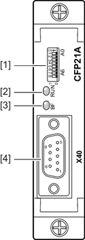
- Carte bus de terrain CFP21A pour PROFIBUS
- Options de sécurité CS..A
- Caractéristiques techniques – Sécurité fonctionnelle
- Module mémoire CMM11A ou CMM21A
- Console de paramétrage CBG11A
- Console de paramétrage CBG21A
- Console opérateur locale CBG22A
- Cadre de fixation pour porte COG11A
- Convertisseur de signaux USM21A
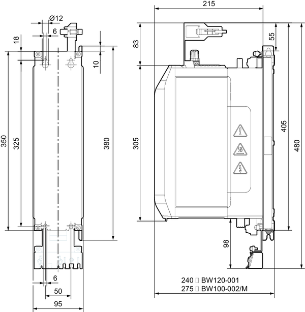
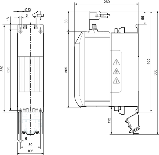
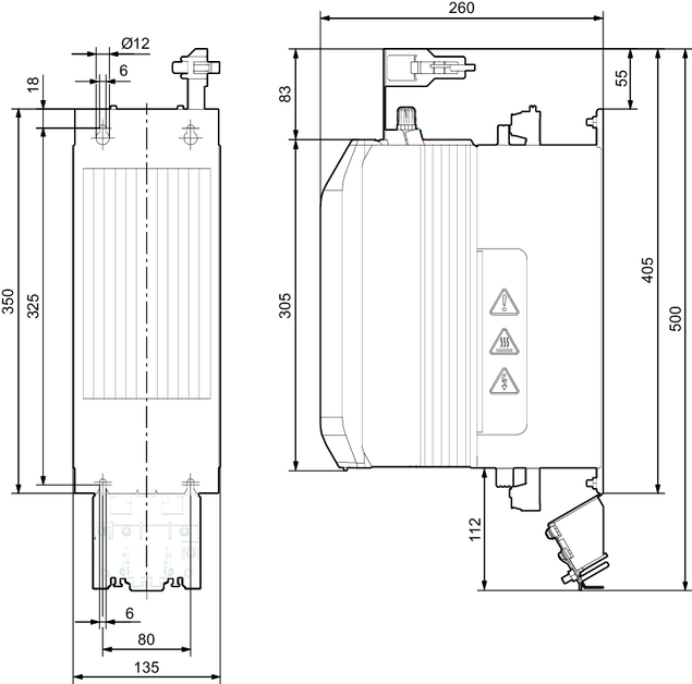
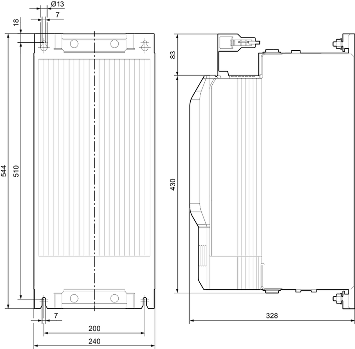
- Résistances de freinage BW.. / BW..-T
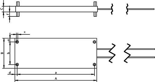
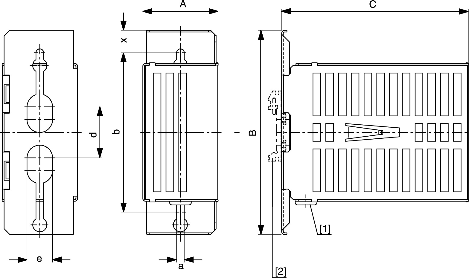
- Filtres réseau NF..
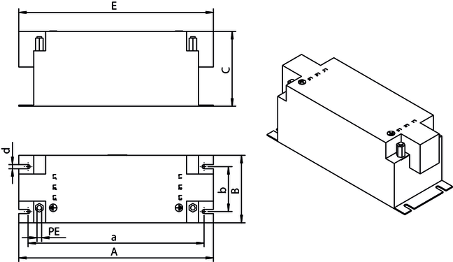
- Selfs réseau ND..
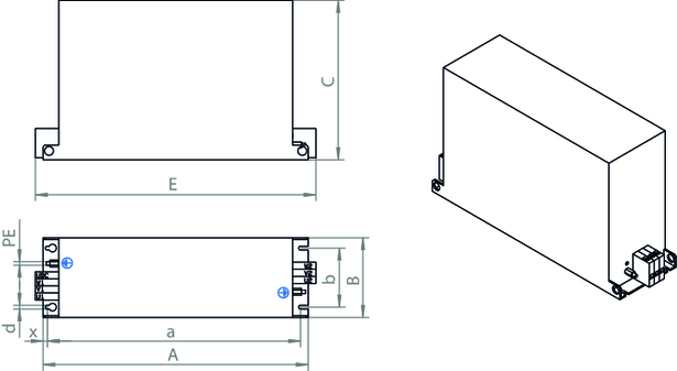
- Filtres de sortie HF..
- Selfs de sortie HD...
- Selfs de circuit intermédiaire ZD..
- Accessoires standards
- Connecteurs
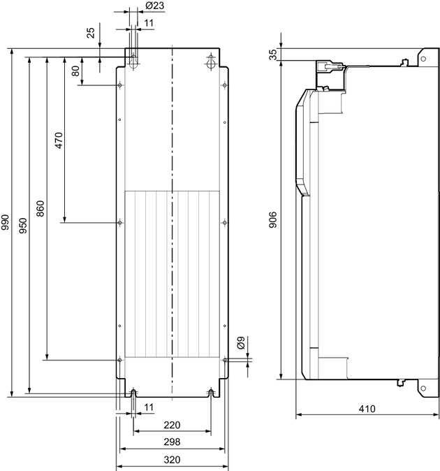
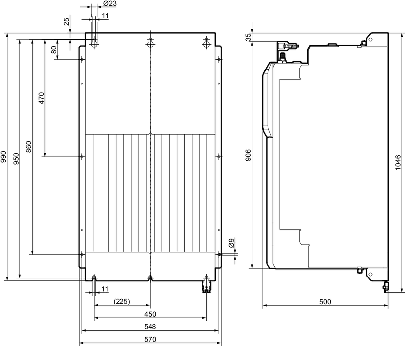
- Cotes

























































































