Installation électrique
Informations complémentaires
- Étude d'une installation sur la base de critères CEM
- Consignes d'installation
- Raccordement aux bornes de puissance
- Tension d'alimentation 24 V
- Fusibles réseau
- Sortie frein hacheur
- Mesure de la température
- Sortie commande de frein
- Entrées et sorties
- Câblage du bus système et du bus modules
- Codeurs
- MOVILINK® DDI
- Câble de bus de terrain et guide-câbles
- Cartes extension entrées/sorties CIO21A et CID21A
- Résistances de freinage BW..
- Selfs réseau ND..
- Filtres réseau NF..
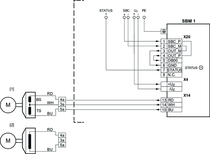
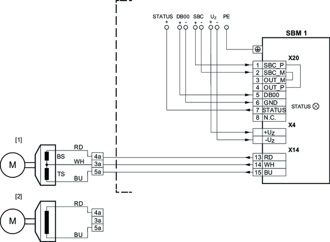
- Affectation des bornes
- Installation électrique – Sécurité fonctionnelle
- Schémas de raccordement
- Raccordement au PC





























































































