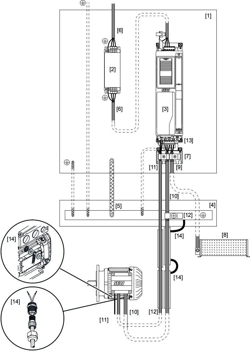
Instalación eléctrica
Información adicional
- Planificación de la instalación en función de la compatibilidad electromagnética
- Normativas de instalación
- Conexión a las bornas de potencia
- Tensión de alimentación de 24 V
- Fusibles de red
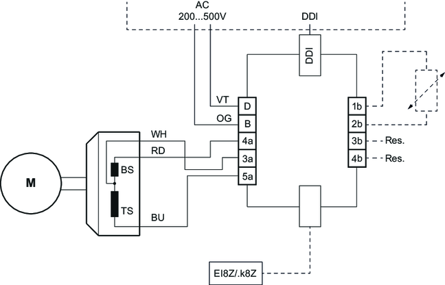
- Salida de freno chopper
- Evaluación de temperatura
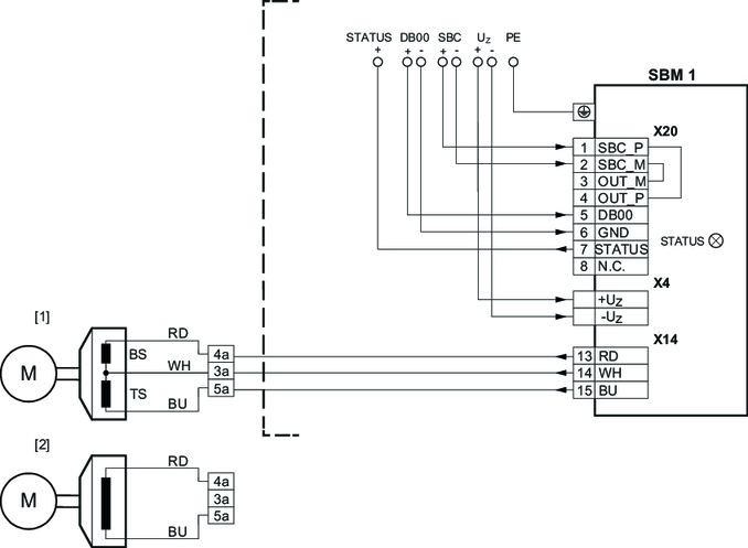
- Salida del control de freno
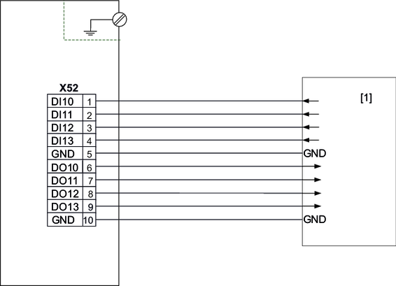
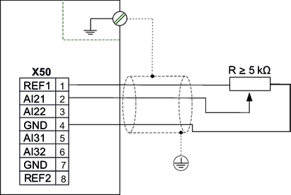
- Entradas/salidas
- Cableado del bus de sistema y del bus del módulo
- Encoder
- MOVILINK® DDI
- Cables de bus de campo y cableado
- Tarjetas entrada/salida CIO21A y CID21A
- Resistencias de frenado BW..
- Reactancia de red ND..
- Filtro de red NF..
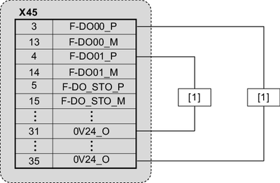
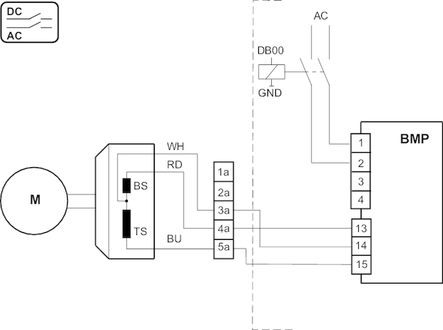
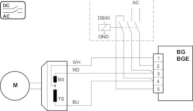
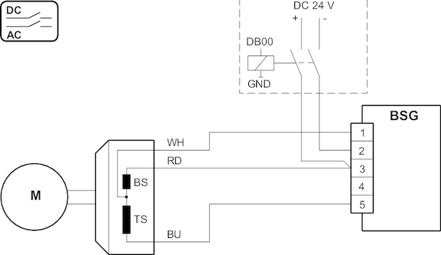
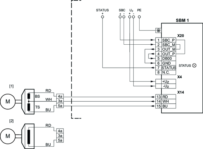
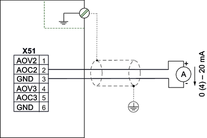
- Asignación de bornas
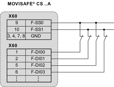
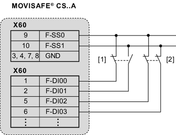
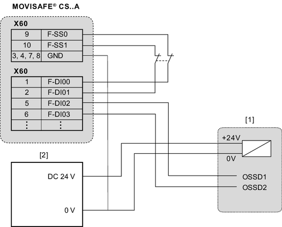
- Instalación eléctrica – Seguridad funcional
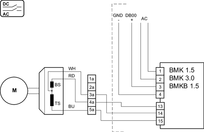
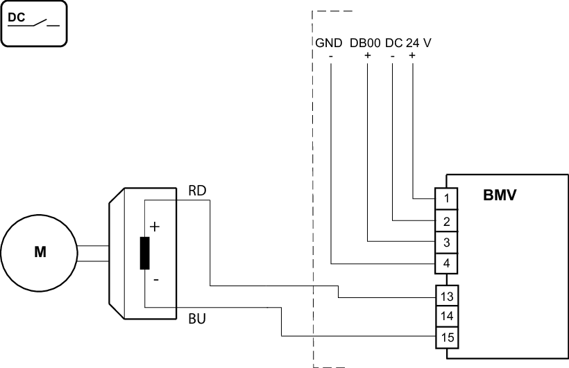
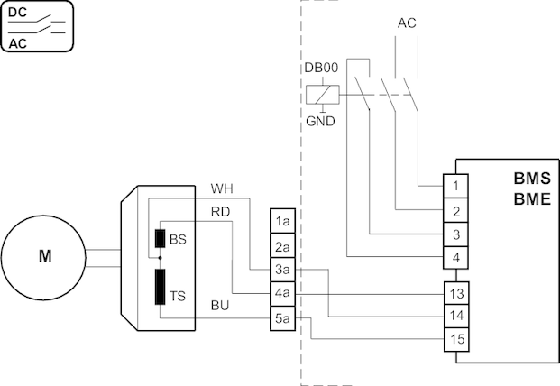
- Esquemas de conexiones
- Conexión de PC





























































































