Installation électrique
Informations complémentaires
- Étude d'une installation sur la base de critères CEM
- Consignes d'installation
- Raccordement aux bornes de puissance
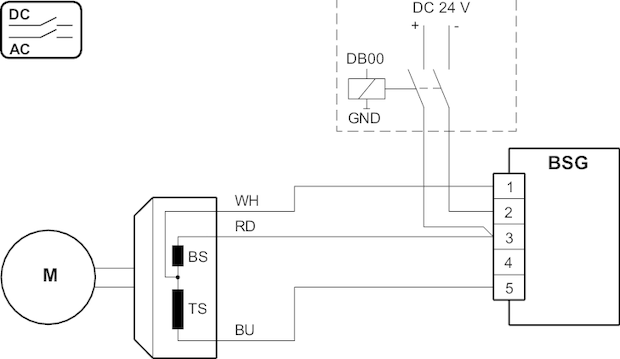
- Tension d'alimentation 24 V
- Fusibles réseau
- Sortie frein hacheur
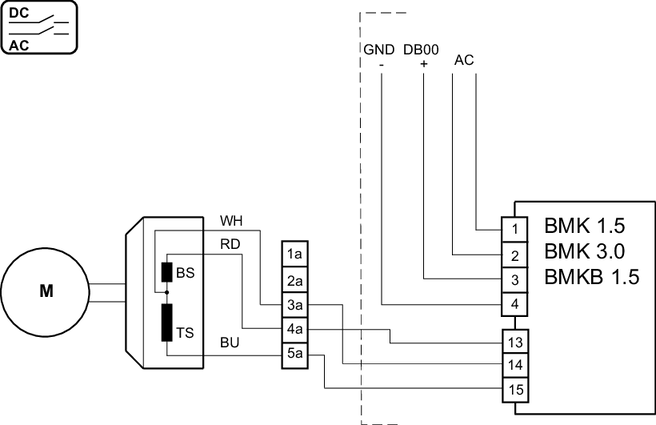
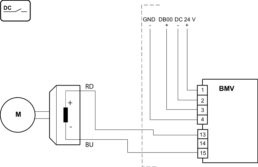
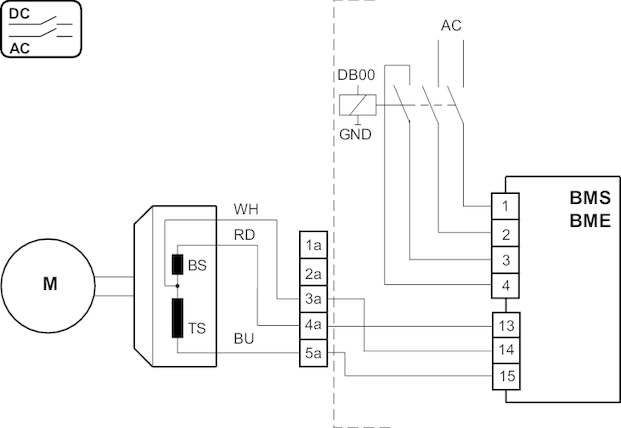
- Mesure de la température
- Sortie commande de frein
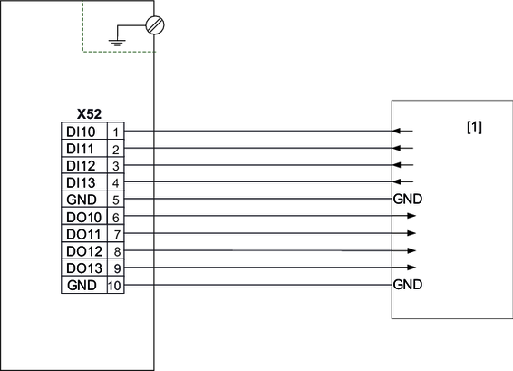
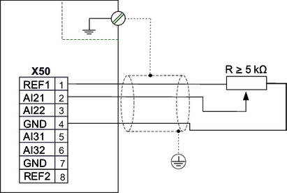
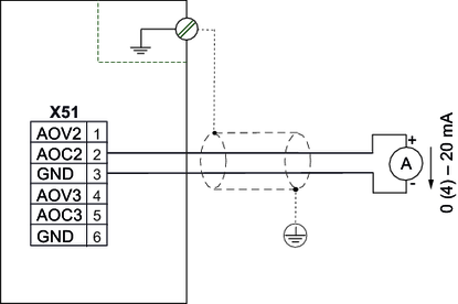
- Entrées et sorties
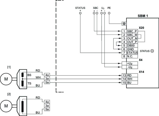
- Câblage du bus système et du bus modules
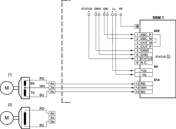
- Codeurs
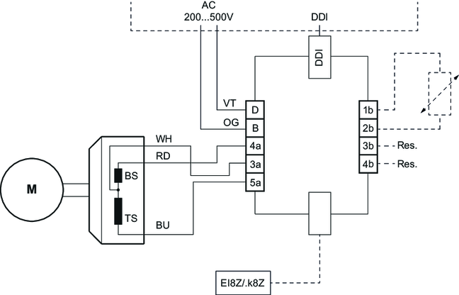
- MOVILINK® DDI
- Cartes extension entrées/sorties CIO21A et CID21A
- Résistances de freinage BW..
- Selfs réseau ND..
- Filtres réseau NF..
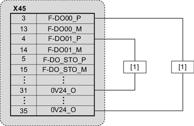
- Affectation des bornes
- Installation électrique – Sécurité fonctionnelle
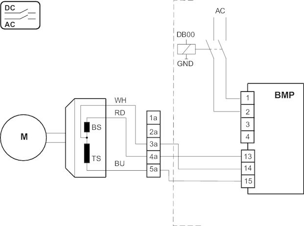
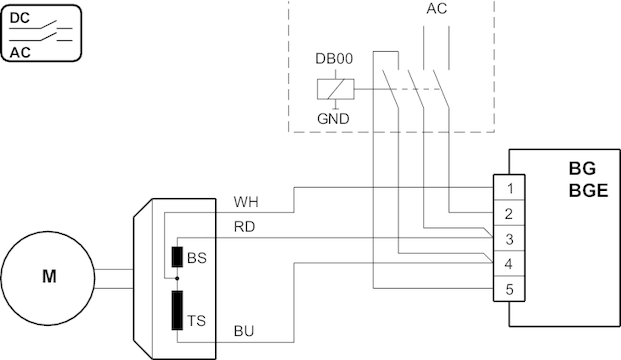
- Schémas de raccordement
- Raccordement au PC

























































































