Como podemos ajudar?
Temas importantes
Planejamento de projeto de funcionamento seguro
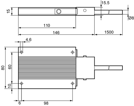
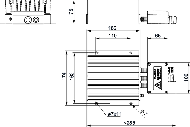
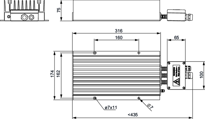
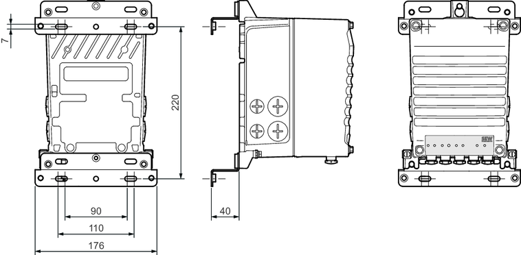
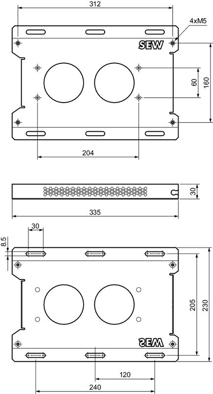
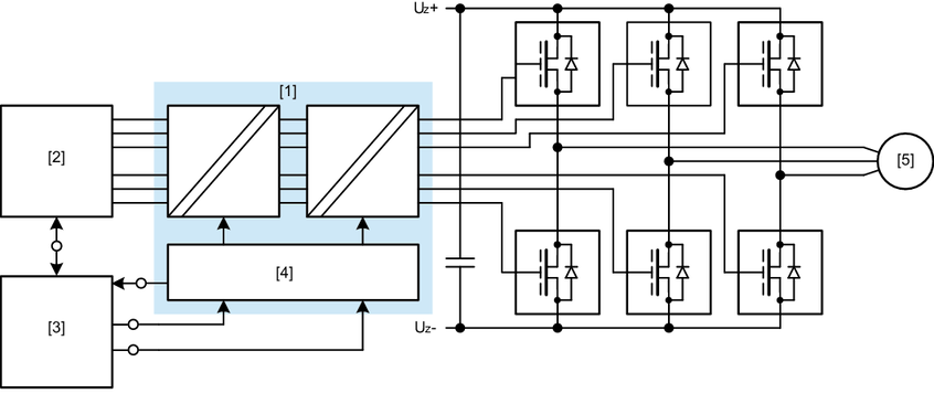
Estrutura da unidade
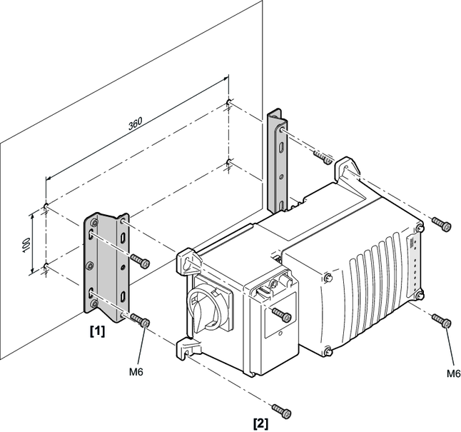
Instalação mecânica
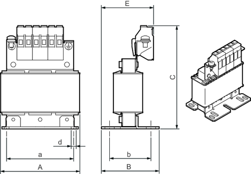
Instalação elétrica
- Programação dos bornes MOVIMOT® flexible DBC
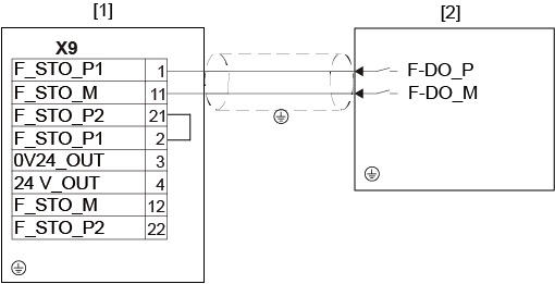
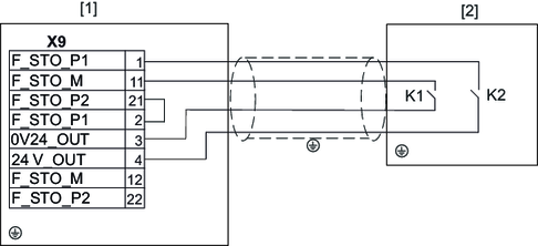
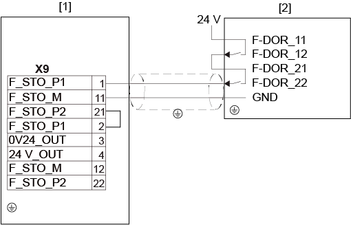
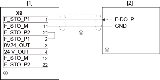
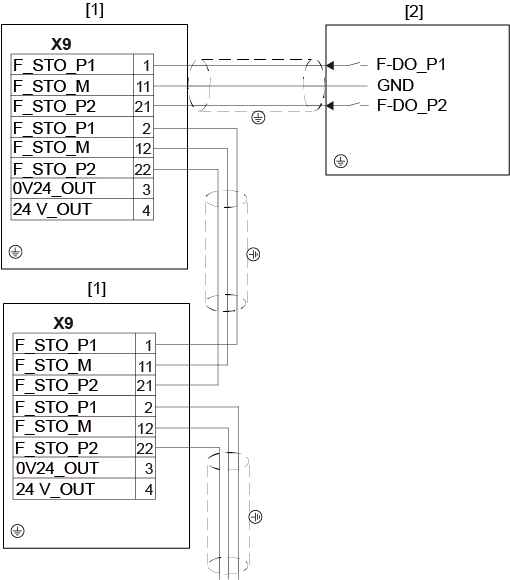
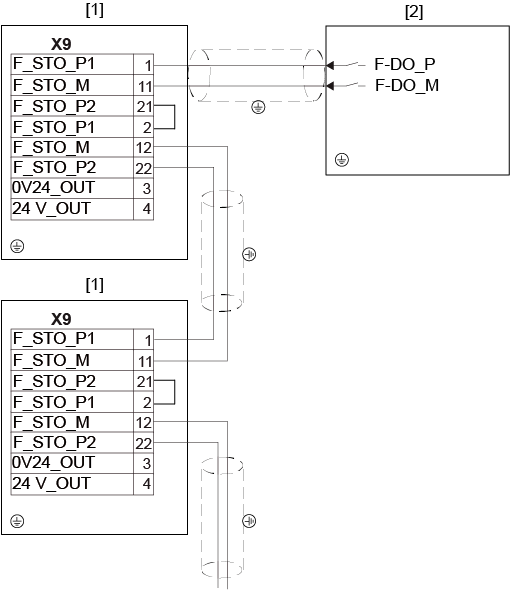
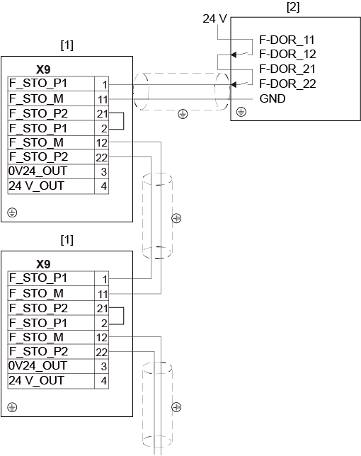
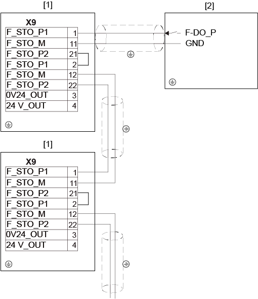
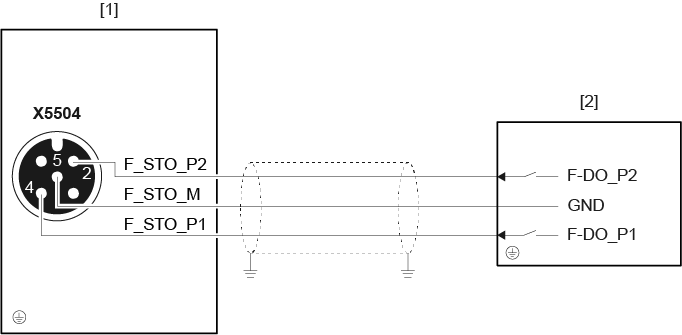
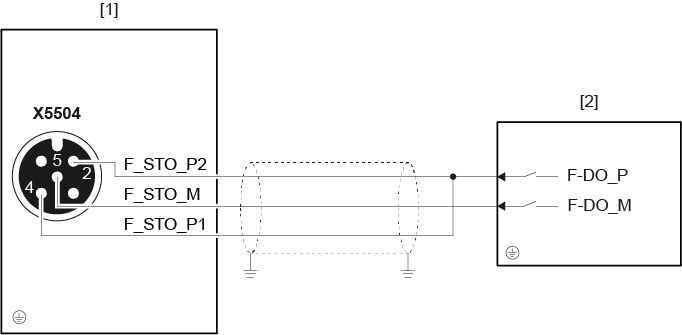
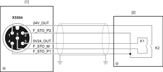
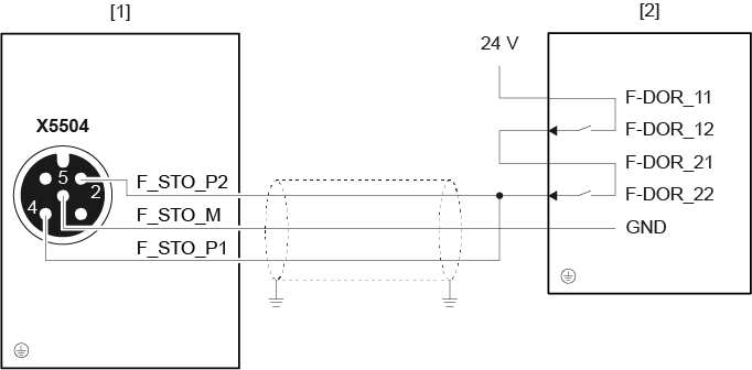
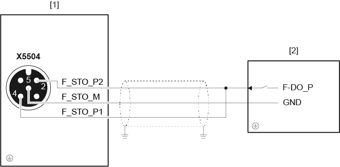
- Esquema de ligação MOVIMOT® flexible DBC
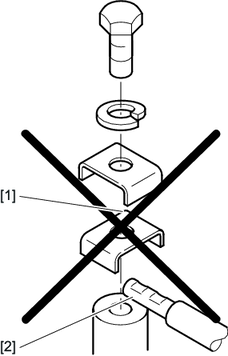
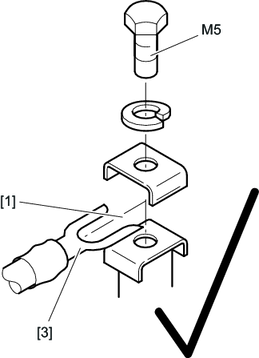
- Instalação de cabos e blindagem de cabos
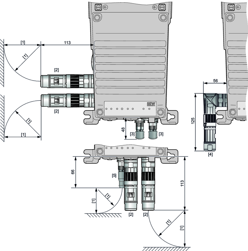
- Posições do conector na versão MMF1../DBC..
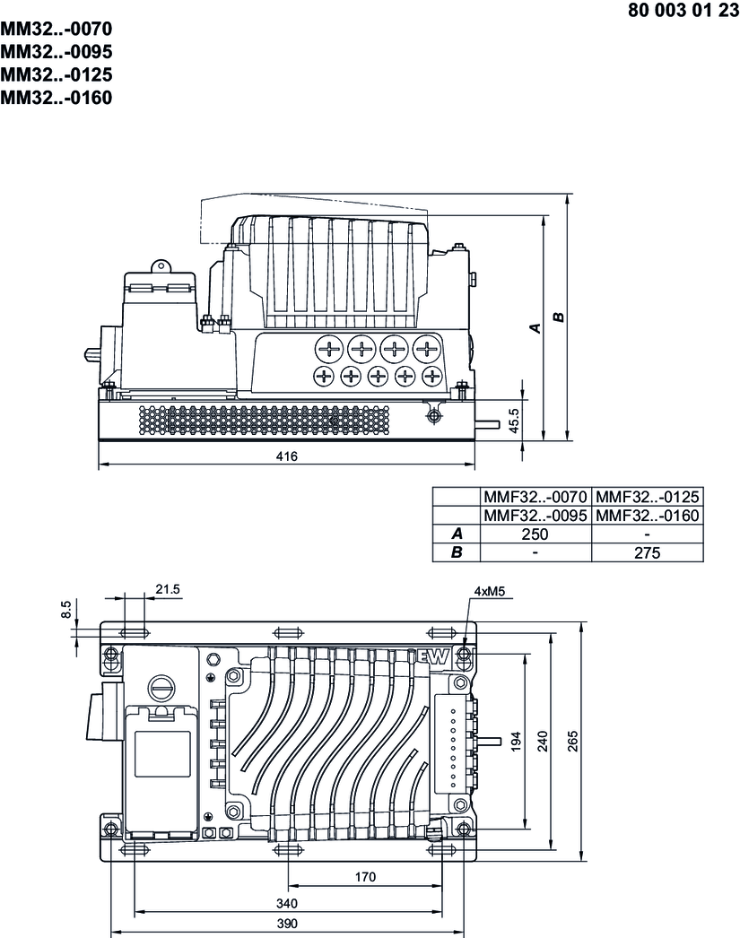
- Posições do conector na versão MMF31../DBC..
- Posições do conector na versão MMF32../DBC..
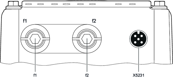
- Posições dos conectores da tampa de controle DBC..
- Conexão PC
Colocação em operação
- Elementos de controle
- Chave DIP
- Colocação em operação de motores não SEW
- Colocação em operação de motores com interface MOVILINK® DDI
- Colocação em operação com software de engenharia MOVISUITE®
- Colocação em operação com o painel de operação CBG21A
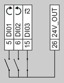
- Configuração das entradas/saídas digitais
- Escala de valor nominal da entrada analógica
SEW Service
Inspeção e manutenção
Novas funções

MOVIMOT® flexible MMF31S14.. com conector Han® Q
Saber mais...















































































































































































































































































































































