Sensores con salidas de semiconductor (OSSD, de 2 canales)
Al conectar un sensor compatible con OSSD asegúrese de que no hay activo ningún pulso para la tensión de alimentación.
AVISO

Si se utilizan sensores compatibles con OSSD, desactive el reconocimiento de fallos cruzados en las entradas seguras correspondientes.
Los sensores compatibles con OSSD comprueban y diagnostican las salidas OSSD de forma autónoma. Los fallos que se detecten en el cableado dependen de la función de diagnóstico del sensor.
Para los sensores compatibles con OSSD resultan estas dos variantes de conexión (ejemplo):
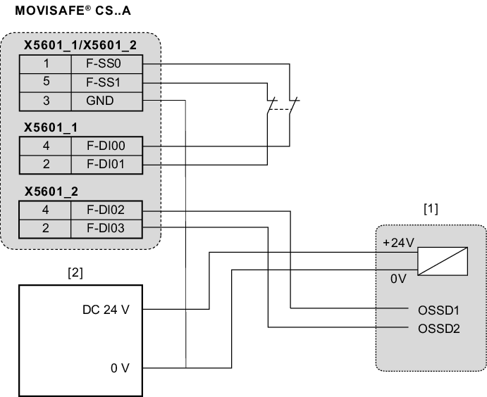
Variante 1
Si se utilizan sensores con contactos además de los sensores con salidas compatibles con OSSD y los sensores con contactos requieren el uso del reconocimiento de fallos cruzados, el sensor compatible con OSSD se puede alimentar a través de una fuente de alimentación externa.

[1] | Sensor compatible con OSSD (por ejemplo, escáner o rejilla de luz) |
[2] | Tensión de alimentación externa de 24 V CC |
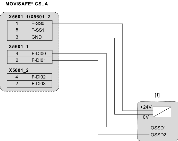
Variante 2
Si se utilizan únicamente sensores compatibles con OSSD, la alimentación de tensión también se puede realizar a través de las bornas F-SS0 y F-SS1. En ese caso, desactive el pulso de la alimentación de sensor (F-SS0 y F‑SS1) en la herramienta de parametrización "Assist CS..".

[1] | Sensor compatible con OSSD (por ejemplo, escáner o rejilla de luz) |
AVISO
