Instalación eléctrica
Información adicional
- Planificación de la instalación en función de la compatibilidad electromagnética
- Conexión equipotencial en la caja de conexiones
- Mejora de la puesta a tierra (CEM), puesta a tierra AF
- Normas de instalación
- Topologías de instalación
- Asignación de bornas de MOVIMOT® advanced DFC
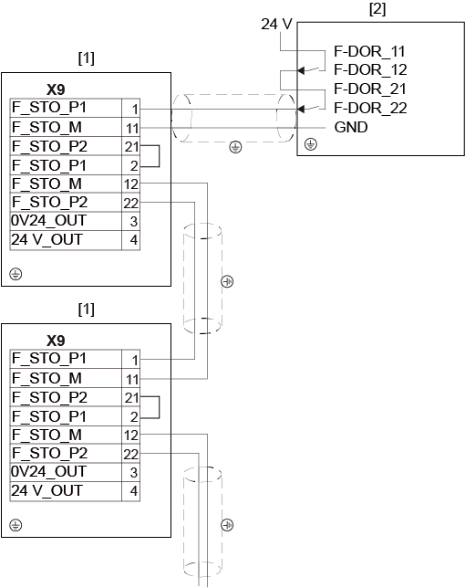
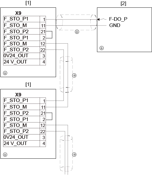
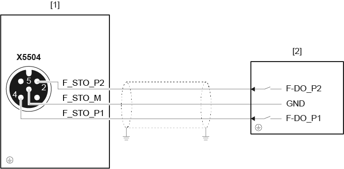
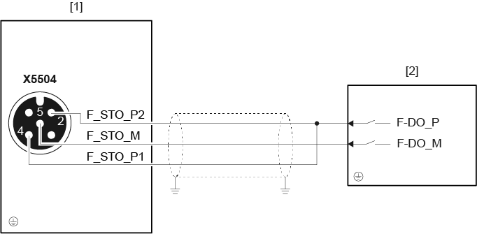
- Instalación eléctrica – Seguridad funcional
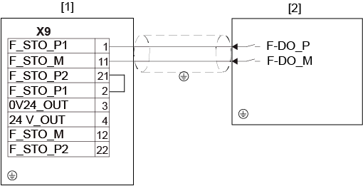
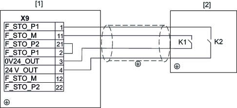
- Esquema de conexiones de MOVIMOT® advanced DFC
- Guiado y apantallado de cables
- Prensaestopas CEM
- Cable
- Conector enchufable
- Asignación de los conectores enchufables opcionales
- Asignación de los conectores enchufables en la unidad de conexión
- Asignación de los conectores enchufables de la tapa de la electrónica
- Conexión PC




































































































