¿Cómo podemos ayudarle?
Temas importantes
Planificación de proyecto de seguridad funcional
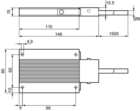
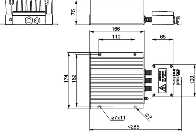
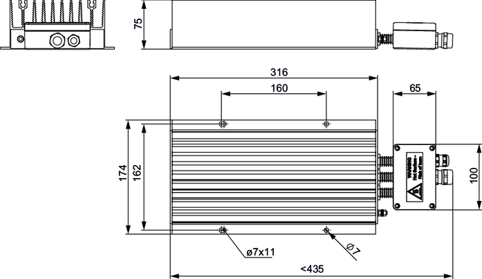
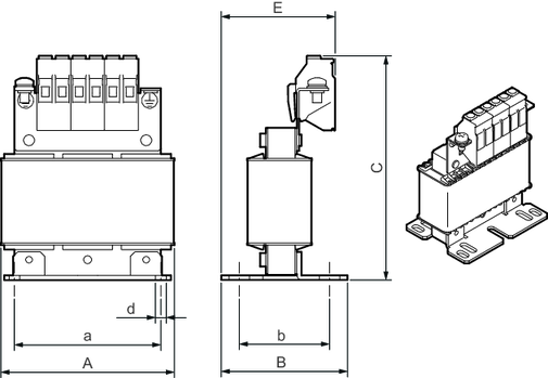
Estructura de la unidad
Instalación eléctrica
- Planificación de la instalación en función de la compatibilidad electromagnética
- Conexión equipotencial
- Asignación de bornas de MOVIMOT® advanced DFC
- Esquema de conexiones de MOVIMOT® advanced DFC
- Posiciones de conectores de la unidad de accionamiento MOVIMOT® advanced DFC, DSI tamaño 1
- Posiciones de los conectores enchufables tapa de la electrónica DFC..
- Conexión PC
Puesta en marcha
Funcionamiento
Inspección y mantenimiento
Nuevas funciones

Parámetros de seguridad MOVISAFE® CSS51A
Más información...














































































































































































































































































































































































































































