Installation électrique
Informations complémentaires
- Étude d'une installation sur la base de critères CEM
- Consignes d'installation
- Variantes d'installation
- Fonctionnement 4 quadrants et frein hacheur optionnel
- Cheminement des câbles
- Connectique
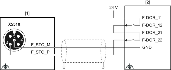
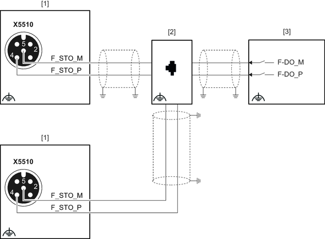
- Variantes de raccordement sécurité fonctionnelle
- Raccordement au PC
- Raccordement du boîtier de montage CBM22A avec console opérateur locale intégrée sur X4142 (M12 sur le module d'interface)





























