Datos técnicos
Información adicional
- Símbolos
- Datos técnicos generales
- Condiciones ambientales
- Datos técnicos unidad básica MDX9.A.. 3 × 380 – 500 V CA
- 3 × 200 – 240 V CA
- Tarjetas entrada/salida CIO21A y CID21A
- Tarjeta multiencoder CES11A
- Tarjeta multiencoder con simulación de encoder incremental CES12A
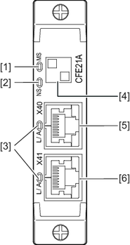
- Tarjeta de bus de campo CFE21A ara EtherNet/IP™ y Modbus TCP
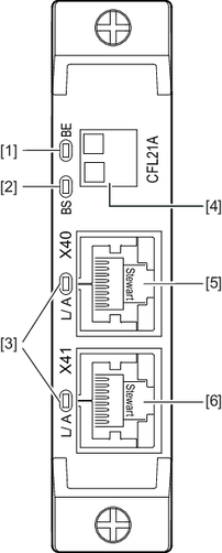
- Tarjeta de bus de campo CFL21A para POWERLINK
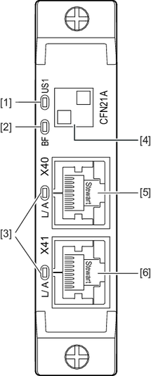
- Tarjeta de bus de campo CFN21A para PROFINET
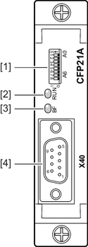
- Tarjeta de bus de campo CFP21A para PROFIBUS
- Opciones de seguridad CS..A
- Datos técnicos – Seguridad funcional
- Módulo de memoria CMM11A o CMM21A
- Consola de programación CBG11A
- Consola de programación CBG21A
- Unidad de manejo local CBG22A
- Marco de montaje de puerta COG11A
- Adaptador de interfaz USM21A
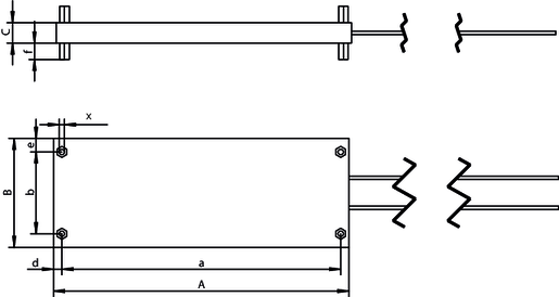
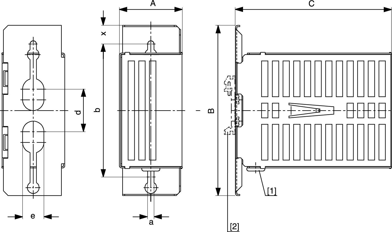
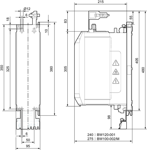
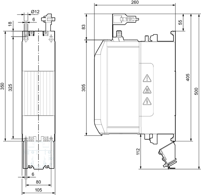
- Resistencias de frenado BW../BW..-T
- Filtro de red NF..
- Reactancia de red ND..
- Filtro de salida HF..
- Anillo de ferrita HD..
- Reactancia de circuito intermedio ZD..
- Accesorios de serie
- Conector
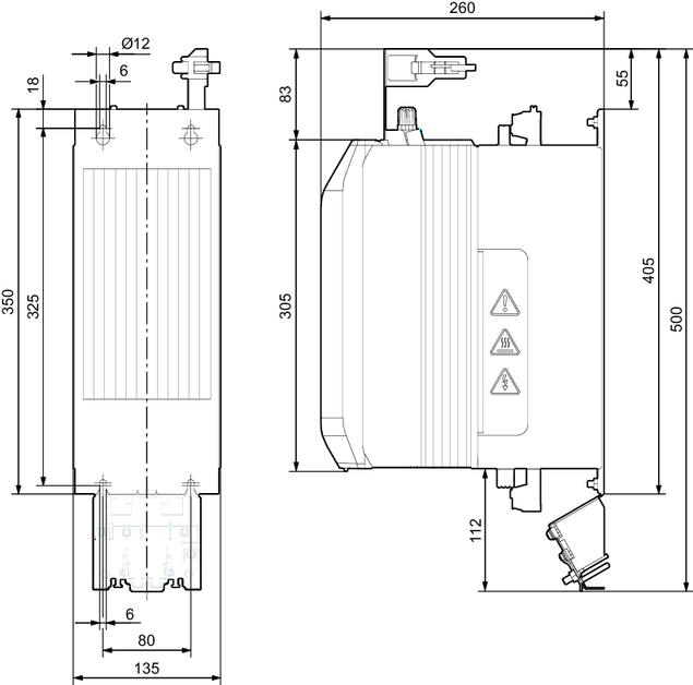
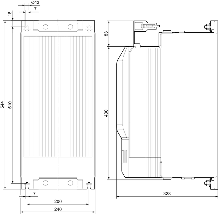
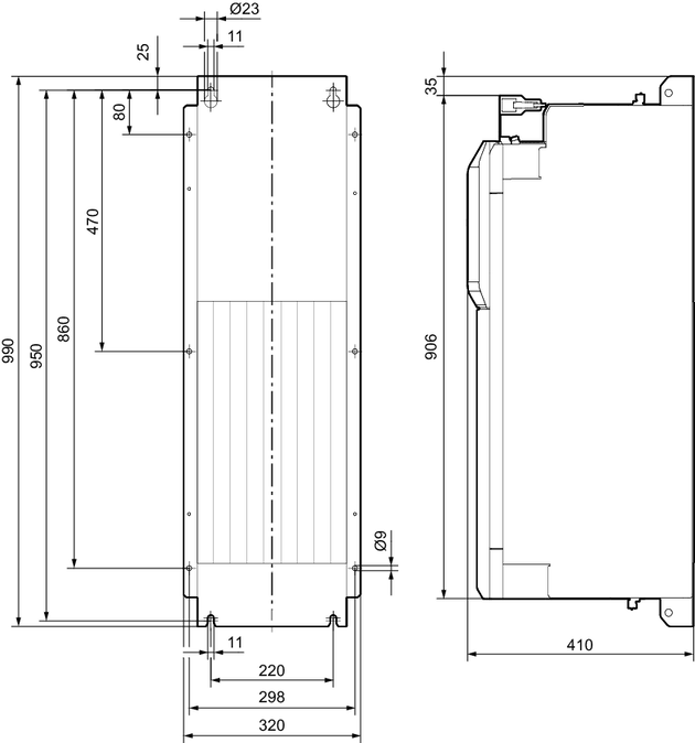
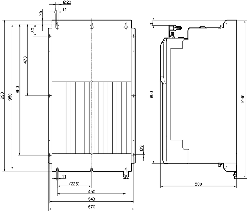
- Planos dimensionales
























































































