How can we help?

Important topics

Project planning of the device

  • Drive selection
  • Inverter selection
  • Braking resistor selection

Project planning for functional safety

  • Safety requirements

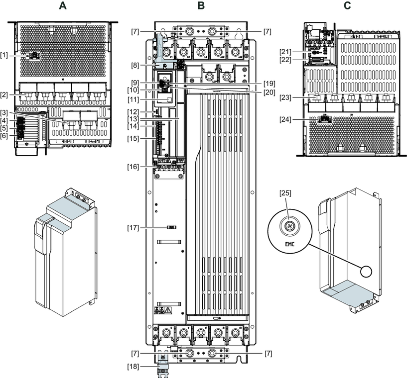
Device structure

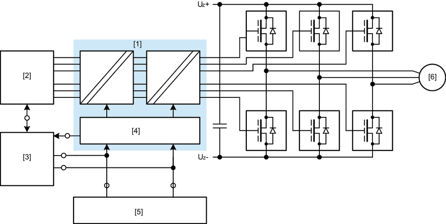
  • Inverter
  • Type designation

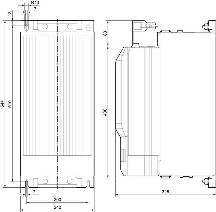
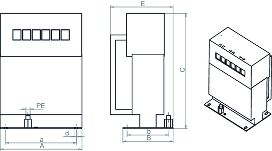
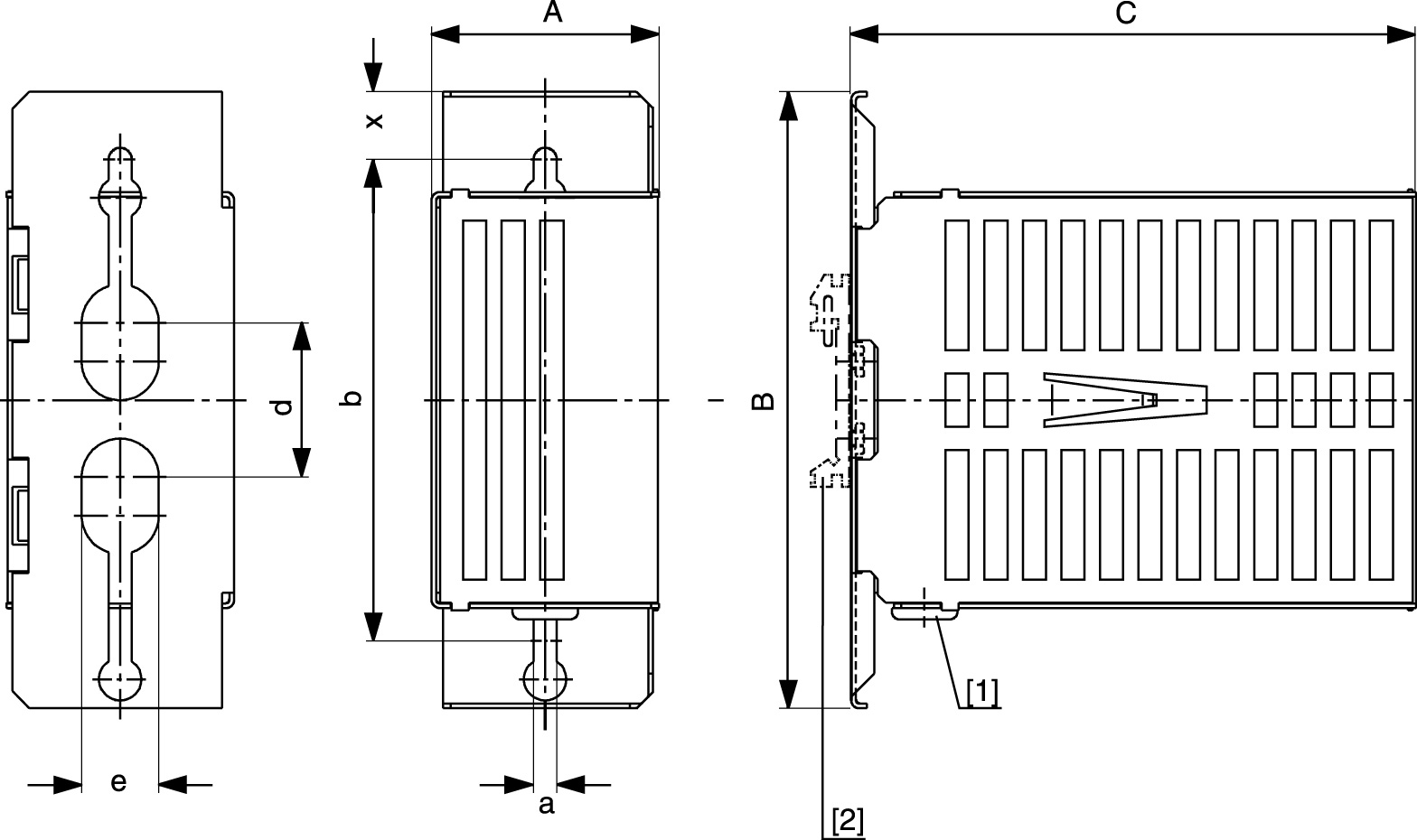
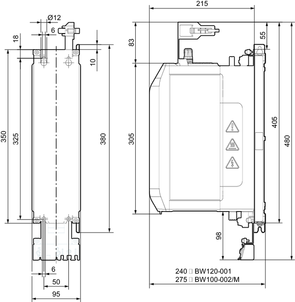
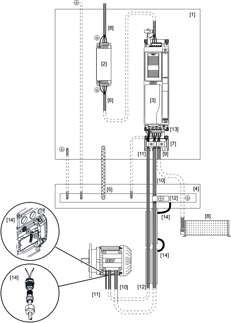
Mechanical installation

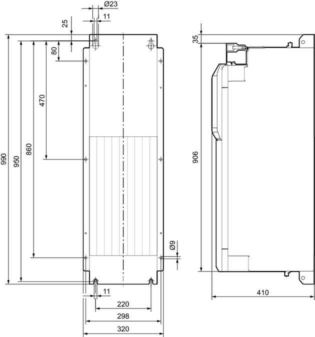
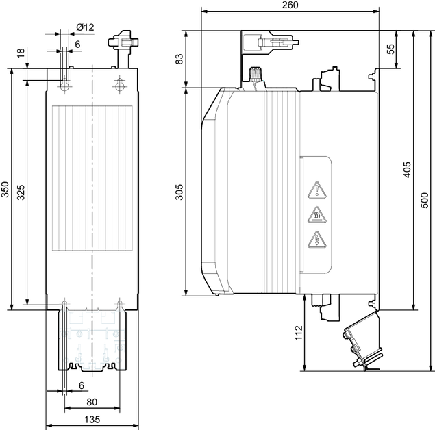
  • Installing inverter sizes 1 – 8
  • Installing the shield plate for the power section
  • Installing the shield plate for signal cables
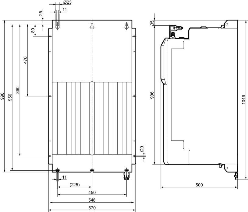
  • Installing braking resistors

Electrical installation

  • Installation planning considering EMC aspects
  • 24 V supply voltage
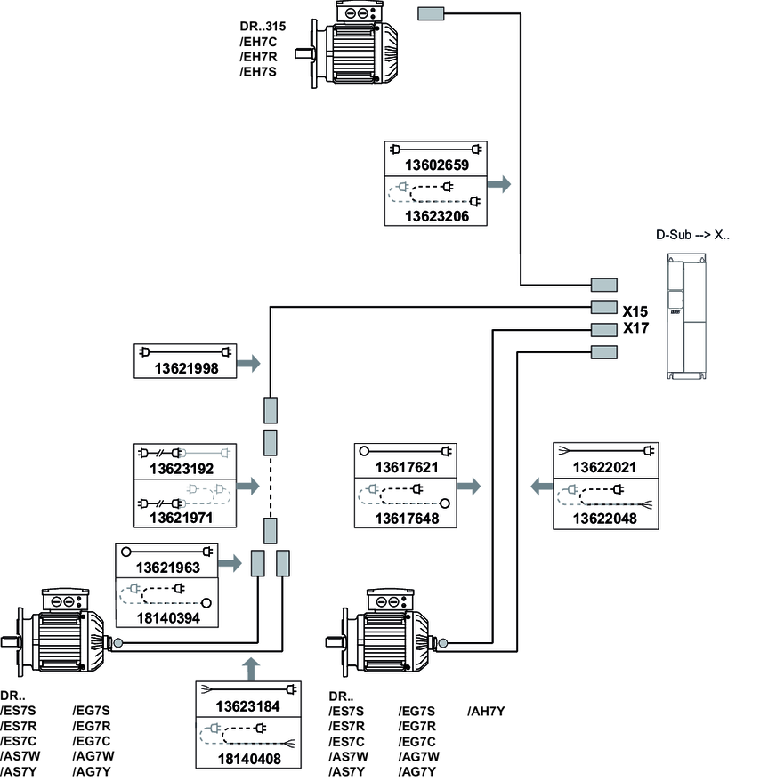
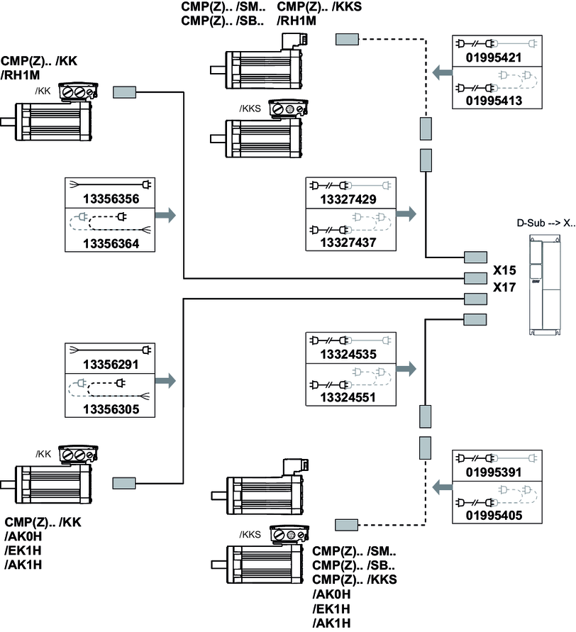
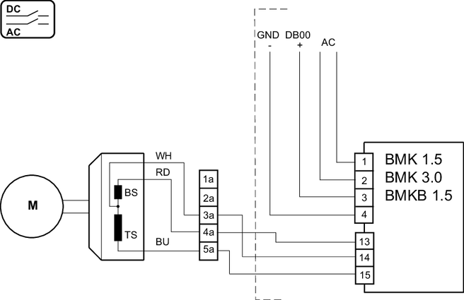
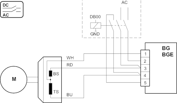
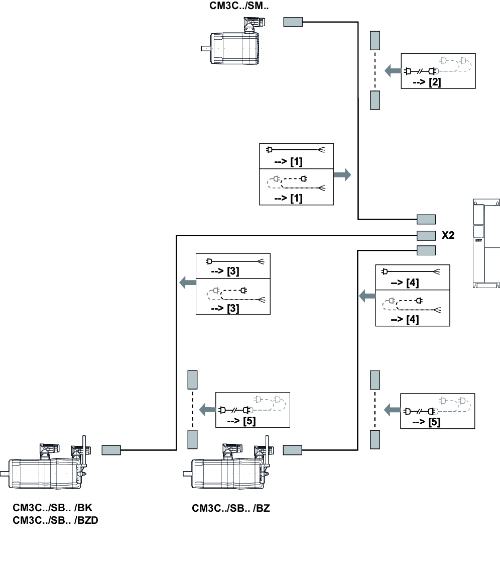
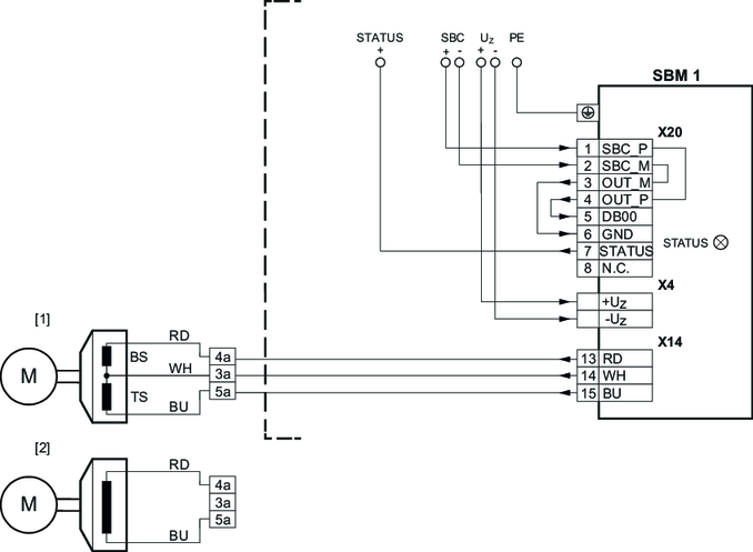
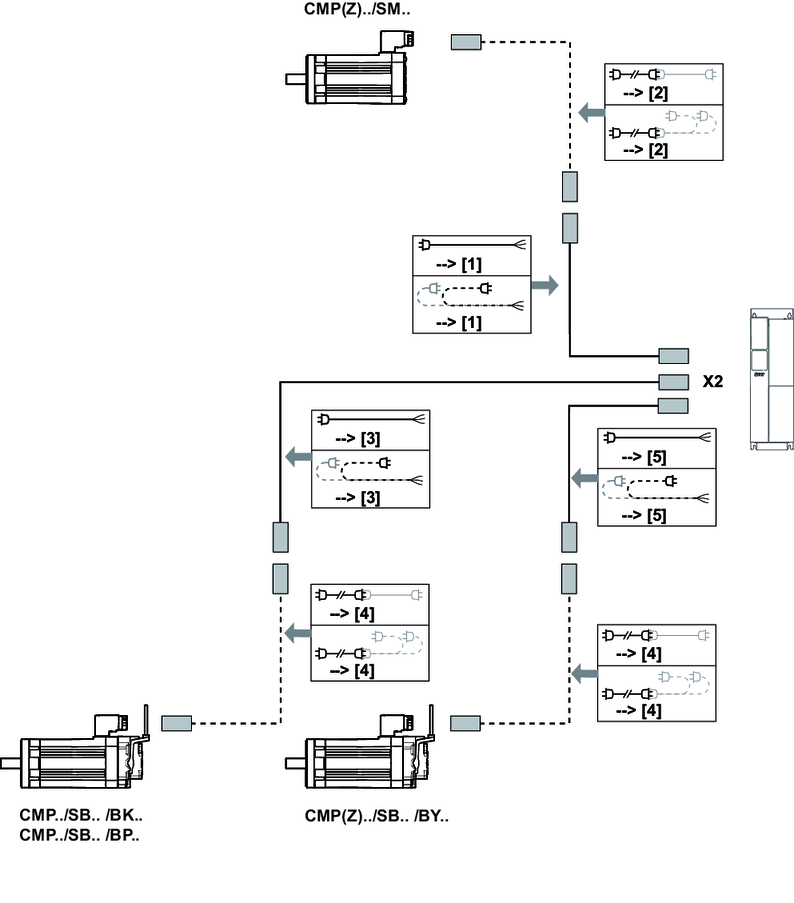
  • Encoders
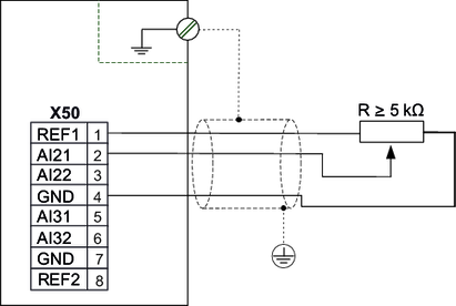
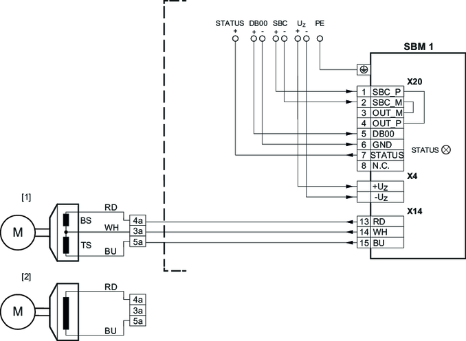
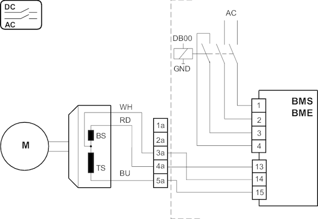
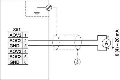
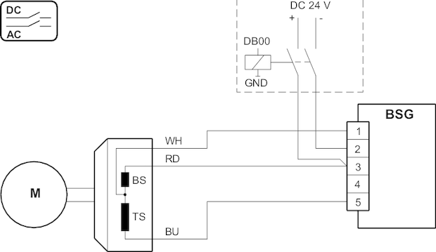
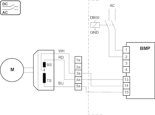
  • Terminal assignment
  • PC connection

Startup

  • Startup of third-party motors
  • Startup with MOVISUITE® engineering software
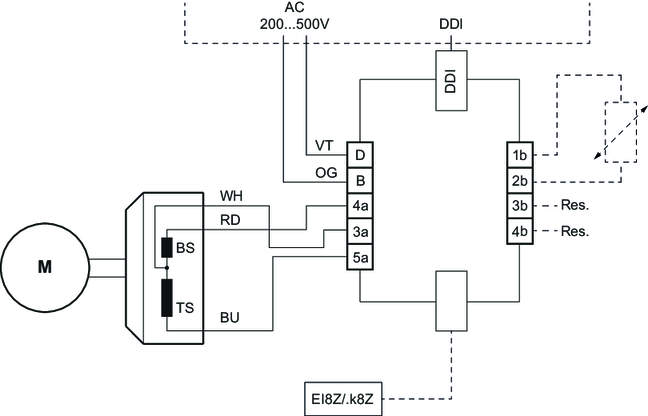
  • Startup of motors with the MOVILINK® DDI interface
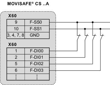
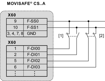
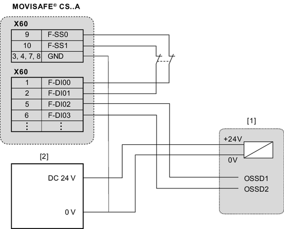
  • Startup of the MOVISAFE® CS..A safety option
  • Startup of the safety option at the safety protocol

Service

  • Status and operating displays of the 7-segment display
  • Fault description on basic device
  • Device replacement
  • Device replacement

SEW-EURODRIVE GmbH & Co KG

Edition: 8/2024

© Copyright: 2024

Index

MOVIDRIVE® system

Language

  • Deutsch
  • English
  • Español
  • Brasileiro
  • 汉语
SEW-EURODRIVE LogoSEW-EURODRIVE
  • Home