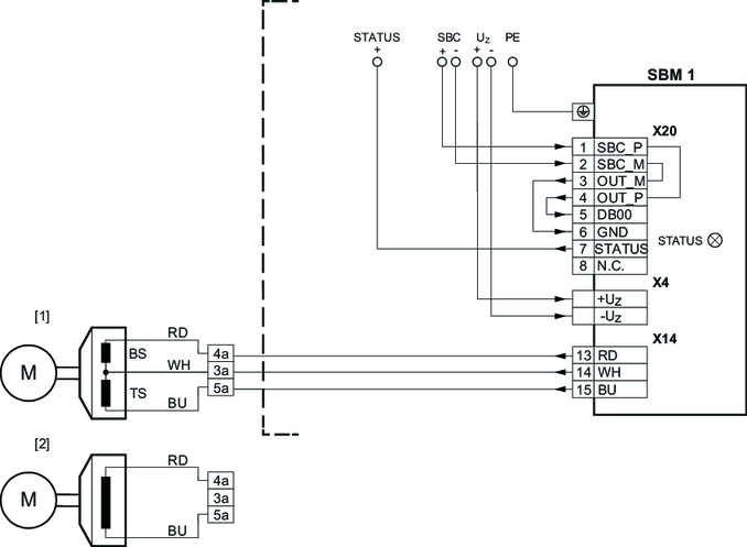
Блок управления тормозом SBM с одним сигнальным кабелем
Значения символов см. в разделе Условные обозначения.
|
[1] | Подключение тормоза по 3-проводной технологии (стандартный вариант) |
[2] | Подключение тормоза по 2-проводной технологии (опционально). При этом отсутствует соединение клеммы X14:14 тормозного модуля к клемме 3a вспомогательной клеммной колодки. |
