Подключение блока управления тормозом
Дополнительные сведения
- Условные обозначения
- Блок управления тормозом BMK.
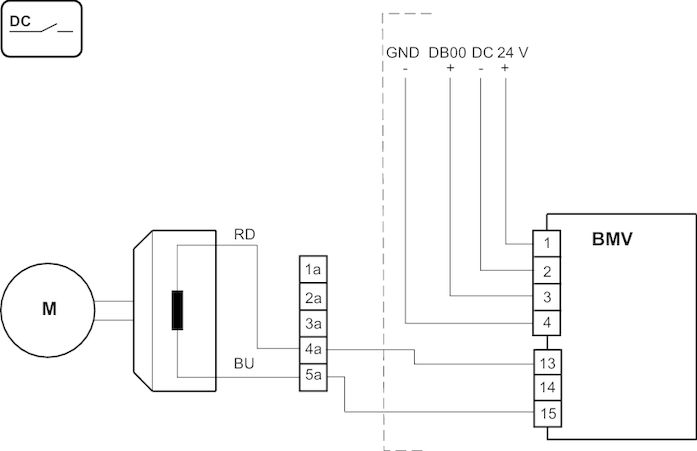
- Блок управления тормозом BMV — 2 катушки
- Блок управления тормозом BMV — 1 катушка
- Блок управления тормозом BMS, BME
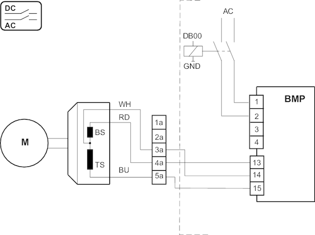
- Блок управления тормозом BMP
- Блок управления тормозом BG, BGE
- Блок управления тормозом BSG
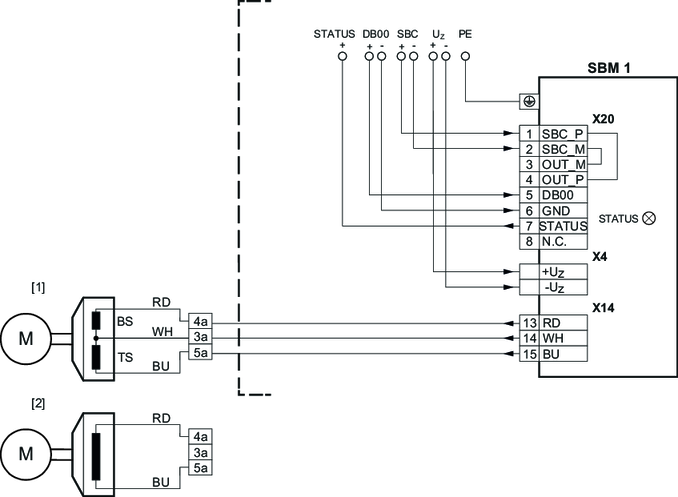
- Блок управления тормозом SBM с одним сигнальным кабелем
- Блок управления тормозом SBM с 2 сигнальными кабелями
- Блок управления тормозом BG1Z















