Brake control connection

Additional information
  • Key
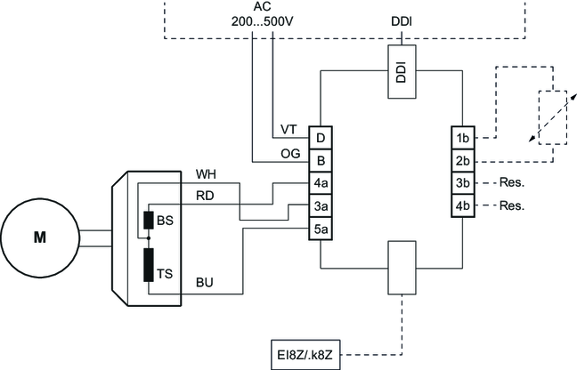
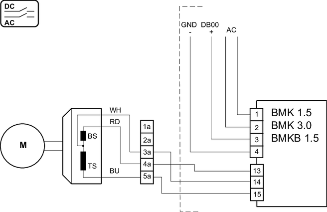
  • BMK. brake control
  • BMV brake control – 2 coils
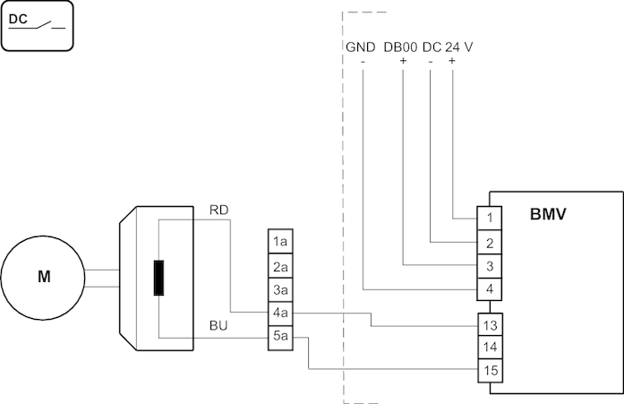
  • BMV brake control – 1 coil
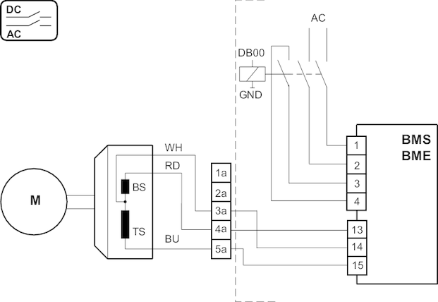
  • BMS, BME brake control
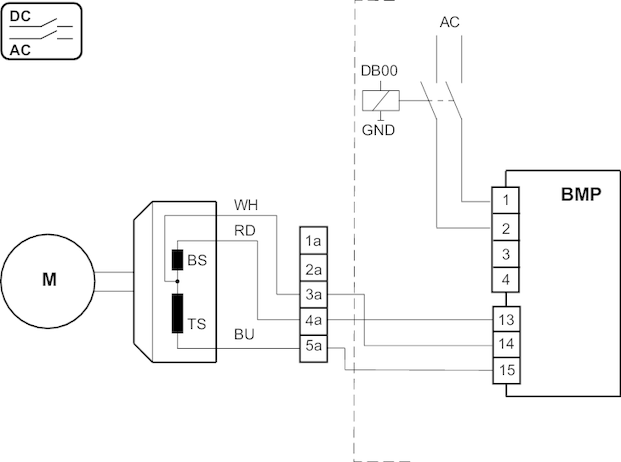
  • BMP brake control
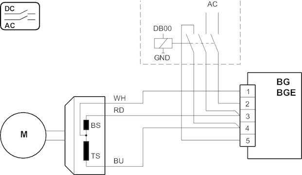
  • BG, BGE brake control
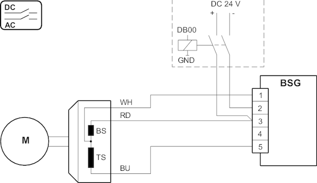
  • BSG brake control
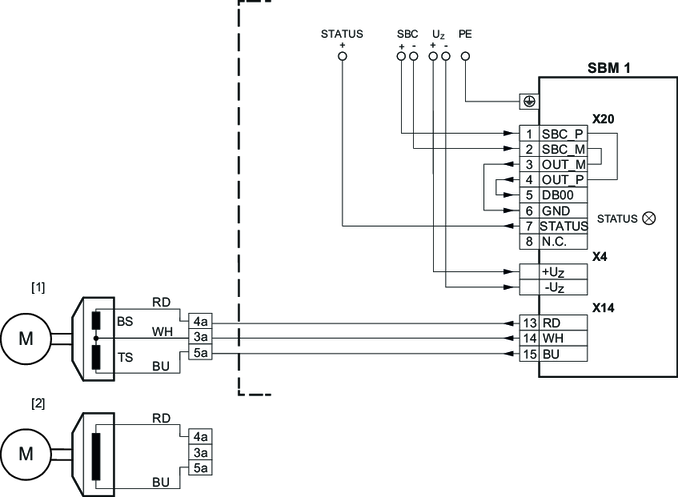
  • SBM brake control with 1 control cable
  • SBM brake control with 2 control cables
  • BG1Z brake control

SEW-EURODRIVE GmbH & Co KG

Edition: 03 / 24

© Copyright: 2024

Index

MOVITRAC® advanced

Language

  • Deutsch
  • English
  • Français
  • Brasileiro
  • 汉语
  • Español
SEW-EURODRIVE LogoSEW-EURODRIVE
  • Home
  • Electrical installation
  • Wiring diagrams
  • Brake control connection