Elektrische Installation

Weiterführende Informationen
  • Installationsvorschriften
  • Energiespeichersystem Übersicht
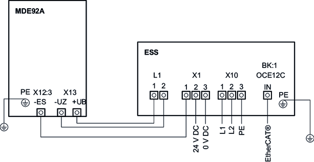
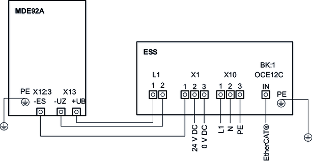
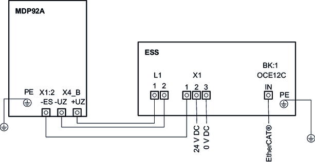
  • Anschluss des Versorgungsmoduls MDP92A an das Energiespeichersystem
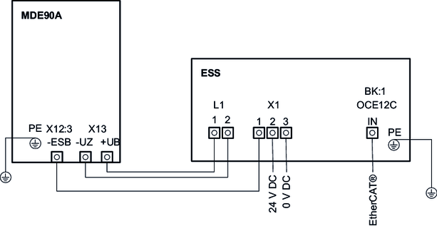
  • Anschluss des DC/DC-Wandlermoduls MDE90A an das Energiespeichersystem
  • Klemmenbelegung
  • Anschluss ESS Hochtemperaturvariante
  • Anschluss ESS Tieftemperaturvariante

SEW-EURODRIVE GmbH & Co KG

Ausgabe: 09 / 23

© Copyright: 2023

Stichwortverzeichnis

Energiespeichersysteme

Sprache

  • Deutsch
SEW-EURODRIVE LogoSEW-EURODRIVE
  • Home
  • Elektrische Installation