Introduction (positionnement) / Évacuation
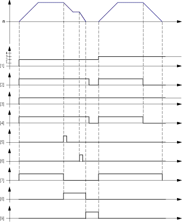
L'illustration suivante montre la vitesse mesurée de l'entraînement en fonction de l'état des signaux d'entrée et de sortie lors de l'introduction de l'évacuation.

n | Vitesse réelle |
[1] | Signal d'entrée "Mode" |
[2] | Signal d'entrée "Start" |
[3] | Signal d'entrée "Positif" |
[4] | Signal sortie "Dém. détecté" |
[5] | Signal d'entrée "Capteur GV/PVGV/PV = grande vitesse / petite vitesse |
[6] | Signal d'entrée "Arrêt capteur droite" |
[7] | Signal de sortie "Grande vitesse activée" |
[8] | Signal de sortie "Petite vitesse activée" |
[9] | Signal de sortie "En position droite" / haut |
