Como podemos ajudar?
Temas importantes
Planejamento de projeto de funcionamento seguro
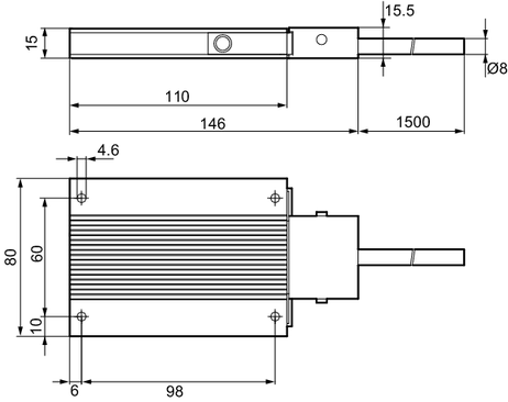
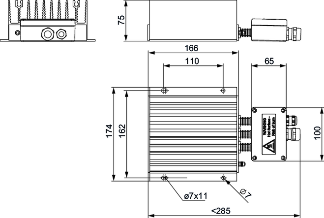
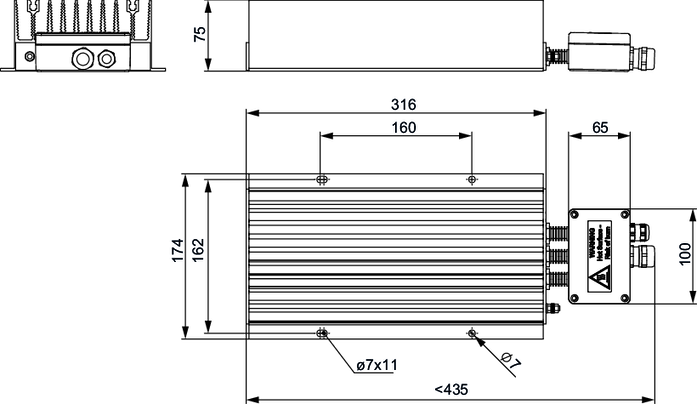
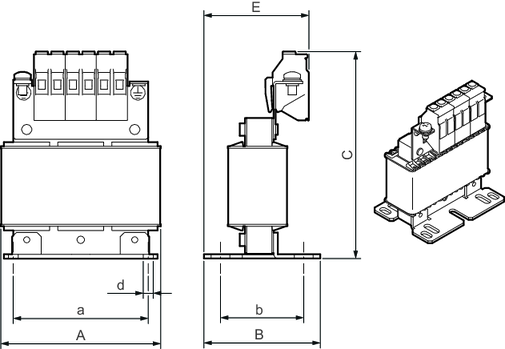
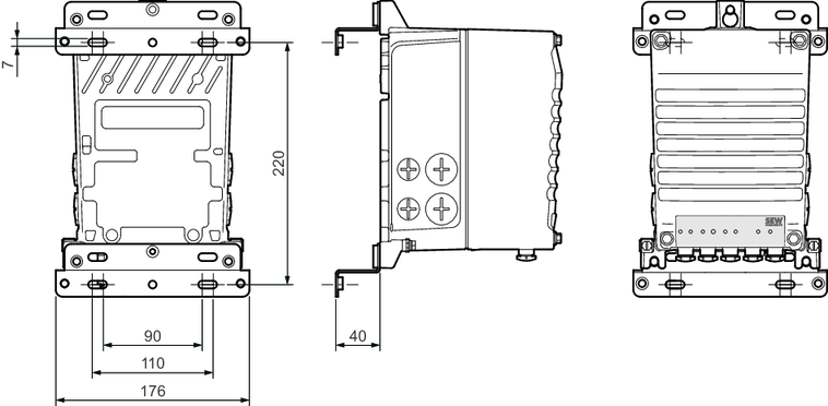
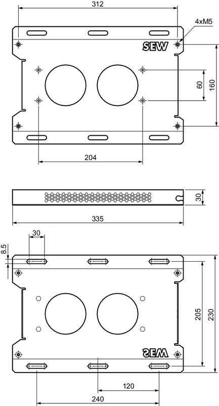
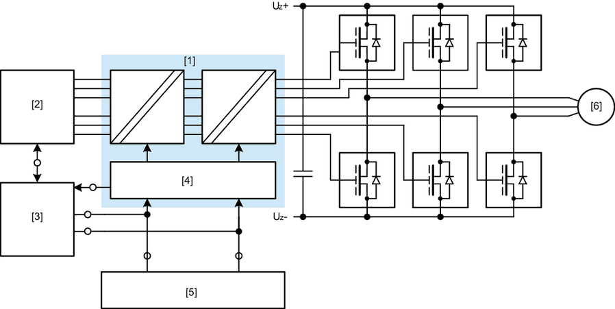
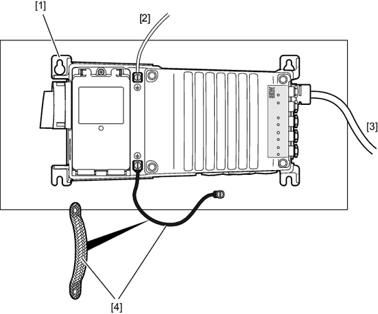
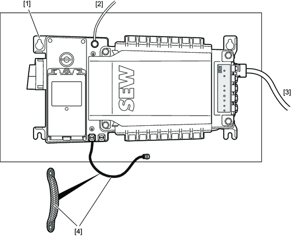
Estrutura da unidade
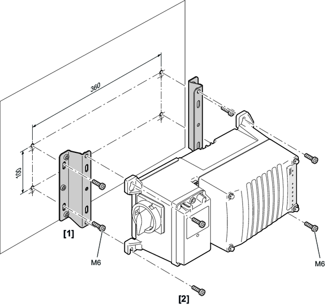
Instalação mecânica
Instalação elétrica
- Programação dos bornes MOVIMOT® flexible DSI
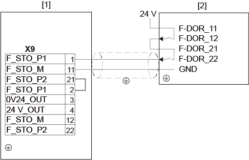
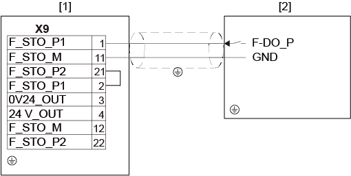
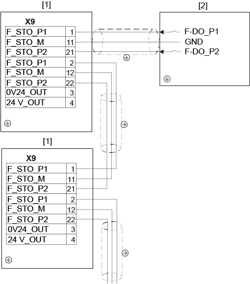
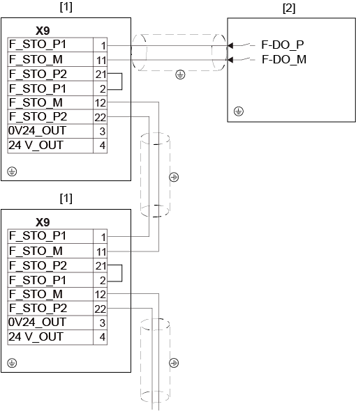
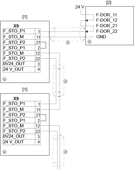
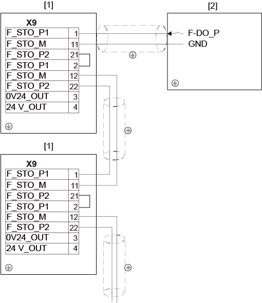
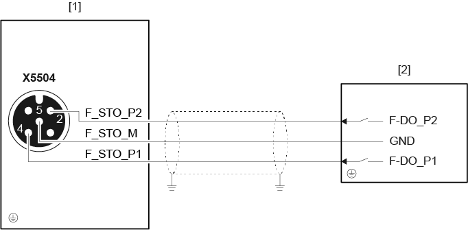
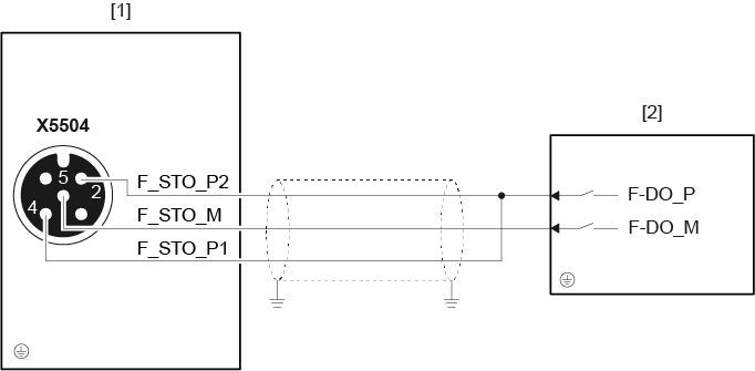
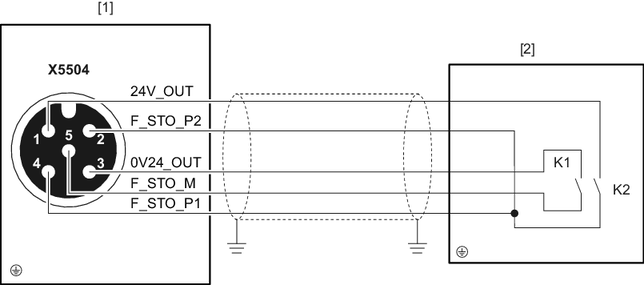
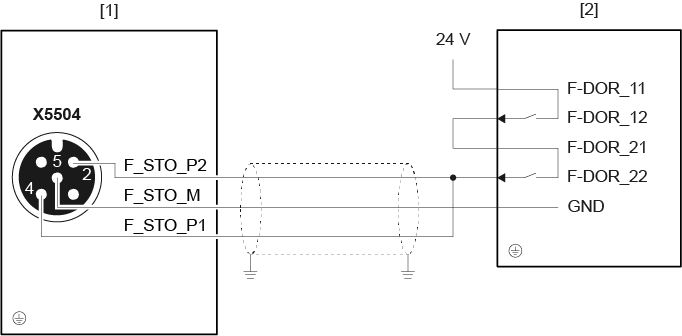
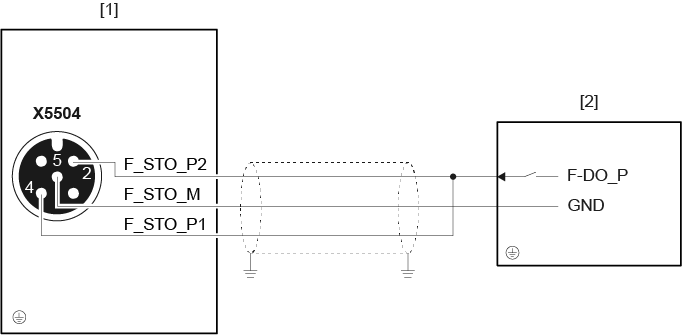
- Esquema de ligação MOVIMOT® flexible DSI
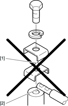
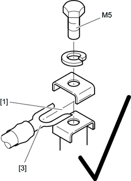
- Instalação de cabos e blindagem de cabos
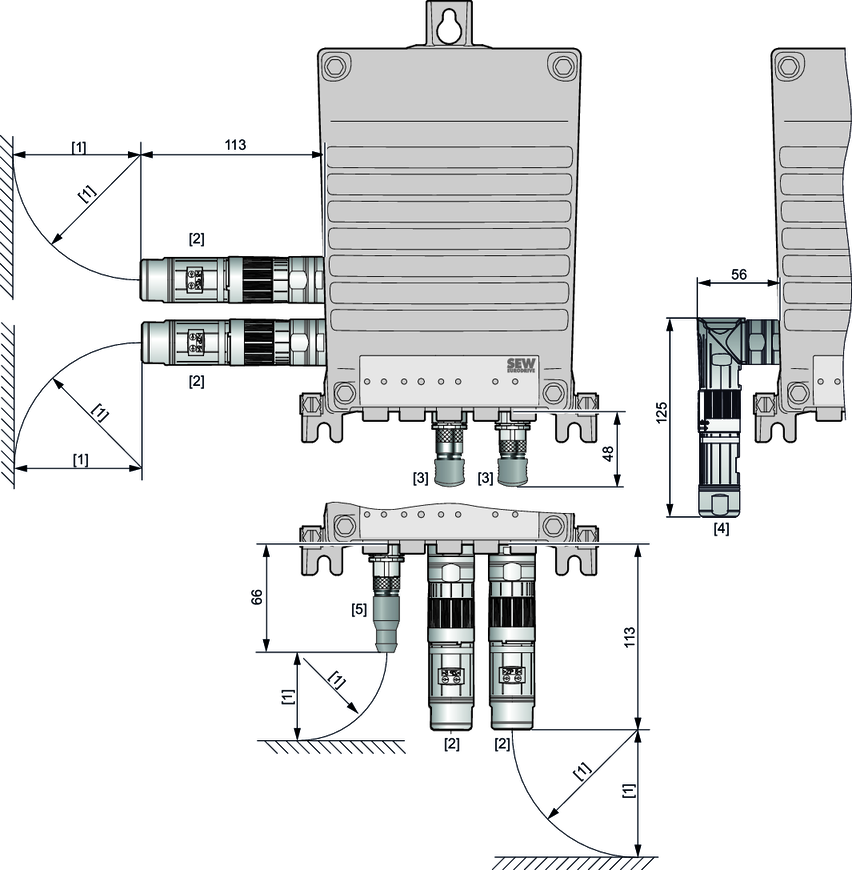
- Posições do conector nas versões MMF1../DFC.. e MMF1../DSI..
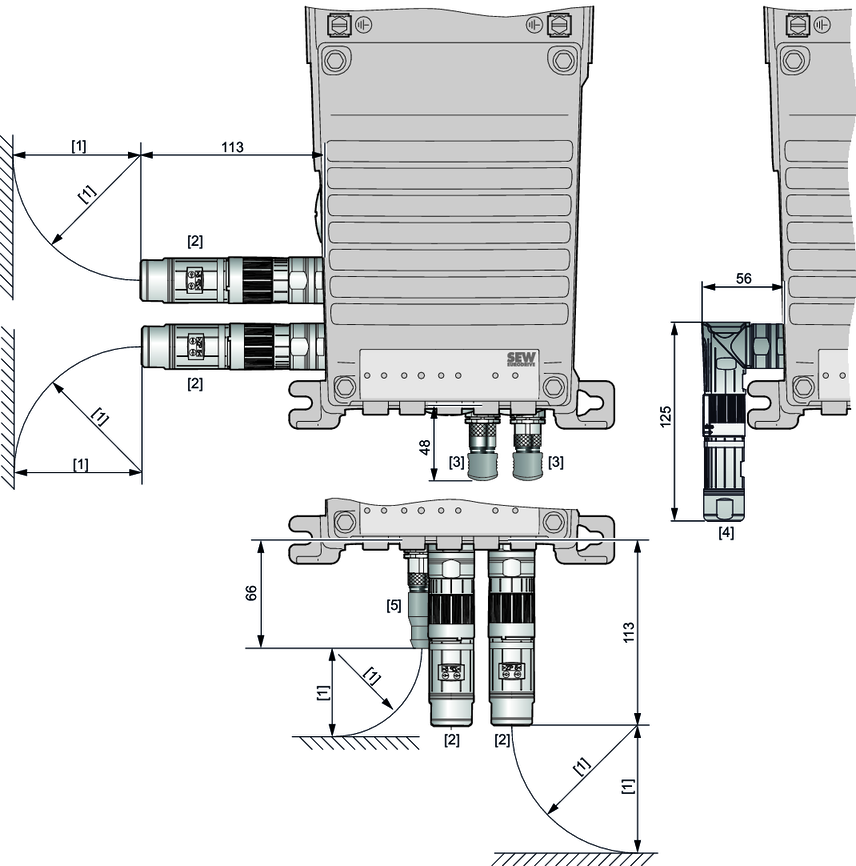
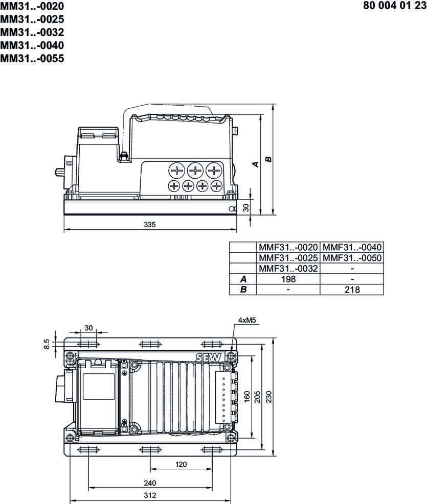
- Posições do conector nas versões MMF31../DFC.. e MMF31../DSI..
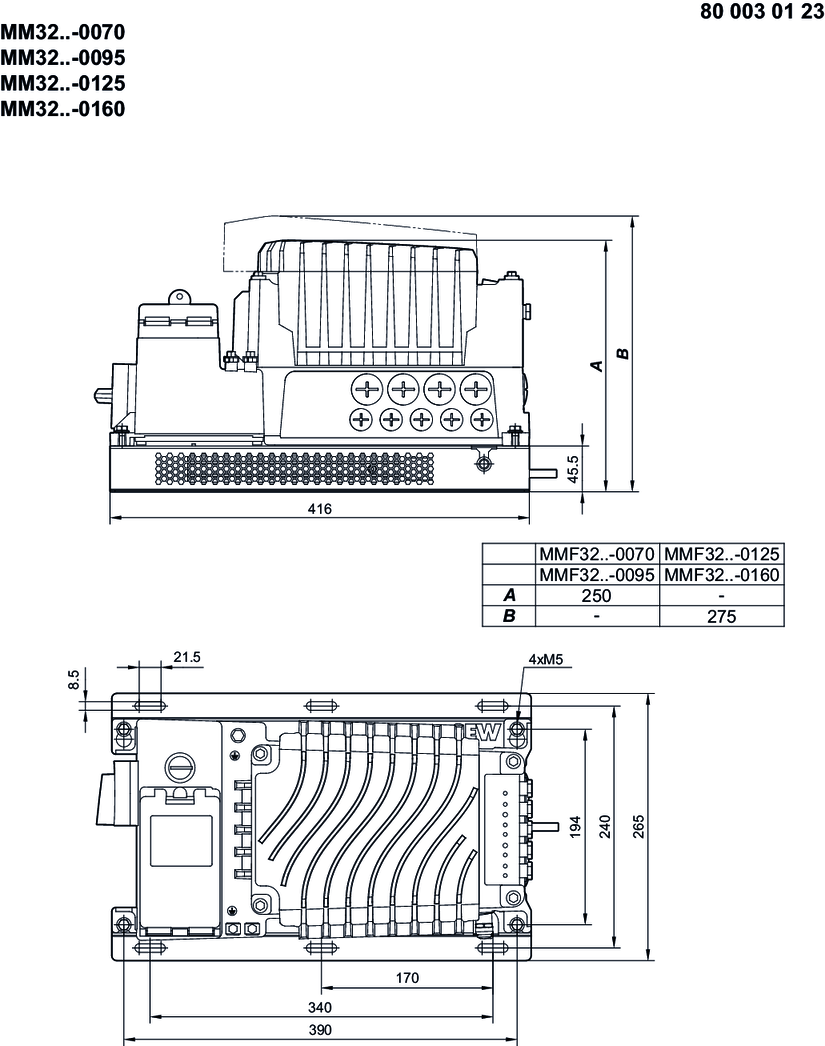
- Posições do conector nas versões MMF32../DFC.. e MMF32../DSI..
- Posições dos conectores Tampa de controle DSI..
- Posições dos conectores na tampa de controle DSI com entradas digitais seguras
- Conexão PC
Colocação em operação
- Chave DIP
- Colocação em operação de motores não SEW
- Colocação em operação de motores com interface MOVILINK® DDI
- Colocação em operação com software de engenharia MOVISUITE®
- Colocação em operação com o painel de operação CBG21A
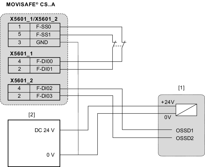
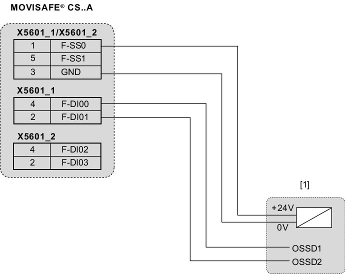
- Colocação em operação do opcional de segurança MOVISAFE® CS..A
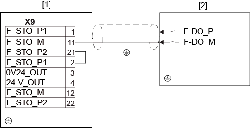
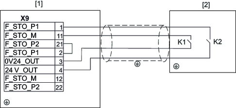
- Colocação em operação do opcional de segurança no protocolo de segurança
SEW Service
Inspeção e manutenção
Novas funções

Atuação dos bornes X2_B para motor, freio e sensor de temperatura
Saber mais...



















































































































































































































































































































































































































