Wie können wir helfen?

Wichtige Themen

Projektierung

  • Antriebsauslegung und Antriebsbestimmungen
  • Auswahl eines Umrichters
  • Auswahl des Bremswiderstands

Projektierung Funktionale Sicherheit

  • Sicherheitstechnische Auflagen

Geräteaufbau

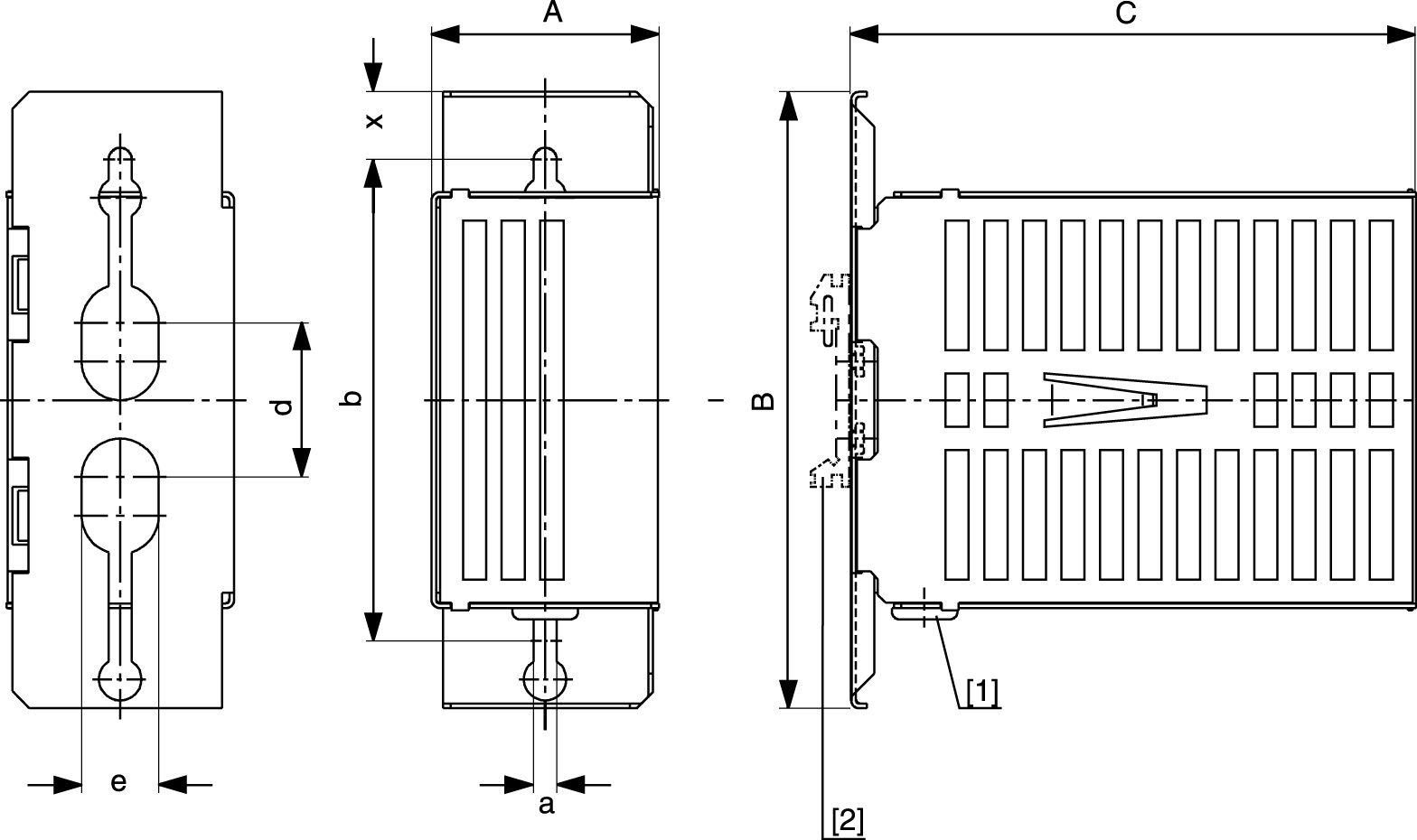
  • Umrichter
  • Typenbezeichnung

Mechanische Installation

  • Umrichter montieren
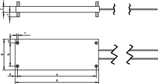
  • Schirmblech montieren
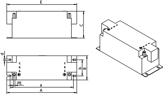
  • Bremswiderstände montieren

Elektrische Installation

  • Installationsplanung unter EMV-Gesichtspunkten
  • 24-V-Versorgungsspannung
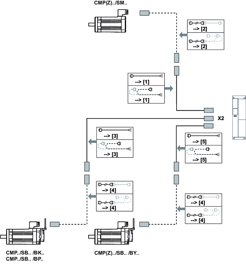
  • Klemmenbelegung
  • PC-Anschluss

Inbetriebnahme

  • Inbetriebnahme mit Engineering-Software MOVISUITE®
  • Inbetriebnahme von Fremdmotoren

Service

  • Status- und Betriebsanzeigen der 7-Segment-Anzeige
  • Gerätetausch

SEW-EURODRIVE GmbH & Co KG

Ausgabe: 11/2025

© Copyright: 2025

Stichwortverzeichnis

MOVITRAC® classic

Sprache

  • Deutsch
SEW-EURODRIVE LogoSEW-EURODRIVE
  • Home