Wie können wir helfen?
Wichtige Themen
Systembeschreibung
Modulbeschreibung
Modulkonfiguration
Basiseinstellungen
Betrieb
Übersicht Betriebsarten
Neue Hilfeinhalte
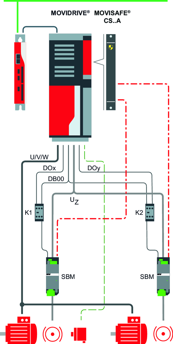
Standardbelegung der Digitalausgänge
Mehr erfahren...
MOVIKIT® TablePositioning Drive
Sprache
Deutsch
汉语
English
Français
Brasileiro
Español
SEW-EURODRIVE
Home