Electrical installation
Additional information
- Installation planning considering EMC aspects
- Installation instructions
- 24 V supply voltage
- Brake chopper output
- Temperature evaluation
- Brake control output
- Inputs/outputs
- Gateways, communication modules, and cable routing
- BW.. braking resistors
- ND.. line choke
- NF.. line filter
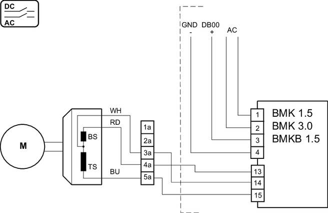
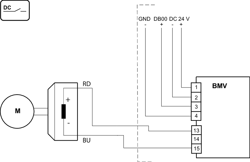
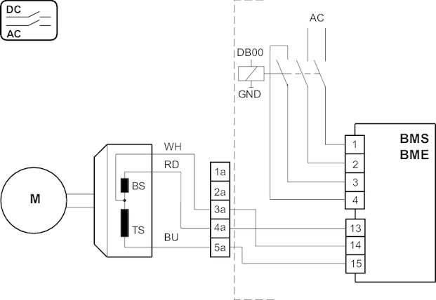
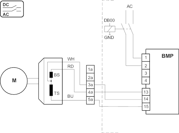
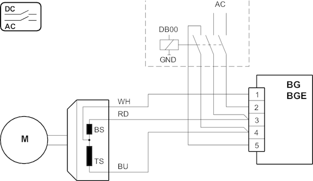
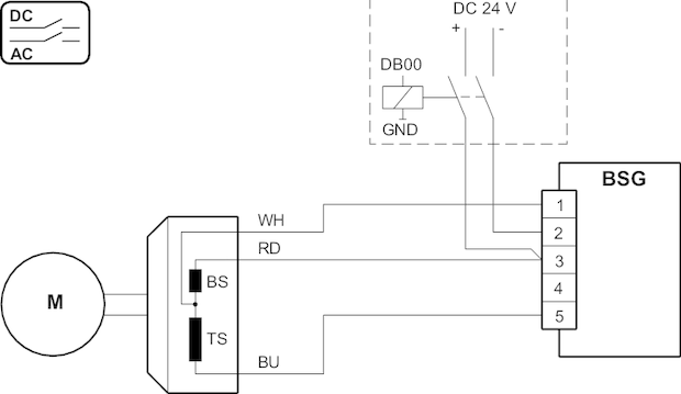
- Terminal assignment
- Electrical installation – functional safety
- Wiring diagrams
- PC connection

















































