Conexão do sistema de controle do freio
Informações adicionais
- Legenda
- Sistema de controle do freio BMK.
- Sistema de controle do freio BMV – 2 bobinas
- Sistema de controle do freio BMV – 1 bobina
- Sistema de controle do freio BMS, BME
- Sistema de controle do freio BMP
- Sistema de controle do freio BG, BGE
- Sistema de controle do freio BSG
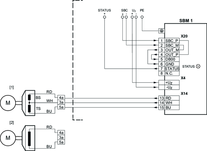
- Sistema de controle do freio SBM com um cabo de sinal
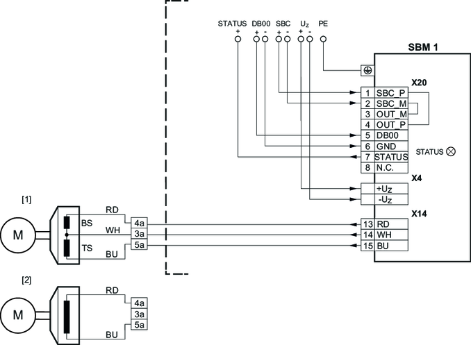
- Sistema de controle do freio SBM com 2 cabos de sinal
- Sistema de controle do freio BG1Z















