Conexión del control del freno
Información adicional
- Leyenda
- Control de freno BMK.
- Control de freno BMV – 2 bobinas
- Control de freno BMV – 1 bobina
- Control de freno BMS, BME
- Control de freno BMP
- Control de freno BG, BGE
- Control de freno BSG
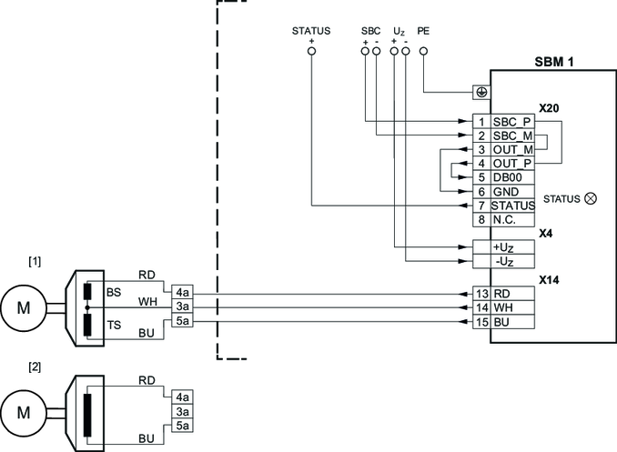
- Control del freno SBM con un cable de control
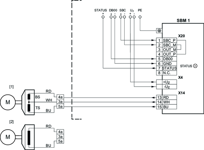
- Control del freno SBM con 2 cables de control
- Sistema de control de freno BG1Z















