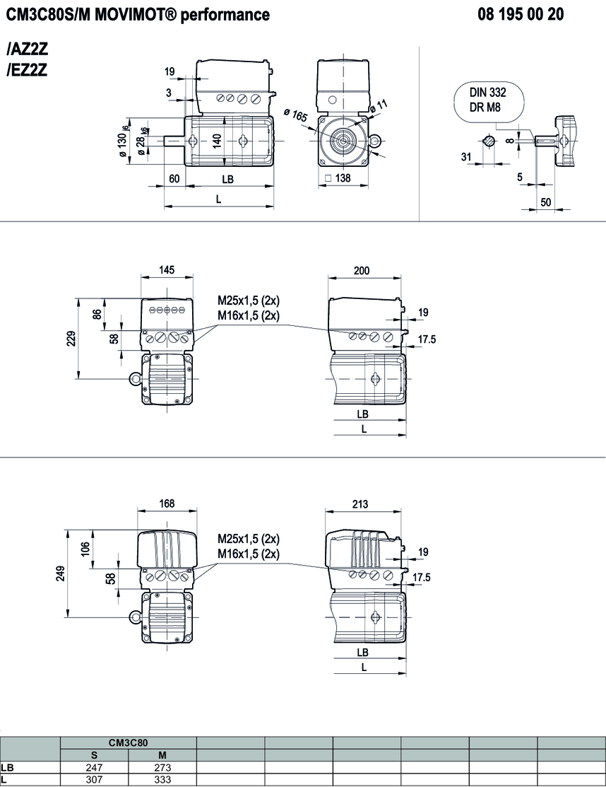
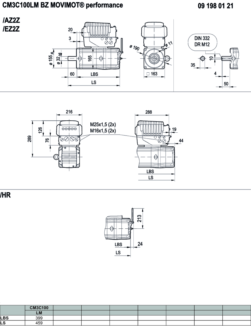
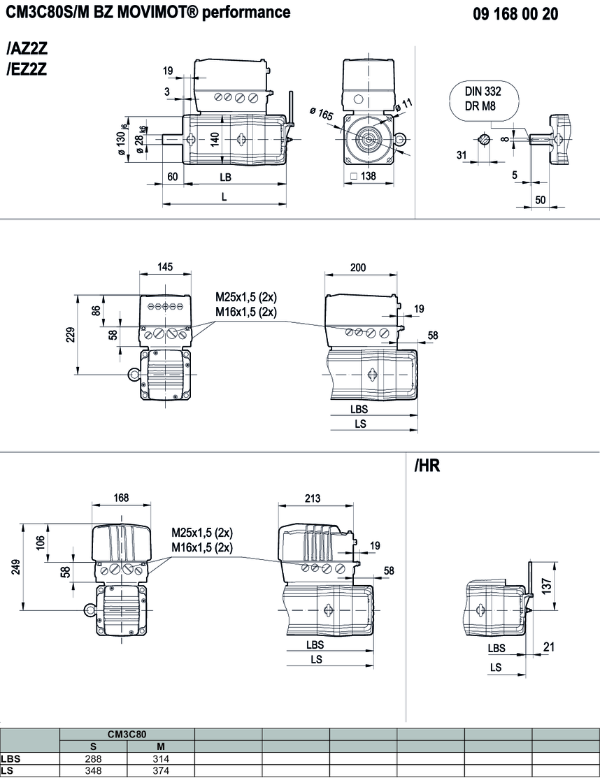
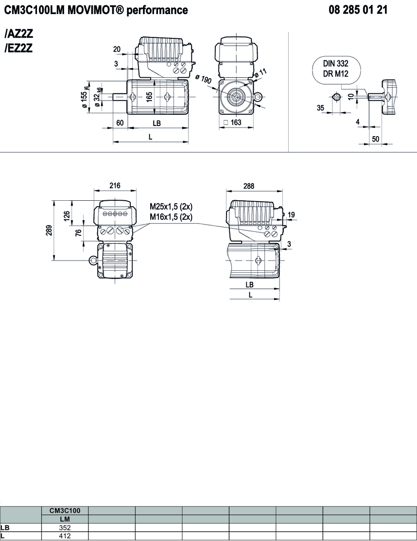
Desenhos dimensionais MOVIMOT® performance

Os desenhos dimensionais dos motorredutores estão disponíveis no catálogo "Motorredutores CM3C.. MOVIMOT® performance".