Como podemos ajudar?
Temas importantes
Planejamento de projeto de funcionamento seguro
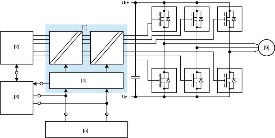
Estrutura da unidade
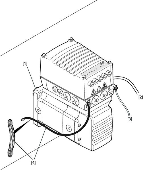
Instalação elétrica
- Planejamento da instalação sob o aspecto da EMC
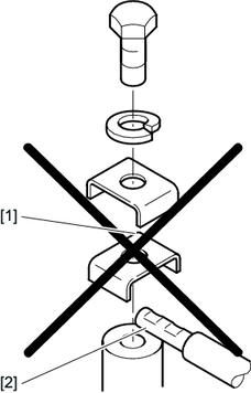
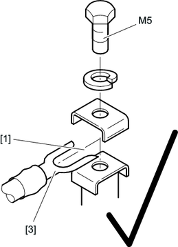
- Compensação de potencial
- Programação dos bornes do MOVIMOT® performance DFC
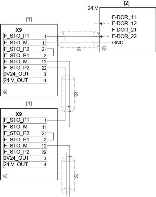
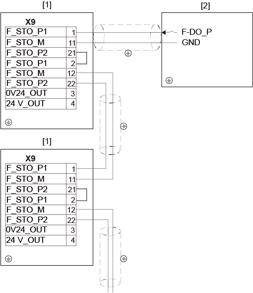
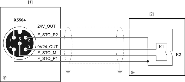
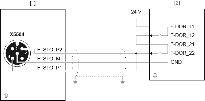
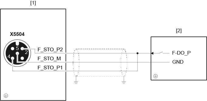
- Esquema de conexão do MOVIMOT® performance DFC
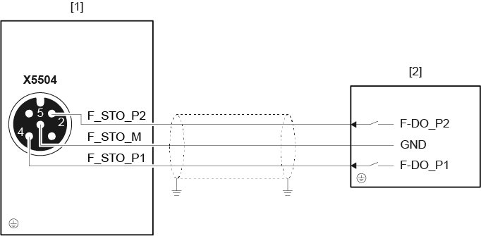
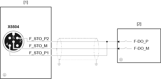
- Posições dos conectores da unidade de acionamento MOVIMOT® performance DFC, DSI do tamanho 1
- Posições dos conectores da tampa de controle DFC..
- Conexão a um PC









































































































































































































































































































































































































