Como podemos ajudar?
Temas importantes
Planejamento de projeto de funcionamento seguro
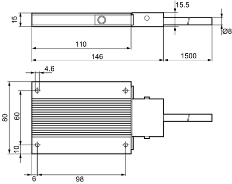
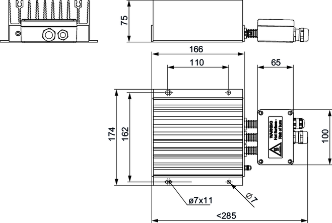
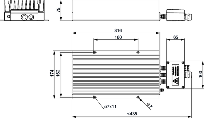
Estrutura da unidade
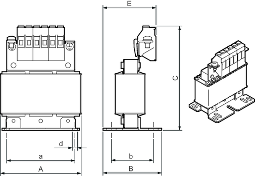
Instalação elétrica
- Planejamento da instalação sob o aspecto da EMC
- Compensação de potencial
- Programação dos bornes MOVIMOT® advanced DAC
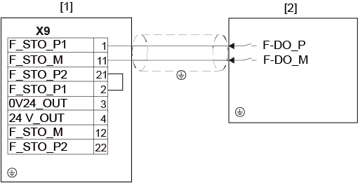
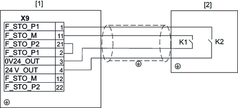
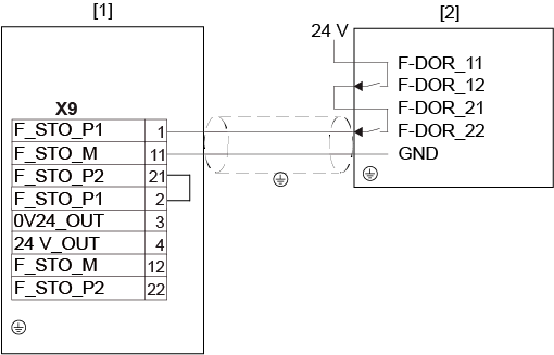
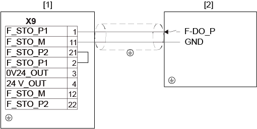
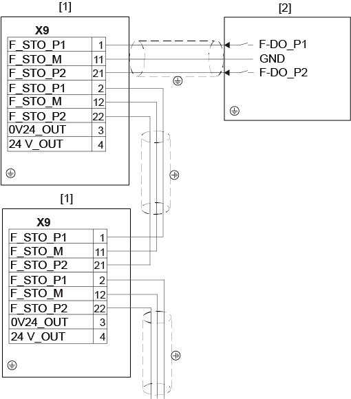
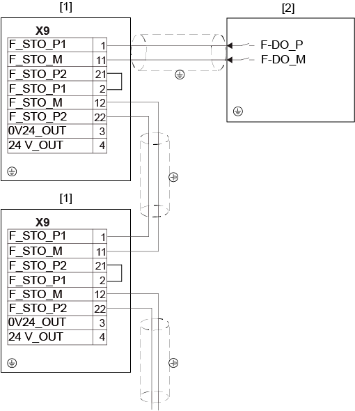
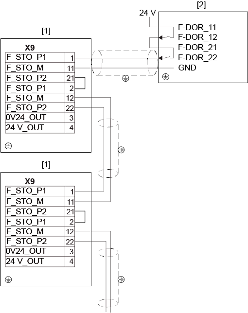
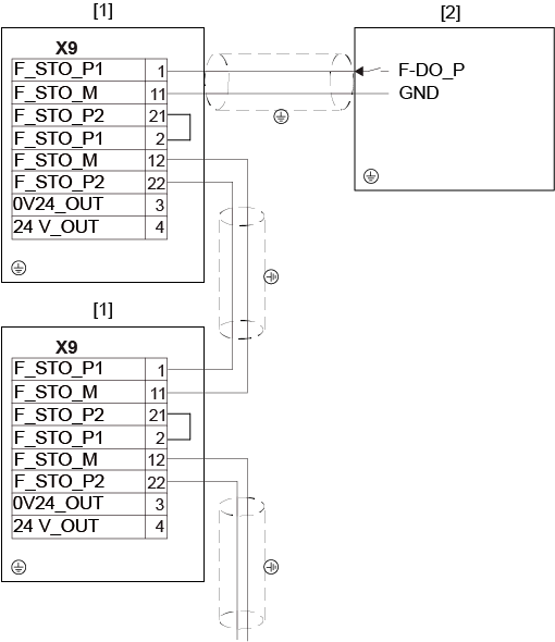
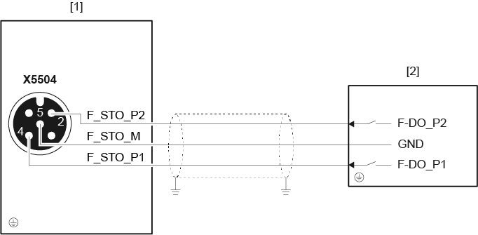
- Esquema de conexão MOVIMOT® advanced DAC
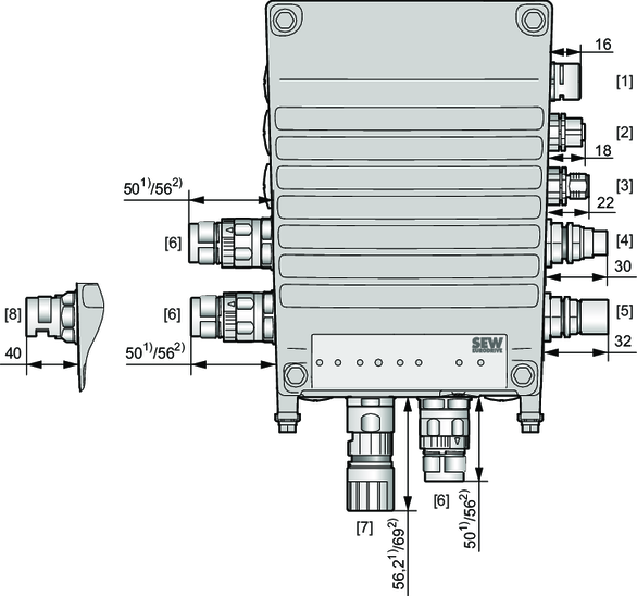
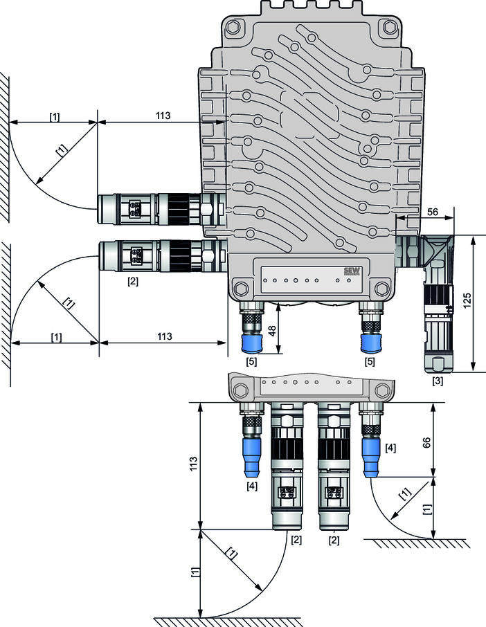
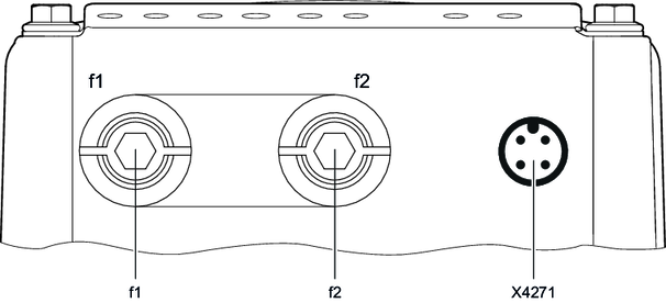
- Posições dos conectores da unidade de acionamento MOVIMOT® advanced DAC do tamanho 1
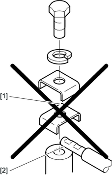
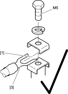
- Posições dos conectores da tampa de controle DAC..
- Conexão a um PC














































































































































































































































































































































































