¿Cómo podemos ayudarle?
Temas importantes
Planificación de proyecto de seguridad funcional
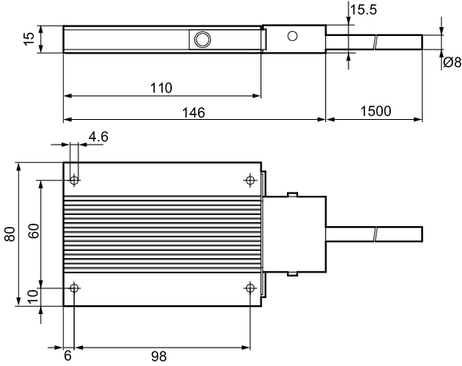
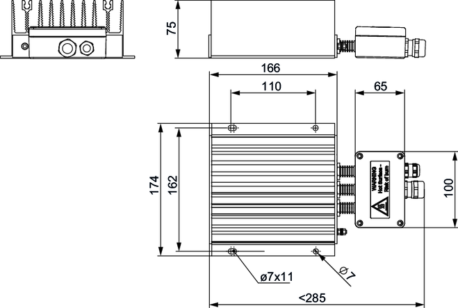
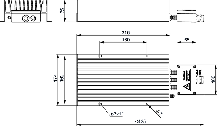
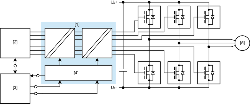
Estructura de la unidad
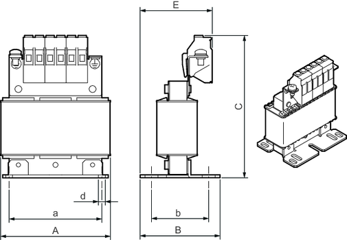
Instalación eléctrica
- Planificación de la instalación en función de la compatibilidad electromagnética
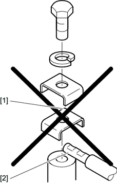
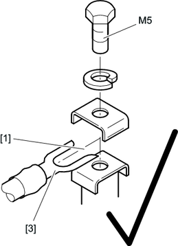
- Conexión equipotencial
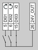
- Asignación de bornas de MOVIMOT® advanced DBC
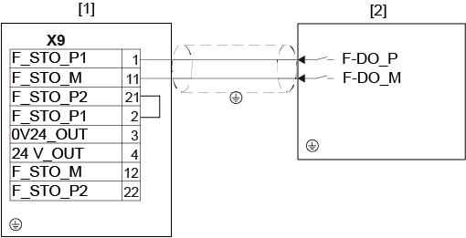
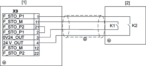
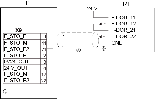
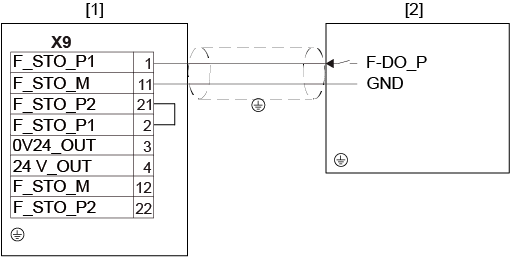
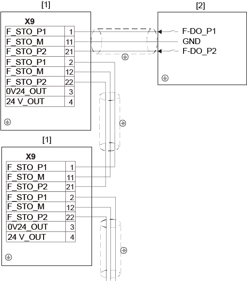
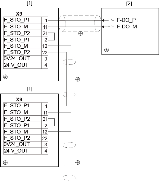
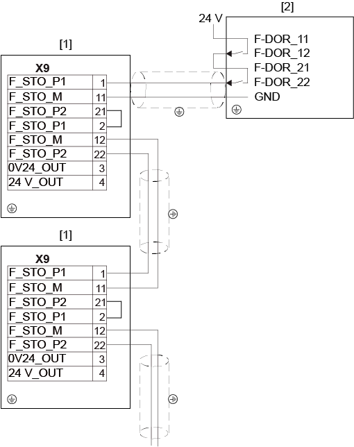
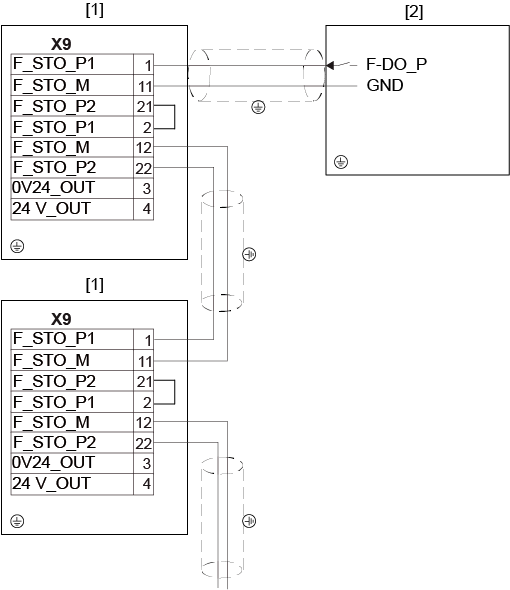
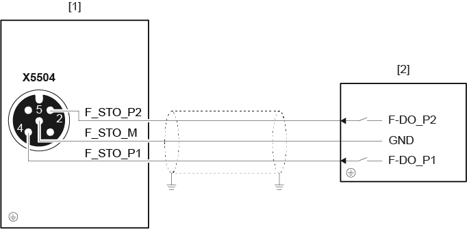
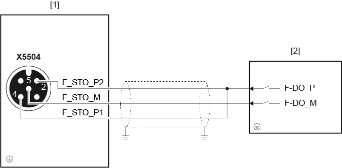
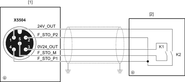
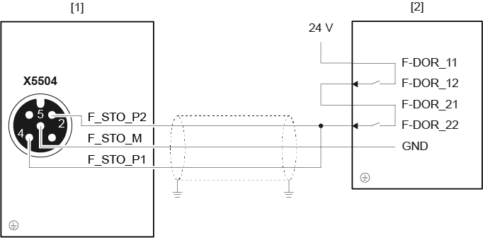
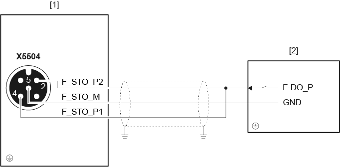
- Esquema de conexiones de MOVIMOT® advanced DBC
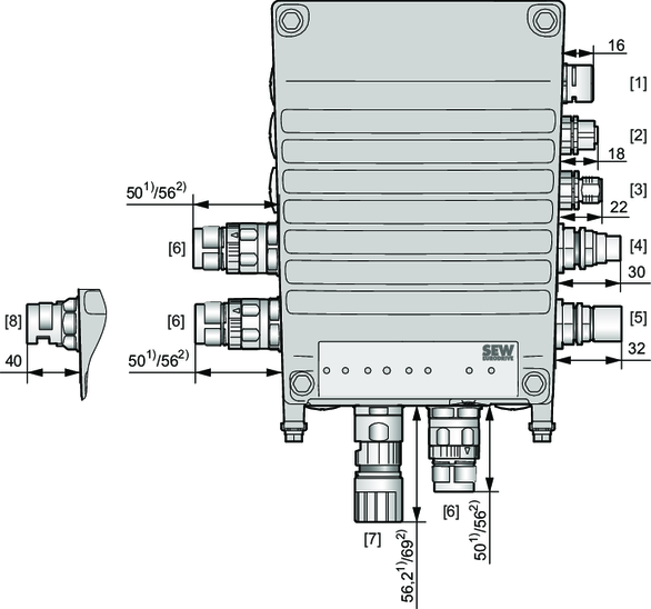
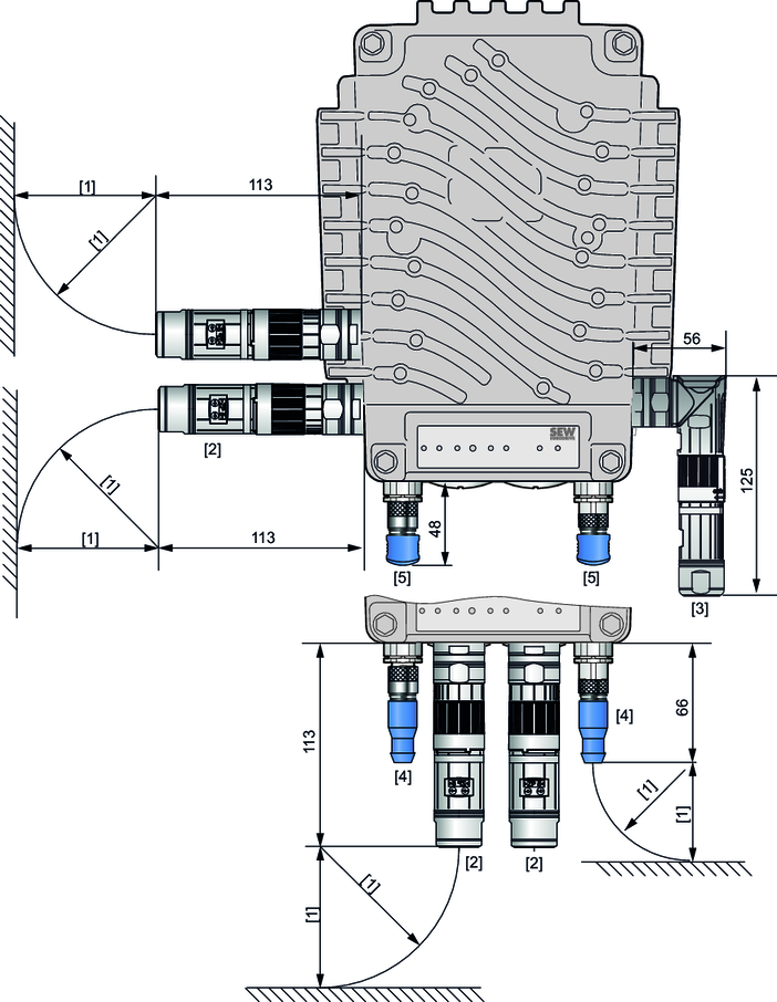
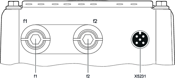
- Posiciones de conectores de la unidad de accionamiento MOVIMOT® advanced DBC tamaño 1
- Posiciones de los conectores enchufables de tapa de la electrónica DBC..
- Conexión PC


















































































































































































































































































































































































