Como podemos ajudar?
Temas importantes
Planejamento de projeto de funcionamento seguro
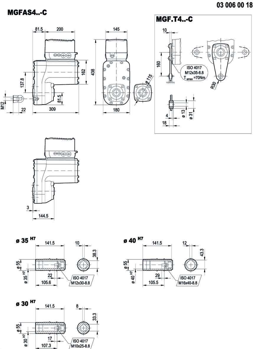
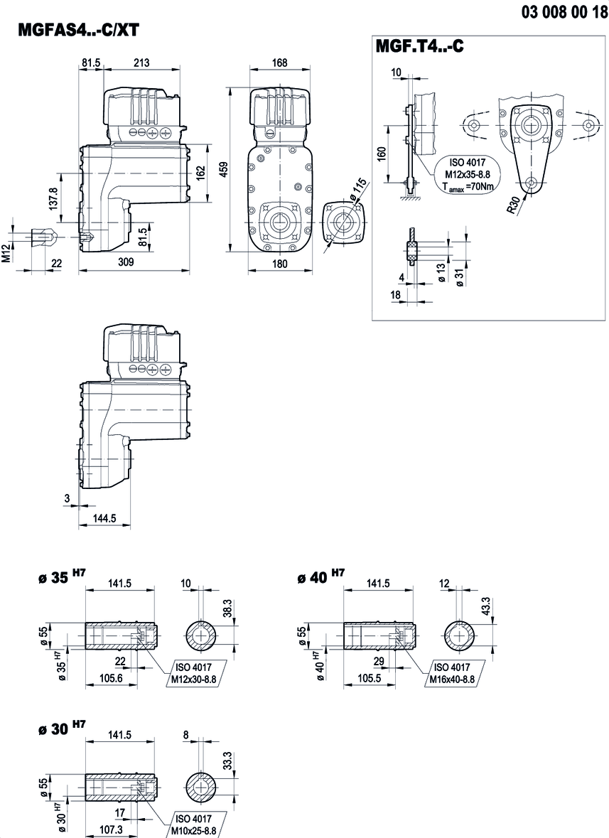
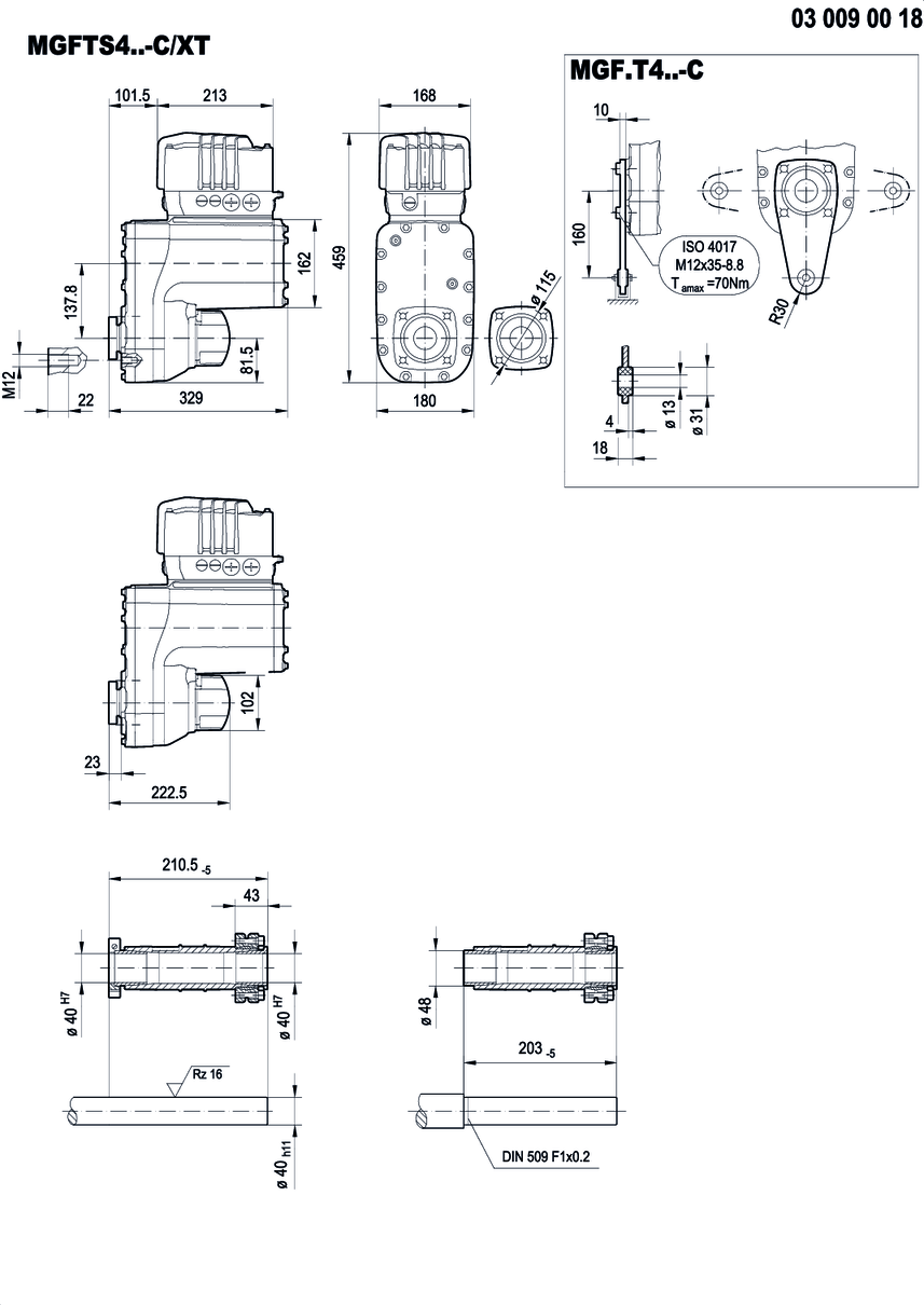
Estrutura da unidade
Instalação mecânica
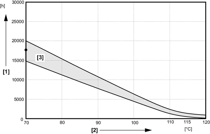
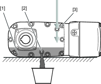
- Alívio de pressão interna do redutor
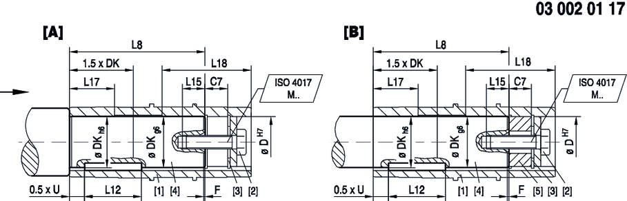
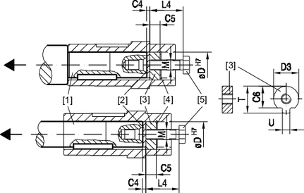
- Versão do redutor com eixo com rasgo de chaveta
- Versão do redutor com eixo com TorqLOC® (eixo do cliente sem ressalto)
- Versão do redutor com eixo com TorqLOC® (eixo do cliente com ressalto)
- Versão do redutor com eixo com TorqLOC® – Desmontagem, limpeza e lubrificação
- Montagem da tampa protetora
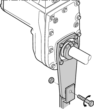
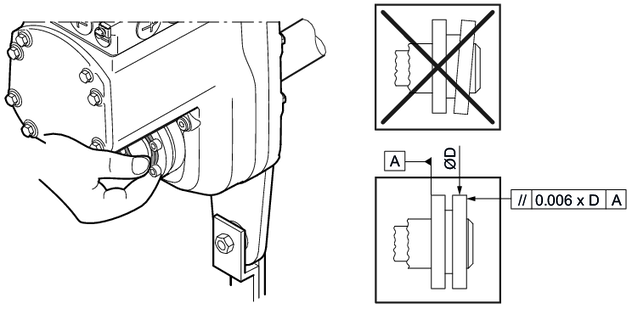
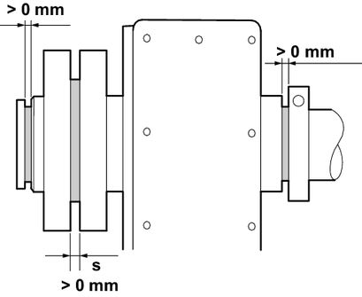
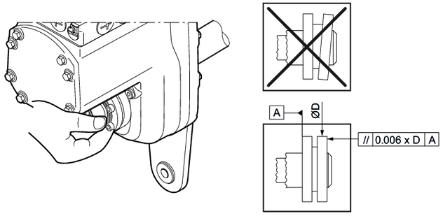
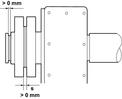
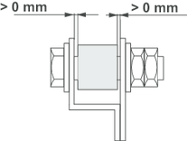
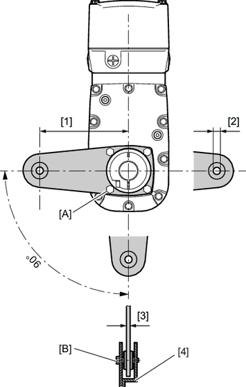
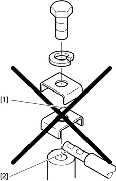
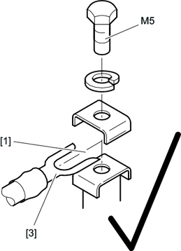
- Braço de torção
Instalação elétrica
- Planejamento da instalação sob o aspecto da EMC
- Compensação de potencial
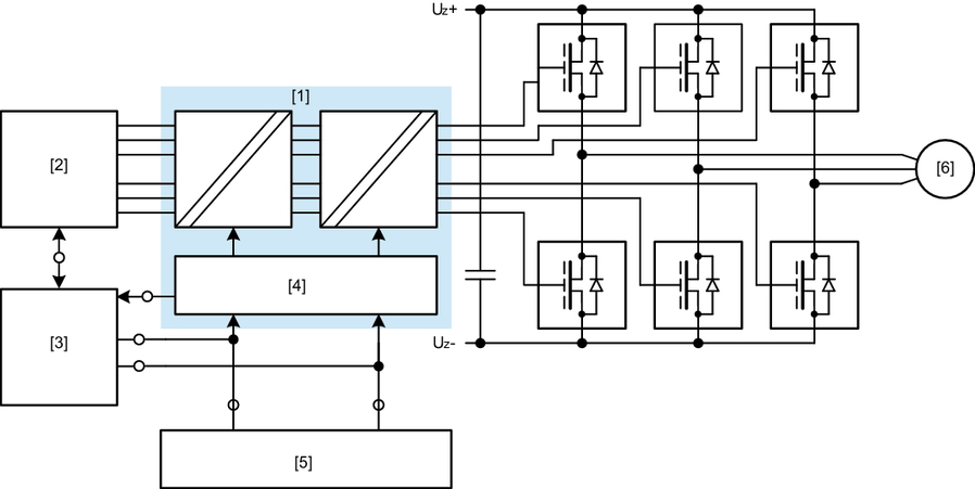
- Programação dos bornes do MOVIGEAR® performance DSI
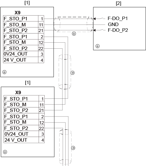
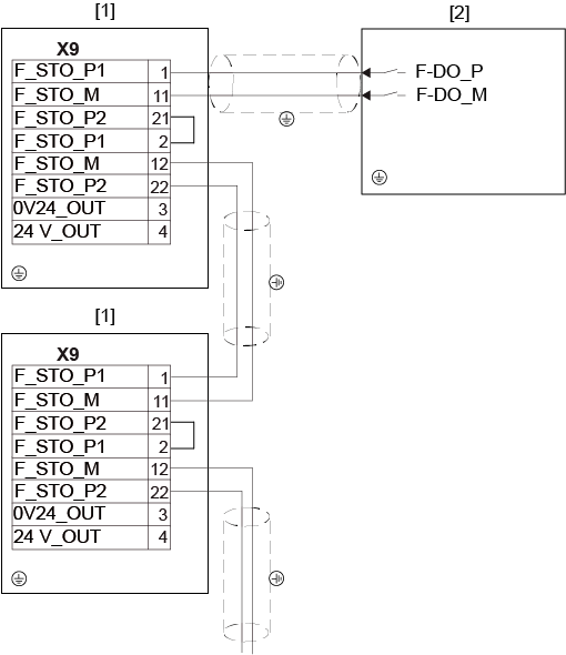
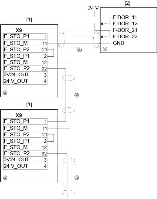
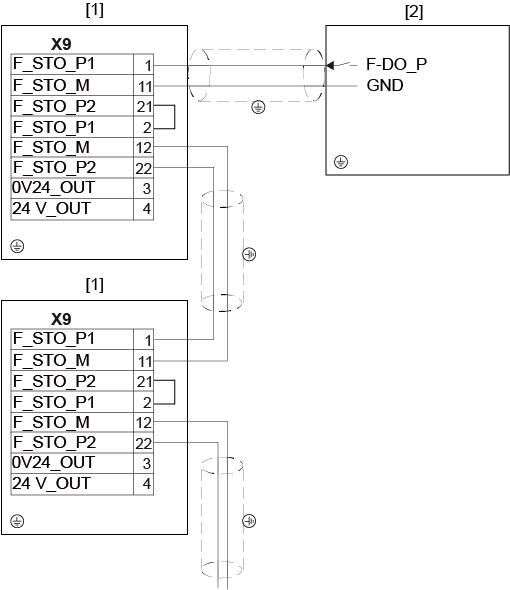
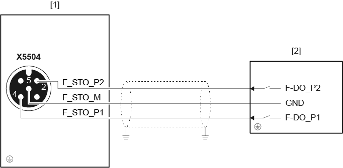
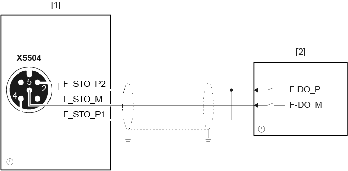
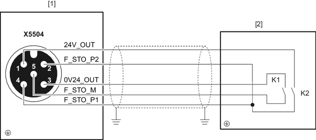
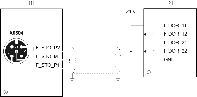
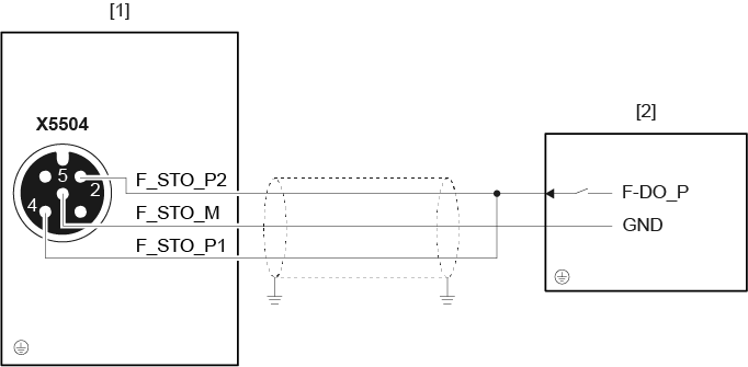
- Esquema de conexão do MOVIGEAR® performance DSI
- Posições dos conectores da unidade de acionamento MOVIGEAR® performance DFC, DSI
- Posições dos conectores da tampa de controle DSI..
- Conexão a um PC



















































































































































































































































































































































































































